Le petit montage avec deux diodes et la résistance , je l'ai fait . Pour le moment , je l'ai déconnecté sans que le S/B soit affecté. En fait pour le moment j'ai relié comme sur la RI le plan de masse au châssis via une résistance de 12 ohms et les 3 boîtiers de potentiomètres avec du fil de cuivre rigide. Je vais reconnecter le système diodes + R pour faire une mesure S/B comparative. Mais attention , pour des problèmes de sécurité en principe les résistances doivent être Fp c'est-à-dire faire fusible sans flamme ! TT n'a pas ça.McColson a écrit : 25 sept. 2025, 21:04 Tant qu'à refaire le pcb, intégrons le petit montage avec 2 diodes + Résistance (ground lift de la fender reissue). Je suis prêt à le modifier si besoin.
Et un bon exercice serait de comparer sous Duncan PSUD les 4 filtrages : 6G15 originale, 6G15 reissue, la Reverbe TT et la 6PG5.
J'ai pas le temps là, mais ça serait vraiment bien de le faire et de comparer la tension résiduelle sur la ligne HT.
Je ne suis pas sûr qu'on soit obligé de perdre 100V sur la ligne d'alim pour avoir un filtrage correct. Essayons de rester vers 240V-250V de HT.
Sinon ok pour les UF4007 (ou UF4004), j'en ai en stock, je pourrais tester aussi si vous voulez.
Y'a la place pour un relais, mais souvent redresser le 6.3V et le partager avec le 6.3V AC du chauffage filament amène plus d'emmerdes que de bien ! A voir...surtout qu'on n'a plus envie d'éteindre la réverbe une fois branchée !![]()
Pour remonter la tension HT ( qui fait en fait 220 V et non 192 V ) sans retrouver une résiduelle audible , il faut ajouter au moins une capa et ainsi pouvoir diminuer les valeurs de résistance . Sur la TT-reverb les résistances sont de 470 + 8200 et la tension n'est que de 200 V avec le même transfo , car la TT tire plus de courant.
Le relais servirait à quoi au fait ?
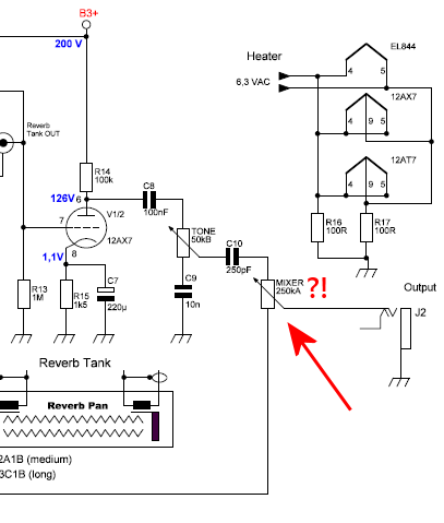
Refaisons un point : la 6PG5 fonctionne maintenant tout à fait correctement avec un beau son et le schéma est devenu celui-là . Je viens de vérifier toutes les tensions ( elles sont toutes plus élevées que celles de la TT-REVERB) :
CPA = cliquer pour agrandir :
EDIT : ne pas s'attarder sur ces comparatifs - il doivent être refaits.
Maintenant j'ai fait un comparatif des S/B de la TT-REVERB et de notre 6PG5 dans les deux modes : série où le DRY est mixé avec le WET et parallèle où seul le signal de réverbération sort , le pot de mix devenant level car étant mis à la masse .
Edit : les tableaux sont obsolètes :
tableau 1
tableau 2
Le comparatif a été fait avec le même signal d'entrée de 165 mVRMS ( ce que me donne mon Géné BF lorsqu'il affiche 500 mVcc). Les commandes de DWELL et de TONE sont à 50% de la valeur du pot (LIN pour la TT-rev , LOG pour la 6PG5)
Les niveaux ont été mesurés à 1kHz pour les valeurs de 20%, 50% et 100% de la course du pot de sortie ( 250k LIN dans les deux cas)
Une première conclusion rapide est que la 6PG5 est légèrement moins bonne en mode série que la TT-reverb mais bien meilleure en mode parallèle. La raison pour les deux modes est que la 6PG5 sort un signal de réverbération bien plus élevé que la TT-reverb avec donc un peu plus de bruit en mode série . EDIT : ET BIEN NON en fait la TT_REVERB sort sur un pot de MIX logarithmique au lieu de linéaire
Je ferai une mesure supplémentaire avec la connexion double-diodes + 15R au chassis demain soir .. Bonne nuit
EDIT du 26 sept :
Personnellement je préfère LTSpice à Duncan PSUD qui est plutôt moins souple . Avec rigoureusement les mêmes données d'entrée les sorties sont légèrement différentes .McColson a écrit : 25 sept. 2025, 21:04
Et un bon exercice serait de comparer sous Duncan PSUD les 4 filtrages : 6G15 originale, 6G15 reissue, la Reverbe TT et la 6PG5.
Avec PSUD la dent de scie en sortie du pont de diodes ( C2) a une amplitude de 1,5423 V , avec LTSpice c'est 1,4006 V soit 10 % d'écart .
Ensuite sur C4 PSUD donne 11,47 mV contre 1,31 mV pour LTSpice ( là c'est beaucoup - je vérifierai au scope où est la vérité !) et sur C5 , 28µV pour PSUD et 0V pour LTSpice.
Pour un comparatif le tout est de prendre le même soft et si PSUD se révèle plus exigeant , tant qu'à faire , prenons celui-là ! J'ai vérifié , on a tous les éléments sur les 4 unités pour mesurer le filtrage de l'alim sauf les ESR des capas de filtrage qui peuvent pas mal influencer l'onde résiduelle .









..::