[Reverb 6PG5] Proto #2, ça marche !

Unité de réverbe standalone, avec une 12DW7 et une 12AX7, sans transformateur de réverbe.
Réglages : Dwell, Tone, et Mix
Avatar du membre
jptrol
G5 Team
G5 Team
Messages : 1414
Enregistré le : 13 mars 2006, 1:00
Localisation : Nord
Contact :

Re: [Reverb 6PG5] Proto #2, ça marche !

Message par jptrol »

McColson a écrit : 25 sept. 2025, 21:04 Tant qu'à refaire le pcb, intégrons le petit montage avec 2 diodes + Résistance (ground lift de la fender reissue). Je suis prêt à le modifier si besoin.
Et un bon exercice serait de comparer sous Duncan PSUD les 4 filtrages : 6G15 originale, 6G15 reissue, la Reverbe TT et la 6PG5.
J'ai pas le temps là, mais ça serait vraiment bien de le faire et de comparer la tension résiduelle sur la ligne HT.
Je ne suis pas sûr qu'on soit obligé de perdre 100V sur la ligne d'alim pour avoir un filtrage correct. Essayons de rester vers 240V-250V de HT.
Sinon ok pour les UF4007 (ou UF4004), j'en ai en stock, je pourrais tester aussi si vous voulez.
Y'a la place pour un relais, mais souvent redresser le 6.3V et le partager avec le 6.3V AC du chauffage filament amène plus d'emmerdes que de bien ! A voir...surtout qu'on n'a plus envie d'éteindre la réverbe une fois branchée ! ;-)
Le petit montage avec deux diodes et la résistance , je l'ai fait . Pour le moment , je l'ai déconnecté sans que le S/B soit affecté. En fait pour le moment j'ai relié comme sur la RI le plan de masse au châssis via une résistance de 12 ohms et les 3 boîtiers de potentiomètres avec du fil de cuivre rigide. Je vais reconnecter le système diodes + R pour faire une mesure S/B comparative. Mais attention , pour des problèmes de sécurité en principe les résistances doivent être Fp c'est-à-dire faire fusible sans flamme ! TT n'a pas ça.

Pour remonter la tension HT ( qui fait en fait 220 V et non 192 V ) sans retrouver une résiduelle audible , il faut ajouter au moins une capa et ainsi pouvoir diminuer les valeurs de résistance . Sur la TT-reverb les résistances sont de 470 + 8200 et la tension n'est que de 200 V avec le même transfo , car la TT tire plus de courant.
Le relais servirait à quoi au fait ?

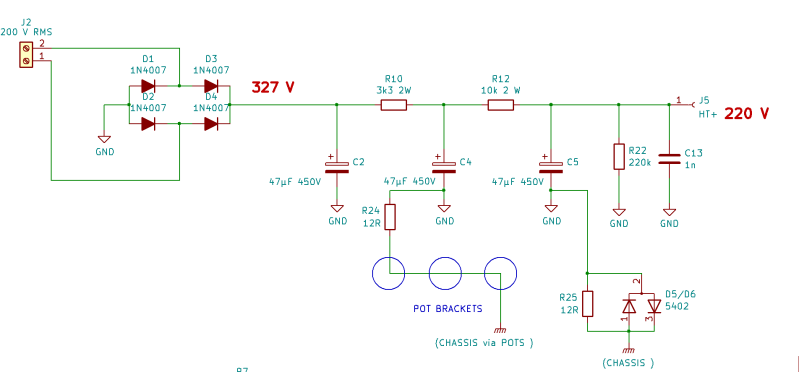
Refaisons un point : la 6PG5 fonctionne maintenant tout à fait correctement avec un beau son et le schéma est devenu celui-là . Je viens de vérifier toutes les tensions ( elles sont toutes plus élevées que celles de la TT-REVERB) :

CPA = cliquer pour agrandir :

Image

EDIT : ne pas s'attarder sur ces comparatifs - il doivent être refaits.
Maintenant j'ai fait un comparatif des S/B de la TT-REVERB et de notre 6PG5 dans les deux modes : série où le DRY est mixé avec le WET et parallèle où seul le signal de réverbération sort , le pot de mix devenant level car étant mis à la masse .

Edit : les tableaux sont obsolètes :
tableau 1

tableau 2

Le comparatif a été fait avec le même signal d'entrée de 165 mVRMS ( ce que me donne mon Géné BF lorsqu'il affiche 500 mVcc). Les commandes de DWELL et de TONE sont à 50% de la valeur du pot (LIN pour la TT-rev , LOG pour la 6PG5)

Les niveaux ont été mesurés à 1kHz pour les valeurs de 20%, 50% et 100% de la course du pot de sortie ( 250k LIN dans les deux cas)

Une première conclusion rapide est que la 6PG5 est légèrement moins bonne en mode série que la TT-reverb mais bien meilleure en mode parallèle. La raison pour les deux modes est que la 6PG5 sort un signal de réverbération bien plus élevé que la TT-reverb avec donc un peu plus de bruit en mode série . EDIT : ET BIEN NON en fait la TT_REVERB sort sur un pot de MIX logarithmique au lieu de linéaire :SM: => les mesures comparatives sont à refaire ! cf message du 29/09
Je ferai une mesure supplémentaire avec la connexion double-diodes + 15R au chassis demain soir .. Bonne nuit :good:


EDIT du 26 sept :
McColson a écrit : 25 sept. 2025, 21:04
Et un bon exercice serait de comparer sous Duncan PSUD les 4 filtrages : 6G15 originale, 6G15 reissue, la Reverbe TT et la 6PG5.
Personnellement je préfère LTSpice à Duncan PSUD qui est plutôt moins souple . Avec rigoureusement les mêmes données d'entrée les sorties sont légèrement différentes .
Avec PSUD la dent de scie en sortie du pont de diodes ( C2) a une amplitude de 1,5423 V , avec LTSpice c'est 1,4006 V soit 10 % d'écart .
Ensuite sur C4 PSUD donne 11,47 mV contre 1,31 mV pour LTSpice ( là c'est beaucoup - je vérifierai au scope où est la vérité !) et sur C5 , 28µV pour PSUD et 0V pour LTSpice.

Pour un comparatif le tout est de prendre le même soft et si PSUD se révèle plus exigeant , tant qu'à faire , prenons celui-là ! J'ai vérifié , on a tous les éléments sur les 4 unités pour mesurer le filtrage de l'alim sauf les ESR des capas de filtrage qui peuvent pas mal influencer l'onde résiduelle . :?
Modifié en dernier par jptrol le 29 sept. 2025, 21:01, modifié 5 fois.
jptrol
______________________________________________
dilet
G5 optimiseur
G5 optimiseur
Messages : 301
Enregistré le : 31 janv. 2023, 0:06
Localisation : Lyon

Re: [Reverb 6PG5] Proto #2, ça marche !

Message par dilet »

Ce sont des simulations de l'alimentation à vide ou en charge ?
dilet
Avatar du membre
jptrol
G5 Team
G5 Team
Messages : 1414
Enregistré le : 13 mars 2006, 1:00
Localisation : Nord
Contact :

Re: [Reverb 6PG5] Proto #2, ça marche !

Message par jptrol »

dilet a écrit : 26 sept. 2025, 23:35 Ce sont des simulations de l'alimentation à vide ou en charge ?
En charge bien sûr . Tu ajoutes un générateur de courant sur le dernier filtre qui prend en charge toute la consommation. Si l'alimentation est répartie tu ajoutes autant de générateurs de courant que nécessaire sur chaque filtre concerné . Les simus à vide n'auraient pas beaucoup de sens.

Les mesures que j'ai prises sur la 6PG5 soit 327 V de tension moyenne sur la sortie du pont redresseur montrent que le transfo TT-30 vendu pour 200 VRMS en fait en fait 233 VRMS !

Voici la simu PSUD de l'alim de la 6PG5 avec les valeurs les plus proches que celles que je mesure en réel :
Alim_PSUD.png
On voit que la résiduelle n'est que de 33 µV ! ( LTSpice donne 30 µV et on peut penser que c'est la vérité)

En fait il y a 3 types de bruit qui se cumulent dans nos montages :
  • La résiduelle de l'alim
  • Le bruit dû aux champs magnétiques
  • Le bruit dû aux boucles de masse
Le problème de l'alim est qu'elle cumule les 3 types ! PSUD 2 ne traite que du premier , le filtrage ( le plus facile) . LTSpice fait mieux car on peut injecter un bruit enregistré en fichier wave en sortie du pont redresseur et le récupérer en sortie .
Disons que le 100Hz avec ses quelques harmoniques basses peut être vaincu ( il l'est !) avec le filtrage .
Le bruit dû aux champs magnétiques est dans le spectre audio plus élevé et c'est la liaison au châssis blindé pour les hautes fréquences qui le traite ( l'aluminium n'offre aucun blindage pour les champs à basse fréquence) .
Le bruit dû aux boucles de masse est résolu par un bon câblage. Ici, d'après M.Blencowe , le plan de masse n'est pas la meilleure solution car on n'y maîtrise pas la circulation des courants . Le plan de masse doit être réservé aux circuits en radiofréquences ou aux montages numériques pour limiter les effets inductifs des liaisons . Cela dit si mettre un plan de masse peut être catastrophique sur un ampli en PCB, ici , à mon avis, ça peut passer .

Pour les hautes fréquences , j'ai donc rajouté une capa de 1n en parallèle de la 220k en sortie d'alim. En effet l'ESR des électrochimiques croît en fonction de la fréquence et pour les radiofréquences élevées ils sont carrément résistifs.

Je m'attelle au comparatif des alims des 4 modules pour Matthieu qui semble accorder une grande importance au sujet :egeek: , bien qu'il ne concerne que la partie la plus facile du sujet pour moi.
jptrol
______________________________________________
dilet
G5 optimiseur
G5 optimiseur
Messages : 301
Enregistré le : 31 janv. 2023, 0:06
Localisation : Lyon

Re: [Reverb 6PG5] Proto #2, ça marche !

Message par dilet »

jptrol a écrit :En charge bien sûr.
Je m'en doutais :wink:, mais j'étais quand même surpris par le très faible niveau de la tension résiduelle de filtrage (30µV) qui se confirme.
jptrol a écrit :Disons que le 100Hz avec ses quelques harmoniques basses peut être vaincu ( il l'est !) avec le filtrage.
C'est certain.
jptrol a écrit :Ici, d'après M.Blencowe , le plan de masse n'est pas la meilleure solution car on n'y maîtrise pas la circulation des courants. ... Cela dit si mettre un plan de masse peut être catastrophique sur un ampli en PCB, ici , à mon avis, ça peut passer.
Avec 8mA de courant total, je ne pense pas non plus que cela puisse poser de gros problèmes.
D'autant que, sur le PCB actuel, il ne s'en faut pas de beaucoup pour que la masse "alim" et la masse "son" soient séparées.
Je ne sais pas ce que peut faire KiCAD, mais j'ai vu des cartes (des interfaces de mesure) avec séparation de la couche de masse entre masses d'alimentation (avec courant) et masses de blindage; une masse étoile sur le plan de masse en somme...
Ce n'est peut-être pas malgré tout une mauvaise idée d'avoir un plan de masse de blindage au niveau du retour de la réverb. où le niveau de signal est très faible (et plus généralement au niveau des circuits "son"). :think:
jptrol a écrit :Pour les hautes fréquences , j'ai donc rajouté une capa de 1n en parallèle de la 220k en sortie d'alim. En effet l'ESR des électrochimiques croît en fonction de la fréquence et pour les radiofréquences élevées ils sont carrément résistifs.
C'est toujours bon de prévoir une petite capa. sur l'alim pour éviter des oscillations HF accidentelles. :good:
dilet
Avatar du membre
jptrol
G5 Team
G5 Team
Messages : 1414
Enregistré le : 13 mars 2006, 1:00
Localisation : Nord
Contact :

Re: [Reverb 6PG5] Proto #2, ça marche !

Message par jptrol »

Voilà la première simulation pour l'alimentation de la Fender 63 d'origine , la 6G15 . Désolé pour PSUD mais je n'ai pas trouvé comment configurer l'alim de la 6g15 d'origine qui est en redressement demi-onde ! Même sur le forum DUNCAN pourtant déjà très ancien , la notion de half-wave rectifier est absente :mur:

Donc retour à LTSpice :

Voilà le schéma :
Image

et la simu (CPA) :

Image

L'ondulation sur la 6k6 est de 7 mV CC et en sortie de 3,25 mVcc . Il fallait s'y attendre avec un redressement demi-onde . Notre 6PG5 avec ses 30 µVCC est donc sur ce point 100 fois meilleure ! C'est facile car avec ses 24 mA la 6K6GT consomme à elle seule 3 fois ce que consomme au total notre 6PG5. La suite de notre comparatif peut peut-être nous permettre de relâcher le filtrage pour remonter le niveau d'alimentation . A voir donc ..
jptrol
______________________________________________
Avatar du membre
jptrol
G5 Team
G5 Team
Messages : 1414
Enregistré le : 13 mars 2006, 1:00
Localisation : Nord
Contact :

Re: [Reverb 6PG5] Proto #2, ça marche !

Message par jptrol »

Deuxième simu cette fois avec la même Fender mais en REISSUE 1994 : décidément PSUD 2 me fait des pieds de nez , j'avais rentré soigneusement toutes les données et le soft m'accuse de violer un accès ( bug windows) et refuse de m'aider ( clic sur help sans effet) . Une version 3 est en préparation mais celle-ci est une vieillerie mal documentée et mal debuggée EDIT : vieillerie oui mais c'est bien dommage car plus je prends de mesures au scope , plus je me rends compte que PSUD donne des résultats plus proches de la réalité que LTSPice dans ce domaine ! En fait lorsque deux filtres RC se succèdent , LTSpice se plante sur le premier mais pas sur le deuxième ! Mystère :??:
6G15_RI_access_violation.png
Donc retour sur LTSpice pour la suite (quitte à prendre du recul sur les mesures) :

Vous trouverez le schéma complet dans le doc suivant :
kit-tubereverb.pdf
(1.22 Mio) Téléchargé 6 fois
La simu montre une onde résiduelle (ripple) finale de 393 µVCC soit encore 13 fois plus que notre 6PG5 (qui consomme le quart de l'énergie !)

Image


La simu de la TT_reverb maintenant :

la doc est ici :
kit-tubereverb.pdf
(1.22 Mio) Téléchargé 6 fois
La simu donne :

Image

On voit que dès la sortie du redresseur l'onde est bien aplatie : 5 mVCC ! :!: . En sortie générale ( B3+) elle n'est plus que de 154 µV soit encore 5 fois celle de notre 6PG5 !
jptrol
______________________________________________
dilet
G5 optimiseur
G5 optimiseur
Messages : 301
Enregistré le : 31 janv. 2023, 0:06
Localisation : Lyon

Re: [Reverb 6PG5] Proto #2, ça marche !

Message par dilet »

L'alimentation de la 6PG5 semble donc hors de cause puisque l'ondulation résiduelle de filtrage est vraiment excellente.
Restent donc les influences magnétiques et les boucles de masse...
Les problèmes de proximité sont inévitables puisqu'il faut que tout rentre dans le (petit) boitier.
Peut-être écarter davantage sur la face arrière les deux RCA et le groupe prise secteur et porte-fusible ?
Pour les boucles de masse, je ne vois pas trop où chercher, sauf au niveau du tank comme le signalait Rimlock.
dilet
Avatar du membre
jptrol
G5 Team
G5 Team
Messages : 1414
Enregistré le : 13 mars 2006, 1:00
Localisation : Nord
Contact :

Re: [Reverb 6PG5] Proto #2, ça marche !

Message par jptrol »

Bah en fait depuis que l'on a protégé le silver mica tout va bien. Le bruit résiduel est tout à fait acceptable .

Mais il reste une piste pour s'améliorer en mode série par rapport à la TT-reverb . Quand on a mis au point la version ADD-ON qui chapeaute le tonestack maintenant sur le G5 20th et un autre ampli que j'ai fait , on a constaté que le Tone control en fin de circuit chargeait sensiblement les aigus , cad que les aigus sortant du TS étaient en partie absorbés par le tone control de la reverb . C'est la raison pour laquelle on avait reporté le contrôle en entrée. Sur la Stand Alone le problème ne se pose pas et je me demande si ce contrôle juste devant la sortie ne sert pas aussi à atténuer ,en partie tout au moins, le bruit résiduel en sortie sur la TT-reverb. Est-ce que cela ne vaudrait pas le coup d'essayer de le replacer en sortie, d'autant qu'il nous servirait aussi à protéger la silver mica du continu et que l'on pourrait ainsi économiser le filtre RC que nous avons rajouté.
jptrol
______________________________________________
dilet
G5 optimiseur
G5 optimiseur
Messages : 301
Enregistré le : 31 janv. 2023, 0:06
Localisation : Lyon

Re: [Reverb 6PG5] Proto #2, ça marche !

Message par dilet »

jptrol a écrit :... je me demande si ce contrôle juste devant la sortie ne sert pas aussi à atténuer, en partie tout au moins, le bruit résiduel en sortie sur la TT-reverb.
Comme ce tone control supprime des aigus, il me semble que le déplacer en sortie permet également d'envoyer plus de signal dans le tank (les aigus en plus) et donc d'améliorer le rapport S/B en récupérant plus de signal en sortie du tank.
Par contre, sur le montage TT, il n'y a pas de référencement à la masse pour le 250pF qui doit avoir une tension continue à ses bornes, selon les caractéristiques des capas de liaison et du tone control.
Ne pourrait-on pas se contenter de déplacer RV1 et C3 en parallèle de R23 ? :think:
dilet
Avatar du membre
jptrol
G5 Team
G5 Team
Messages : 1414
Enregistré le : 13 mars 2006, 1:00
Localisation : Nord
Contact :

Re: [Reverb 6PG5] Proto #2, ça marche !

Message par jptrol »

dilet a écrit : 27 sept. 2025, 21:18
jptrol a écrit :... je me demande si ce contrôle juste devant la sortie ne sert pas aussi à atténuer, en partie tout au moins, le bruit résiduel en sortie sur la TT-reverb.
Comme ce tone control supprime des aigus,
Bah, pas vraiment . Regarde sur le diagramme en bleu tu as les variations en sortie du curseur de tone de la TT-reverb et en vert ( après ce qui apparaît comme une rotation :?: ) les variations en sortie du curseur du MIX :

Output.png
En fait une réverb qui sonne bien génère un subtil dosage entre mediums et aigus , ces derniers devant dominer les premiers mais pas trop pour ne pas sonner criard.
il me semble que le déplacer en sortie permet également d'envoyer plus de signal dans le tank (les aigus en plus) et donc d'améliorer le rapport S/B en récupérant plus de signal en sortie du tank.
C'est vrai pour la partie du bruit indépendante du signal , cad le bruit inhérent au tank ( mécanique, magnétique etc..) mais il y a aussi le bruit du signal et envoyer plus de signal revient à envoyer plus de bruit aussi donc , là , c'est du funambulisme :surprised: Il doit y avoir un avantage mais très faible.
Par contre, sur le montage TT, il n'y a pas de référencement à la masse pour le 250pF qui doit avoir une tension continue à ses bornes, selon les caractéristiques des capas de liaison et du tone control.
Non , non, Dilet , le 250pF n'est jamais polarisé en continu car il n'a jamais de continu à ses bornes : il est "en l'air" d'un côté et de l'autre côté le continu est bloqué par la capa de sortie du CF. Ces deux dernières capas sont référencées à la masse lorsque la sortie est connectée à un ampli et ceci par la résistance de grid-leak du premier étage rencontré.
Ne pourrait-on pas se contenter de déplacer RV1 et C3 en parallèle de R23 ? :think:


Hum.. avec le curseur de RV1 sur la 250pF alors. Mais RV1 est beaucoup trop élevé et sans la capa en série reliée à la masse on aurait trop d'aigus déjà par rapport aux mediums. Il faudrait simuler.

Pour le moment j'ai simulé avec LTSpice le traitement d'un bruit multifréquences injecté en entrée et récupéré le fichier wave en sortie dans la config tone control en sortie . Je vais prendre le temps d'analyser les spectres obtenus. Malheureusement le modèle de tank que j'utilise est très bien étudié mais il ne doit pas générer de bruit , lui 8-)
jptrol
______________________________________________
dilet
G5 optimiseur
G5 optimiseur
Messages : 301
Enregistré le : 31 janv. 2023, 0:06
Localisation : Lyon

Re: [Reverb 6PG5] Proto #2, ça marche !

Message par dilet »

jptrol a écrit :
dilet a écrit :
jptrol a écrit :... je me demande si ce contrôle juste devant la sortie ne sert pas aussi à atténuer, en partie tout au moins, le bruit résiduel en sortie sur la TT-reverb.
Comme ce tone control supprime des aigus,
Bah, pas vraiment .
Certes, la réponse globale supprime surtout des basses (c'est le rôle du 250pF, entre autres) mais je voulais dire (trop rapidement) que l'action du potar de tone control porte surtout sur les aigus, comme tes courbes le montrent bien.
jptrol a écrit :Non, non, Dilet, le 250pF n'est jamais polarisé en continu car il n'a jamais de continu à ses bornes : il est "en l'air" d'un côté et de l'autre côté le continu est bloqué par la capa de sortie du CF. Ces deux dernières capas sont référencées à la masse lorsque la sortie est connectée à un ampli et ceci par la résistance de grid-leak du premier étage rencontré.
Je n'étais pas certain qu'il soit vraiment "en l'air" (du point de vue du continu) du côté C8 et C9, mais tu as raison.

Merci de prendre le temps de donner toutes ces explications.
dilet
Avatar du membre
jptrol
G5 Team
G5 Team
Messages : 1414
Enregistré le : 13 mars 2006, 1:00
Localisation : Nord
Contact :

Re: [Reverb 6PG5] Proto #2, ça marche !

Message par jptrol »

McColson a écrit : 25 sept. 2025, 21:04 Tant qu'à refaire le pcb, intégrons le petit montage avec 2 diodes + Résistance (ground lift de la fender reissue). Je suis prêt à le modifier si besoin.
J'ai fait le test en connectant d'abord au pied de C4 une résistance de 12 ohms reliée aux 3 boîtiers de potentiomètres (qui sont en contact avec le chassis ) : avec l'entrée à la masse la mesure du bruit en sortie est de -47 dB . En connectant en plus au pied de C5 le montage R25 // D5//D6inv j'ai refait la même mesure : -47dB également. Je propose de garder uniquement la résistance sur C4 connectée aux pots. Il faut alors, comme je l'ai fait isoler le PCB du chassis ( vis supérieure gauche) pour conserver un point de contact unique et bien étalé ( les boîtiers de pots)

6PG5_alim_test_diodes.png

Je viens de constater que , contrairement à toute attente et toute logique Tube-Town commercialise sa Tube Town Tube-Reverb avec un potentiomètre de MIX en logarithme au lieu du type linéaire ! :olo: :redc:

PotMixLog.png

Avec un réglage dit mélangeur , la logique veut évidemment que le potentiomètre soit de type linéaire comme réalisé sur la 6G15 de 1963 , la RI de 1994 , notre 6PG5 et même la SurfMate de TT sortie plus récemment.
Après avoir vérifié que mon exemplaire est bien doté du pot log , j'en conclus qu'il faut reprendre nos mesures comparatives !
jptrol
______________________________________________
Répondre