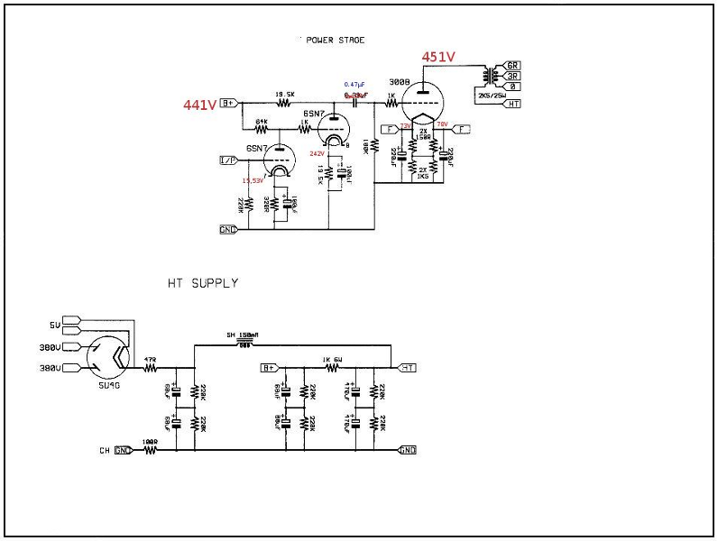
Bon, alors récapitulons :
6SN7 d'entrée :
B+=Ub=427V
Ua1=242-15=227V
Ra1=64K
Ia1=(Ub-Ua)/Ra=(427-227)/64=3,125mA
Mais, Uk1=15V et Rk1=320R, donc Ik1=15/320=46,8mA. Comme on te l'a déjà dit, c'est beaucoup et ce n'est pas cohérent avec le courant d'anode. On devrait normalement avoir des valeurs proches.
6SN7 driveuse :
B+=Ub=427V
Ua2=248-235=13V
Ra2=19k5
Ia2=(Ub-Ua2)/Ra2=(427-13)/19,5=21.23mA
Uk2=235V
Rk2=19k5
Ik2=235/19,5=12mA
Résultat encore incohérent puisque Ik2#Ia2.
As-tu une autre 6SN7 pour tester si le tube n'est pas en défaut?
Tu es en train de rincer ta première triode qui va probablement fondre après être devenue toute rouge voire blanche (et pourtant c'est costaud une 6SN7). Ta deuxième triode est biasé positivement ce qui extrait du courant de grille (3mA) et elle est complètement étranglée dans 15V ... Tu es dans tous les cas hors des data sheet
Si la première triode est polarisée très froid, il y a peu de chances qu'elle fonde, à mon avis

.
C'est vrai en revanche que dans le cas d'un couplage direct, la tension DC à la cathode doit être supérieure à celle présente à la grille de commande, or là c'est l'inverse, d'où une grille qui est positive et qui récupère des électrons au passage, faisant naître ainsi un courant dit de grille, comme le dit Grégoire.
Pour la 300B, je n'ai pas l'habitude des triodes à chauffage direct et de leur mode de polarisation. Cela dit, au détail près que l'on doit sans doute soustraire les 5V DC du chauffage, ça doit être grosso modo la même approche, à savoir que ta polarisation équivaut à la différence de potentiel entre la cathode et la grille de commande alias g1. Ici, on serait dans les (70+75)/2-5=67,5V. Donc, la polarisation serait de cet ordre, +/- 5V. Si tu regardes les courbes caractéristiques d'une 300B, déjà tu t'aperçois que j'ai dis une connerie dans mon précédent post, car j'ai oublié de retrancher la tension de cathode de celle présente à l'anode pour avoir la véritable tension d'anode à savoir donc : 437-70=367V. Ouf, on est en-dessous du max! Rk=(1500+150)/2=825, et donc Ik=67,5/825=82mA. Par rapport aux courbes de caractéristiques, c'est un peu mou (on s'attendrait plutôt à 100mA). Mais, il faut vérifier mes calculs, pour être sûr que je n 'ai pas commis d'erreurs (ce qui m'arrive hélas, bien souvent)...
Conclusion :
Je dirais qu'il y a un grave soucis au niveau de la 6SN7, et que la 300 est ok.
Première chose à faire, changer de tube pour voir.