L'ordre dans un circuit série : RC = CR ?
- Jean-Baptiste
- G5 constructeur

- Messages : 93
- Enregistré le : 03 août 2010, 2:00
L'ordre dans un circuit série : RC = CR ?
Bonjour à tous,
Je travaille actuellement sur le circuit du Vox AC4. Le tonestack est simplissime : un condo en série avec un potentiomètre câblé en résistance variable qui dirige plus ou moins le signal à la masse. Est-ce que mettre la capa entre le signal et le potentiomètre est équivalent à le mettre entre le potentiomètre et la masse ? Pour moi, c'est la même chose, le tout constituant un circuit RC allant à la masse et je crois pas qu'il n'y ait la moindre différence. Mais je préfère être sûr. Le tout me permettrait simplement de rendre le circuit plus compact, puisque si l'équivalence est avérée, je peux mettre ma capa directement sur entre la carcasse du potentiomètre (ma masse) et les pin 2 & 3.
Merci pour vos réponses.
Je travaille actuellement sur le circuit du Vox AC4. Le tonestack est simplissime : un condo en série avec un potentiomètre câblé en résistance variable qui dirige plus ou moins le signal à la masse. Est-ce que mettre la capa entre le signal et le potentiomètre est équivalent à le mettre entre le potentiomètre et la masse ? Pour moi, c'est la même chose, le tout constituant un circuit RC allant à la masse et je crois pas qu'il n'y ait la moindre différence. Mais je préfère être sûr. Le tout me permettrait simplement de rendre le circuit plus compact, puisque si l'équivalence est avérée, je peux mettre ma capa directement sur entre la carcasse du potentiomètre (ma masse) et les pin 2 & 3.
Merci pour vos réponses.
Re: L'ordre dans un circuit série : RC = CR ?
Bonjour,
Selon la position du condensateur, et du schéma bien sur, tu peux aussi autoriser ou non le continu à aller dans le potentiomètre, ce qu'il faut le plus souvent éviter car cela est sources de bruits parasites.
A plus
François
Selon la position du condensateur, et du schéma bien sur, tu peux aussi autoriser ou non le continu à aller dans le potentiomètre, ce qu'il faut le plus souvent éviter car cela est sources de bruits parasites.
A plus
François
François
Re: L'ordre dans un circuit série : RC = CR ?
Je n'ai pas le schéma sous les yeux mais il me semble que selon si la R ou le C est à la masse, tu obtiens un filtre passe-haut ou passe-bas. Donc, ça a tout de même une importance...
Re: L'ordre dans un circuit série : RC = CR ?
Ah ben oui, je pensais qu'au continu mais selon le schéma ça change tout ^^
François
- bilbo_moria
- Don Bilbo de la Vega
- Messages : 7492
- Enregistré le : 15 déc. 2004, 1:00
- Localisation : Tinteniac (35)
Re: L'ordre dans un circuit série : RC = CR ?
Oui, mais là, dans le schéma de l’AC4, C en série avec le potard en résistance variable sont placés après la capa de couplage, donc pas de continu à craindre. Perso, je tenterai bien « à l’envers » par rapport au schéma, je ne pense pas que ça change grand chose ...
En fait, ce que tu proposes ressemble à la fonction « tone » d’une guitare : résistance variable -> capa -> masse, qui précède le potard de volume puis le jack. Dans le cas de l’AC4, cela précède le potard de volume puis la EL84
(bon, ou alors, il y a un truc que je ne vois pas. Au pire, si le comportement est super bizarre, tu peux revenir au schéma original)
En fait, ce que tu proposes ressemble à la fonction « tone » d’une guitare : résistance variable -> capa -> masse, qui précède le potard de volume puis le jack. Dans le cas de l’AC4, cela précède le potard de volume puis la EL84
(bon, ou alors, il y a un truc que je ne vois pas. Au pire, si le comportement est super bizarre, tu peux revenir au schéma original)
- Jean-Baptiste
- G5 constructeur

- Messages : 93
- Enregistré le : 03 août 2010, 2:00
Re: L'ordre dans un circuit série : RC = CR ?
Bonsoir et merci pour vos réponses,
Effectivement, le tonestack est après la capa de découplage, donc, aucun risque d'y voir du continu. La question du fonctionnement du filtre selon que la capa du tonestack est côté masse ou côté signal demeure. Je vais peut-être tester mon option, et si ça ne convient pas, je reviendrais au design de base.
Effectivement, le tonestack est après la capa de découplage, donc, aucun risque d'y voir du continu. La question du fonctionnement du filtre selon que la capa du tonestack est côté masse ou côté signal demeure. Je vais peut-être tester mon option, et si ça ne convient pas, je reviendrais au design de base.
Re: L'ordre dans un circuit série : RC = CR ?
Bonsoir,
Aurais tu un schéma à tout hasard? Comme ça tu me dis quel composant tu veux inverser et je te dis si ça change quelque chose ou pas
Dans tous les cas, si tu prends le signal au bornes du composant relié à la masse. Si tu mets R puis C (C étant donc relié à la masse), c'est un passe bas.
Si tu mets C puis R (R étant donc relié à la masse), c'est un passe haut.
La fréquence de coupure du filtre sera la même mais son effet sera l'inverse.
A plus
François
Aurais tu un schéma à tout hasard? Comme ça tu me dis quel composant tu veux inverser et je te dis si ça change quelque chose ou pas
Dans tous les cas, si tu prends le signal au bornes du composant relié à la masse. Si tu mets R puis C (C étant donc relié à la masse), c'est un passe bas.
Si tu mets C puis R (R étant donc relié à la masse), c'est un passe haut.
La fréquence de coupure du filtre sera la même mais son effet sera l'inverse.
A plus
François
François
- bilbo_moria
- Don Bilbo de la Vega
- Messages : 7492
- Enregistré le : 15 déc. 2004, 1:00
- Localisation : Tinteniac (35)
Re: L'ordre dans un circuit série : RC = CR ?
En relisant mon post, effectivement, je n’ai pas été super clair.Jean-Baptiste a écrit :Bonsoir et merci pour vos réponses,
Effectivement, le tonestack est après la capa de découplage, donc, aucun risque d'y voir du continu. La question du fonctionnement du filtre selon que la capa du tonestack est côté masse ou côté signal demeure. Je vais peut-être tester mon option, et si ça ne convient pas, je reviendrais au design de base.
Donc, à mon avis, tu peux inverser R et C sans prob.
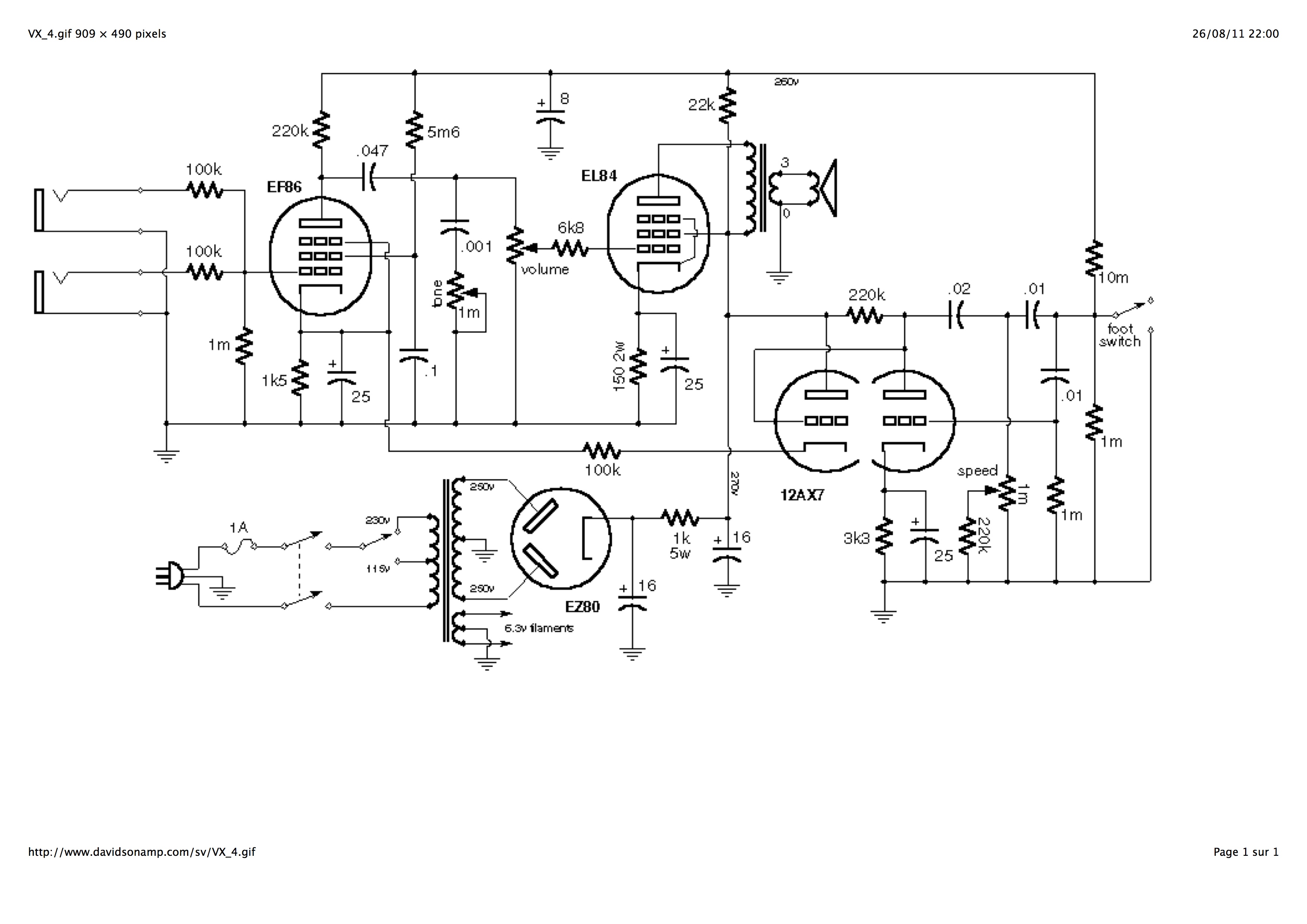
Pour Myn Domos, le schéma :
Re: L'ordre dans un circuit série : RC = CR ?
Règle de base de l'association série de 2 impédances Z1 et Z2 :
D'abord, avec Z1 côté signal et Z2 côté masse : Zeq = Z1 + Z2
Ensuite, avec Z1 côté masse et Z2 côté signal : Zeq = Z1 + Z2
Des questions ?
(les fondamentaux, les gars, les fondamentaux
)
D'abord, avec Z1 côté signal et Z2 côté masse : Zeq = Z1 + Z2
Ensuite, avec Z1 côté masse et Z2 côté signal : Zeq = Z1 + Z2
Des questions ?
(les fondamentaux, les gars, les fondamentaux
Re: L'ordre dans un circuit série : RC = CR ?
Bonjour,
@Bilbo: merci pour le schéma!
Donc, Jean-Baptiste, si tu parles de la capas de 0.001µ mise en série avec le potentiomètre de 1M "Tone", alors tu peux les inverser en effet. Ca ne changera rien niveau réponse fréquentielle.
A plus
François
@Bilbo: merci pour le schéma!
Donc, Jean-Baptiste, si tu parles de la capas de 0.001µ mise en série avec le potentiomètre de 1M "Tone", alors tu peux les inverser en effet. Ca ne changera rien niveau réponse fréquentielle.
A plus
François
François
- willyboy
- G5 bidouilleur

- Messages : 29
- Enregistré le : 15 avr. 2013, 5:53
- Localisation : Trois-Rivières, Canada
Re: L'ordre dans un circuit série : RC = CR ?
Si tes deux composantes sont entre le signal et la masse, ton signal est une tension mesurée aux bornes du potard additionné au condensateur, et ça revient à ce que a-wai a dit : l'ordre n'aura pas d'importance vu la commutativité.
Si par contre ton signal est entre le potard et le condensateur, là l'ordre est important parce que le signal est une tension qui sera mesurée soit sur les bornes du condensateur seulement, soit sur celle du potard seulement, selon le cas, et ne sera pas la même. Tu auras soit un filtre passe-haut, soit un passe-bas.
Si par contre ton signal est entre le potard et le condensateur, là l'ordre est important parce que le signal est une tension qui sera mesurée soit sur les bornes du condensateur seulement, soit sur celle du potard seulement, selon le cas, et ne sera pas la même. Tu auras soit un filtre passe-haut, soit un passe-bas.
"I haven't failed, I've only found 10 000 ways that won't work"
- Thomas Edison -
- Thomas Edison -
- Jean-Baptiste
- G5 constructeur

- Messages : 93
- Enregistré le : 03 août 2010, 2:00
Re: L'ordre dans un circuit série : RC = CR ?
D'accord, merci pour les précisions, je peux donc envisager mon montage sans prévoir de soucis. Je gagnerai un peu en compacité du montage, pouvant monter la capa du tonestack directement sur le potard. Merci à tout.
Re: L'ordre dans un circuit série : RC = CR ?
Vous oubliez que le Z du condensateur est -j/C2w avec w = 2*pi*f. Donc inversement proportionnelle à la fréquence
Donc en fonction de la position du condensateur on sera soit en filtre passe bas soit en filtre passe haut.
Après, oui les fréquences de coupures vont être très proches et du coup ca ne m'étonnerait pas que le résultat soit très proche
Donc en fonction de la position du condensateur on sera soit en filtre passe bas soit en filtre passe haut.
Après, oui les fréquences de coupures vont être très proches et du coup ca ne m'étonnerait pas que le résultat soit très proche
Re: L'ordre dans un circuit série : RC = CR ?
Non, si les 2 sont en série sans que le signal soit prélevé au milieu (comme dans le cas présent), c'est strictement équivalent
Re: L'ordre dans un circuit série : RC = CR ?
Au temps pour moi, j'avais pas regardé l'image :$



