[Reverb 6PG5] Proto #2, ça marche !
Re: [Reverb 6PG5] Proto #2, ça marche !
Quand je clique sur le lien , je ne vois rien ! J'ai toujours su que Facebook et moi ça faisait deux ! 
Sinon pour parler sérieusement la BOM est prête .
Voici la BOM du kit mise à jour avec quelques petites modifs telles que le passage du potentiomètre de MIX/LEVEL en linéaire ... et le remplacement de quelques références obsolètes. J'ai aussi réajusté les puissances sur les résistances là où c'était possible. Les prix ont pris une sacrée gonflette, à quelques petites exceptions près.
Le total est légèrement exagéré ( 308,8 €) car nombre de composants sont disponibles uniquement par lots de 10 ou de 100 et Tube-Town fera sûrement la réduction au minimum nécessaire. Mais la BOM concerne la totalité du kit y compris l'enceinte en bois toute montée.
SI l'on compare au kit de TT actuel de 171.84€ il faut ajouter à ce dernier tous les éléments manquants :
Knobs : 2.40 €
Chassis : 19,17 €
Faceplate : 18.10 €
REVERB TANK : 36.25 €
CAB : 69,14 €
Soit un total de 145,06 € , ce qui met le kit de TT à 316.90 €
Pour avoir une idée approximative de là où on devrait arriver il faudrait à ce prix calculé du kit TT actuel de 316.90 € soustraire le coût du transfo et du tube de puissance dont nous faisons l'économie .
Donc on y va :
EL844 : 18,56 €
OT SE 5W : 37.42 € soit au total 55.98 € . On arriverait donc à 316.90 - 55.98 = 260.92 € tout compris sans compter la réduction des lots.
Dans la même configuration que la reverb TT actuelle notre 6PG5 devrait être vendue autour de : 260.92 - 145.06 = 115,86 € ( à comparer aux 171.84 €)
			
			
									
						
							Sinon pour parler sérieusement la BOM est prête .
Voici la BOM du kit mise à jour avec quelques petites modifs telles que le passage du potentiomètre de MIX/LEVEL en linéaire ... et le remplacement de quelques références obsolètes. J'ai aussi réajusté les puissances sur les résistances là où c'était possible. Les prix ont pris une sacrée gonflette, à quelques petites exceptions près.
Le total est légèrement exagéré ( 308,8 €) car nombre de composants sont disponibles uniquement par lots de 10 ou de 100 et Tube-Town fera sûrement la réduction au minimum nécessaire. Mais la BOM concerne la totalité du kit y compris l'enceinte en bois toute montée.
SI l'on compare au kit de TT actuel de 171.84€ il faut ajouter à ce dernier tous les éléments manquants :
Knobs : 2.40 €
Chassis : 19,17 €
Faceplate : 18.10 €
REVERB TANK : 36.25 €
CAB : 69,14 €
Soit un total de 145,06 € , ce qui met le kit de TT à 316.90 €
Pour avoir une idée approximative de là où on devrait arriver il faudrait à ce prix calculé du kit TT actuel de 316.90 € soustraire le coût du transfo et du tube de puissance dont nous faisons l'économie .
Donc on y va :
EL844 : 18,56 €
OT SE 5W : 37.42 € soit au total 55.98 € . On arriverait donc à 316.90 - 55.98 = 260.92 € tout compris sans compter la réduction des lots.
Dans la même configuration que la reverb TT actuelle notre 6PG5 devrait être vendue autour de : 260.92 - 145.06 = 115,86 € ( à comparer aux 171.84 €)
jptrol 
______________________________________________
			
						______________________________________________
- McColson
- Admin du site 
- Messages : 8030
- Enregistré le : 07 nov. 2004, 1:00
- Localisation : La Celle sur Morin
- Contact :
Re: [Reverb 6PG5] Proto #2, ça marche !
Je vais lui envoyer un mail et voir ce qu'il peut faire.
Il y a aussi le pcb à compter. Si ça reste en dessous de 300€ ça pourrait être cool.
J'ai mis le transfo dans le chassis, et c'est pas mal niveau bruit. il faut déplacer perçage du transfo et supprimer tous les trous de passes-cable.
			
			
									
						
										
						Il y a aussi le pcb à compter. Si ça reste en dessous de 300€ ça pourrait être cool.
J'ai mis le transfo dans le chassis, et c'est pas mal niveau bruit. il faut déplacer perçage du transfo et supprimer tous les trous de passes-cable.
Re: [Reverb 6PG5] Proto #2, ça marche !
19/02
Bien vu . J'ai le PCB. Je vais en monter un de la même manière
EDIT du 31 juillet :
J'ai revu le schéma et mis à jour la BOM avec les composants et les prix :
Sur le schéma maintenant à la version 2.6 j'ai simplement ramené la prise chassis au pied de la dernière capa de filtrage d'alim ( moins de souffle encore qu'en entrée) et surtout passé le potentiomètre de linéaire à logarithmique EDIT : le potentiomètre de tonalité ! ( c'était une erreur de ma part , en linéaire il n'a quasiment aucun effet sur 95% de sa course !!)
Cliquer pour agrandir :

Pour la BOM j'ai repris les composants un à un et corrigé quelques points qui dataient d'une version antérieure du schéma : C13 par exemple . J'ai constaté que les capa de 47µF 450 V étaient quasiment moitié prix des 350 V ! Certainement dû à une prod plus importante. C'est tout bénéfice .
On atteint les 305,13 € , il ne manque que le tolex !
Cliquer pour agrandir :
 
 
A bientôt
			
			
													Bien vu . J'ai le PCB. Je vais en monter un de la même manière
EDIT du 31 juillet :
J'ai revu le schéma et mis à jour la BOM avec les composants et les prix :
Sur le schéma maintenant à la version 2.6 j'ai simplement ramené la prise chassis au pied de la dernière capa de filtrage d'alim ( moins de souffle encore qu'en entrée) et surtout passé le potentiomètre de linéaire à logarithmique EDIT : le potentiomètre de tonalité ! ( c'était une erreur de ma part , en linéaire il n'a quasiment aucun effet sur 95% de sa course !!)
Cliquer pour agrandir :

Pour la BOM j'ai repris les composants un à un et corrigé quelques points qui dataient d'une version antérieure du schéma : C13 par exemple . J'ai constaté que les capa de 47µF 450 V étaient quasiment moitié prix des 350 V ! Certainement dû à une prod plus importante. C'est tout bénéfice .
On atteint les 305,13 € , il ne manque que le tolex !
Cliquer pour agrandir :
 
 A bientôt
					Modifié en dernier par jptrol le 31 août 2025, 17:28, modifié 1 fois.
									
			
						
							jptrol 
______________________________________________
			
						______________________________________________
- McColson
- Admin du site 
- Messages : 8030
- Enregistré le : 07 nov. 2004, 1:00
- Localisation : La Celle sur Morin
- Contact :
Re: [Reverb 6PG5] Proto #2, ça marche !
Merci bcp jptrol pour la MAJ, j'étais complètement débordé entre mai et juillet !
On a choisi de partir sur le chassis 018 de chez TT, il sera donc brut, à percer soit même, mais il y a la prise 220V prédécoupée, c'est le plus chiant en fait. On proposera aussi les faceplates via l'APLAI.
Voilà je crois qu'on va partir là dessus pour le kit.
			
			
									
						
										
						On a choisi de partir sur le chassis 018 de chez TT, il sera donc brut, à percer soit même, mais il y a la prise 220V prédécoupée, c'est le plus chiant en fait. On proposera aussi les faceplates via l'APLAI.
Voilà je crois qu'on va partir là dessus pour le kit.
Re: [Reverb 6PG5] Proto #2, ça marche !
En fait j'avais chez moi le chassis 015 prépercé et non fermé . J'ai monté mon exemplaire avec et j'ai trouvé le montage très facile : seuls sont à percer les 6 trous pour le PCB et le trou de fixation du transfo 220 V. Les autres trous inutiles peuvent être laissés en l'état . Ton idée , Matthieu, de mettre le transfo à l'intérieur est excellente , le hum a quasiment disparu . EDIT : j'ai parlé trop vite , si on monte le niveau de réverb le hum se présente progressivement , surtout si on veut faire de la surf music ! Je vais faire une mesure sérieuse du rapport S/B ou plutôt S-B / B.McColson a écrit : 31 juil. 2025, 23:18
On a choisi de partir sur le chassis 018 de chez TT, il sera donc brut, à percer soit même,
EDIT : il faut cependant veiller à avoir une terre de bonne qualité sinon le hum présente un risque d'être bien présent !!
 
 CPA = cliquer pour agrandir

Attention pour les faceplates c'est un proto en papier scotché !
J'ai résolu aussi le pb de l'écrou en cage à droite en laissant libre le trou supérieur droit : on n'utilise que 3 trous. Avec ce chassis on a le perçage prêt pour le switch et 3 pot de 24 mm au lieu des 16 mm prévus dans la BOM.
CPA
 
 Et le son est super , tout à fait conforme à ce qu'on en attendait ici :
Disons qu'en conclusion provisoire le choix du chassis prépercé 015 me semble un véritable plus , étant vendu (légèrement) moins cher car il n' y a pas la plaque de fermeture qui me semble d'ailleurs inutile , le chassis étant ouvert vers le haut et le reverb tank étant en-dessous.
					Modifié en dernier par jptrol le 21 sept. 2025, 20:41, modifié 2 fois.
									
			
						
							jptrol 
______________________________________________
			
						______________________________________________
- McColson
- Admin du site 
- Messages : 8030
- Enregistré le : 07 nov. 2004, 1:00
- Localisation : La Celle sur Morin
- Contact :
Re: [Reverb 6PG5] Proto #2, ça marche !
Pas mal l'idée de décalé la prise Input, de toute façon il faut refaire les façades ! Tu as une photo de l'intérieur pour voir ce que ça donne ?
			
			
									
						
										
						- McColson
- Admin du site 
- Messages : 8030
- Enregistré le : 07 nov. 2004, 1:00
- Localisation : La Celle sur Morin
- Contact :
Re: [Reverb 6PG5] Proto #2, ça marche !
Si tu as besoin de faceplates, l'APLAI peut te les faire 
			
			
									
						
										
						
Re: [Reverb 6PG5] Proto #2, ça marche !
Alors les photos :McColson a écrit : 02 sept. 2025, 15:18 Pas mal l'idée de décalé la prise Input, de toute façon il faut refaire les façades ! Tu as une photo de l'intérieur pour voir ce que ça donne ?
L'intérieur dépouillé : tout sauf les deux tubes et le tank est dans le chassis !

Remarquez aussi le tank plus que vintage : il date de la grande époque où Accutronics était encore aux US ( acheté d'occaz à A-Waï)
Le PCB : j'ai monté les composants que j'avais et pas forcément les références de la BOM ( mais ce sont les bonnes valeurs !)

Montage intérieur :

Pour la sortie du tank j'ai mis du blindé . Ci-dessus le câble blanc dans le fond relie le blindage au chassis.

Pour les faceplates je suis partant . Comment fait-on ? On adopte les mêmes conventions que TT ? Traits à couper = épaisseur < 0.15 mm ? Conversions des textes en courbes ?
jptrol 
______________________________________________
			
						______________________________________________
- McColson
- Admin du site 
- Messages : 8030
- Enregistré le : 07 nov. 2004, 1:00
- Localisation : La Celle sur Morin
- Contact :
Re: [Reverb 6PG5] Proto #2, ça marche !
Oui tout doit être vectorisé, en rouge pour la découpe, et en noir pour tout ce que est remplissage (écriture, graphisme, graduation etc...)
			
			
									
						
										
						Re: [Reverb 6PG5] Proto #2, ça marche !
Bon alors , après moult tests , je me rends compte que le proto n'est pas acceptable en l'état.  Si on se contente de l'essai que j'avais fait en fait avec le pot de MIX sur 3 ou 4 , alors oui , ça fonctionne sans être gêné par la ronflette , mais déjà à mi-course elle est bien présente et à fond elle est carrément horrible !   
 
Elle se manifeste en sortie du tank ( très sensible car le signal audio utile n'est que de 5 mVRMS ) .
Ce qui intrigue c'est que pratiquement le même schéma est utilisé en version ADD-ON sur le G5-20th et une autre ampli que j'ai fait et là , sans aucun problème .
J'ai fait des essais en éloignant le tank du chassis sans réussir à réduire le hum , donc on peut penser que le champ magnétique du PT n'est pas en cause.
Une autre cause peut être les boucles de masse : ici j'ai sorti le grand jeu - ground lift puis j'ai reconstitué le schéma de la 6G15 RI ici :

avec les 15 ohms aux pot brackets et les diodes tête-bêche en parallèle d'une autre 15 ohms . Merlin Blencowe a fait dans son bouquin sur les preamps un chapitre 15 dédié au "grounding" , très complet et très intéressant. Comme ce chapitre est téléchargeable sur son site ( the Valvewizard) il est donc dans le domaine public. J'ai commencé à le traduire en français pour le site ici , à rajouter dans nos articles ! On y trouve notamment que le plan de masse adopté sur notre PCB n'est pas ici une bonne idée mais je suis certain que ce n'est pas lui qui est en cause.
Bref , en résumé, il ne semble pas y avoir de problème de masse.
Reste ? Et c'est ce qui distingue ce montage de celui intégré au G5-20th , .... le filtrage de l'alim ! On voit que la RI ci-dessus intègre une self de filtrage. Il faut que j'investigue là-dessus.
			
			
									
						
							 
 Elle se manifeste en sortie du tank ( très sensible car le signal audio utile n'est que de 5 mVRMS ) .
Ce qui intrigue c'est que pratiquement le même schéma est utilisé en version ADD-ON sur le G5-20th et une autre ampli que j'ai fait et là , sans aucun problème .
J'ai fait des essais en éloignant le tank du chassis sans réussir à réduire le hum , donc on peut penser que le champ magnétique du PT n'est pas en cause.
Une autre cause peut être les boucles de masse : ici j'ai sorti le grand jeu - ground lift puis j'ai reconstitué le schéma de la 6G15 RI ici :

avec les 15 ohms aux pot brackets et les diodes tête-bêche en parallèle d'une autre 15 ohms . Merlin Blencowe a fait dans son bouquin sur les preamps un chapitre 15 dédié au "grounding" , très complet et très intéressant. Comme ce chapitre est téléchargeable sur son site ( the Valvewizard) il est donc dans le domaine public. J'ai commencé à le traduire en français pour le site ici , à rajouter dans nos articles ! On y trouve notamment que le plan de masse adopté sur notre PCB n'est pas ici une bonne idée mais je suis certain que ce n'est pas lui qui est en cause.
Bref , en résumé, il ne semble pas y avoir de problème de masse.
Reste ? Et c'est ce qui distingue ce montage de celui intégré au G5-20th , .... le filtrage de l'alim ! On voit que la RI ci-dessus intègre une self de filtrage. Il faut que j'investigue là-dessus.

jptrol 
______________________________________________
			
						______________________________________________
- 
				Rimlock
- G5 guru 
- Messages : 1172
- Enregistré le : 17 juil. 2018, 19:48
- Localisation : pas trop loin de l'Océan
Re: [Reverb 6PG5] Proto #2, ça marche !
Il faut aussi vérifier que ça ne vient pas de la connexion de masse des cinches In et Out du tank. Sur certains tanks il y a un petit pont de soudure sur la plaquette de CI des prises. Ponter le Out seul, puis le In seul, puis les deux et voir ce qui donne le meilleur résultat. Très souvent c'est en pontant que le Out qui est le mieux.
			
			
									
						
							Et de deux ! Merci les Bleus 
			
						
Re: [Reverb 6PG5] Proto #2, ça marche !
Je reviens sur le problème du condensateur Silver Mica C12 exposé à la HT de façon permanente, ce qui n'est pas bon pour sa survie (voir la discussion ici viewtopic.php?p=106003#p106003) et pour lequel il serait prudent d'intervenir.
Cela imposerait cependant de modifier le PCB.
Attendons le résultat des investigations de jptrol sur la ronflette pour savoir si le PCB nécessite d'autres retouches...
EDIT;
Pas critique... on pourrait monter à 1nF (ou 500pF avec deux 1nF en série) ?
EDIT 2:
			
			
									
						
							Cela imposerait cependant de modifier le PCB.

Attendons le résultat des investigations de jptrol sur la ronflette pour savoir si le PCB nécessite d'autres retouches...
EDIT;
A moins que l'on puisse tout simplement se passer de Silver Mica...
Pas critique... on pourrait monter à 1nF (ou 500pF avec deux 1nF en série) ?
EDIT 2:
Je pensais à du polypropylène qui débute à 1nF, mais avec du styroflex qui couvre la gamme des pF, le problème est réglé !

dilet
			
						Re: [Reverb 6PG5] Proto #2, ça marche !
Rimlock a écrit : 21 sept. 2025, 23:49 Il faut aussi vérifier que ça ne vient pas de la connexion de masse des cinches In et Out du tank. Sur certains tanks il y a un petit pont de soudure sur la plaquette de CI des prises. Ponter le Out seul, puis le In seul, puis les deux et voir ce qui donne le meilleur résultat. Très souvent c'est en pontant que le Out qui est le mieux.
Ceci est précisé dans la nomenclature des tanks : sur ceux qui se terminent en C1B comme ici ( par ex 8EB2C1B ) , le C signifie que seule la sortie est connectée au 0 volt et l'entrée est en l'air ( prévue pour le secondaire du transfo absent ici). Mais comme nous nous passons de transfo les deux sont connectés au 0V et sans que le problème vienne de là , AMHA.
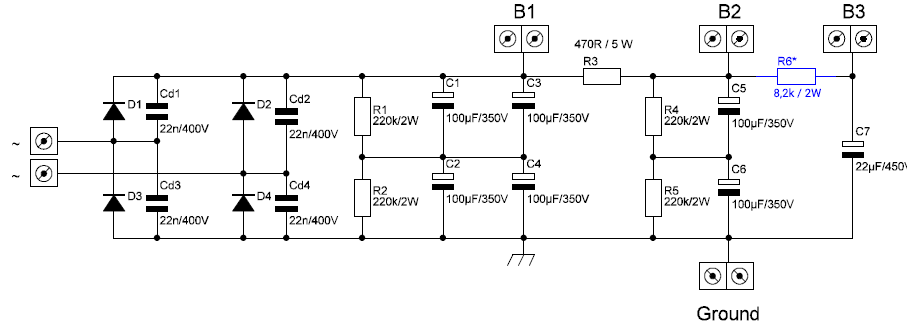
En fait je constate que j'ai été très léger en matière de filtrage d'alimentation quand on compare avec la reverb de TT qui utilise le même transfo :dilet a écrit : 22 sept. 2025, 0:07 Je reviens sur le problème du condensateur Silver Mica C12 exposé à la HT de façon permanente, ce qui n'est pas bon pour sa survie (voir la discussion ici viewtopic.php?p=106003#p106003) et pour lequel il serait prudent d'intervenir.
Cela imposerait cependant de modifier le PCB.
Attendons le résultat des investigations de jptrol sur la ronflette pour savoir si le PCB nécessite d'autres retouches...
EDIT;A moins que l'on puisse tout simplement se passer de Silver Mica...
Pas critique... on pourrait monter à 1nF (ou 500pF avec deux 1nF en série) ?
EDIT 2:Je pensais à du polypropylène qui débute à 1nF, mais avec du styroflex qui couvre la gamme des pF, le problème est réglé !
Bien sûr ils utilisent leur kit prévu pour une tension bien supérieure et toutes sortes de situations :
- 22n/400V = filtrage des radio fréquences et bruits aux bornes des diodes
- 100 µF / 700V
- 470 ohms
- 50 µF /700V
- 8k2
- 22µF /450V
- 47µF / 450V
- 1k2
- 47µF / 450V
- 1k8
- 47µF / 450V
En gros 172 µF et 8k7 contre 141 µF 3k ! Il n'y a pas photo
Je vais tester une solution et aussi optimiser la capa de la sortie WET , il n'est pas sûr que la valeur de 250p de Fender soit la plus appropriée. N'oublions pas que pour le kit il faut faire avec ce que vend TT, donc sans styroflex ( j'en ai dans mes cartons mais je ne peux donc pas m'en servir !
 On relance LTSpice !
  On relance LTSpice !jptrol 
______________________________________________
			
						______________________________________________
Re: [Reverb 6PG5] Proto #2, ça marche !
A ce niveau-là, on peut améliorer le filtrage en remplaçant les 1N4007 par des diodes rapides UF4007.jptrol a écrit :22n/400V = filtrage des radio fréquences et bruits aux bornes des diodes
M. Blencowe indique une diminution notable des pics de commutation, meilleure qu'avec l'ajout de capas en parallèle des diodes "normales".
Correction sans retouche du PCB et UF4004 (400V) disponibles chez TT à défaut des UF4007 (1000V)

Même si ce n'est pas là que se situe a priori le gros du problème...
EDIT:
Il va être difficile de passer à du 100µF / 450V (chez TT du moins) car le diamètre devient trop important pour le PCB actuel: 22mm contre 16mm, surtout pour C2 qui est très proche des diodes de redressement.jptrol a écrit :- 100 µF / 700V
- 470 ohms
- 50 µF /700V
- 8k2
- 22µF /450V
A rapprocher de nos :
- 47µF / 450V
- 1k2
- 47µF / 450V
- 1k8
- 47µF / 450V

Avec du 100µF / 350V (toujours chez TT) on est à 18mm: ça rentrerait tout juste.
dilet
			
						Re: [Reverb 6PG5] Proto #2, ça marche !
En fait en passant R10 de 1k5 à 3k3 et R12 de 1k8 à 10k  le hum redescend à un niveau acceptable même à fond et avec une tension de 192 V . La 6PG5 est prête pour la surf music !
Pour la capa de 250p , j'ai testé sous LTSpice avec un modèle de tank 8F , en enregistrant une Telecaster directement sur la carte son et en envoyant le fichier wave en entrée du circuit LTSpice . On récupère avec la directive .wave un fichier wave résultat. Il n'y a pas photo : le meilleur son est obtenu avec la 250p. Au-dessus de cette valeur , les mediums se montrent encombrants .
De ce fait on supprime C13 et on utilise un SPDT au lieu d'un DPDT car la 250p sert pour les deux modes : série et parallèle.
Pour le moment je n'ai pas modifié le PCB :
			
			
									
						
							Pour la capa de 250p , j'ai testé sous LTSpice avec un modèle de tank 8F , en enregistrant une Telecaster directement sur la carte son et en envoyant le fichier wave en entrée du circuit LTSpice . On récupère avec la directive .wave un fichier wave résultat. Il n'y a pas photo : le meilleur son est obtenu avec la 250p. Au-dessus de cette valeur , les mediums se montrent encombrants .
De ce fait on supprime C13 et on utilise un SPDT au lieu d'un DPDT car la 250p sert pour les deux modes : série et parallèle.
Pour le moment je n'ai pas modifié le PCB :
jptrol 
______________________________________________
			
						______________________________________________



 ..::
 ..:: 
