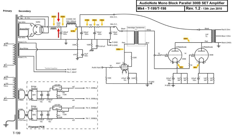
Quand ensuite on considère qu'on a besoin de 160Vcc pour alimenter la grille de la 300B on se demande pourquoi on choisirait une 6SN7
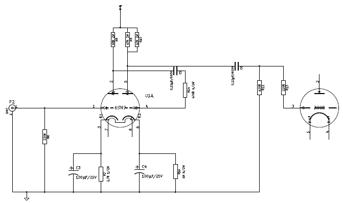
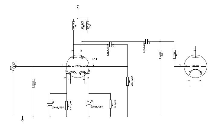
Donc première 6SN7 B+ = 415V, Rload = 68k 2W Rk = 2,7k (Ik = 3mA)
Puis un condensateur de liaison 220nF, 470k de grille et deuxième 6SN7:
B+ = 415V, Rload = 23,5k (2 × 47k 2W en //), Rk = 1k
Puis un condensateur de liaison 220nF, 220k de grille et 300B
Maintenant on a trop de gain ... il faudrait une petite CR locale
Pour finir de passer pour un grincheux, un montage en single ended même s'il paraît plus simple aux débutants est un piège. Il nécessite une alimentation parfaitement silencieuse et maîtrisée et ne pardonne aucune erreur d'implémentation la punition étant tout simplement des bruits -- bzzzzz, mhhhhhh, shhhhhh, crrrrrrr -- désagréables dans les enceintes. La 300B nécessite de manipuler des tensions élevées pour un rendement pas terrible avec un déficit dans les basses dû au transfo de sortie (je met le sujet du prix des tubes et des transfo de coté). Enfin, ceux qui vantent (ventent) le fruité du médium de ce tube ont sûrement des pavillons à très haut rendement assorti à une ouïe bio-ionique car sur tous les systèmes où il m'a été donné d'en écouter, je n'ai pas perçu de différence avec d'autres amplis aux tubes n'ayant pas la réputation d'avoir une bonne réputation mais dont les schémas étaient irréprochables et la réalisation über soignée.
Amicalement,
Grégoire



