Amicalement,
Grégoire

Absolument, ça fonctionne étonnamment bien ! J'adorerais voir plein de projets l'utilisant, wait & seeMcColson a écrit : 12 févr. 2019, 20:17Bon ce petit module d'alim me paraît parfait pour sortir qq projets de préampli au format pédale !
Je fais dans la finesse, comme toujours, tu le sais

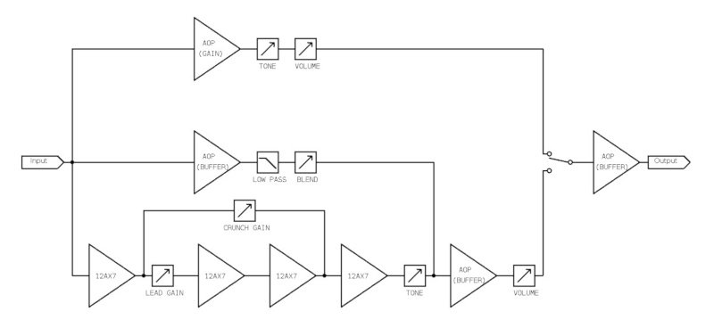
Moui bof, l'idée était justement de mixer à loisir les 2 signaux (crunch et lead), et un potar stéréo ne permet pas de les doser individuellement.McColson a écrit : 13 févr. 2019, 23:05 Avec un potar stéréo tu pourrais gagner de la place, par exemple en groupant gain 1 et gain 2. Ton schéma n'est pas complet dans la page 1, du coup j'ai du mal à imaginer les mods possibles.
Chiant, et pas super simple a trouver, surtout quand tu as un besoin précis (en l'occurrence 16mm, montage PCB, axe 6.3mm, valeur 500k log, et de préférence pas cher).McColson a écrit : 13 févr. 2019, 23:05Sinon potentiomètre concentrique gain 1/2 ?! Mais bon c'est chiant...
Sur aliexpress, y'en a aussi sur eBay. À noter que j'ai une sorte de clone "cheap" (oui, les chinois se mettent même à faire des version low-cost de modules déjà low-cost), la version "originale" est un poil plus chère et supposément meilleure, notamment au niveau du courant qu'elle peut délivrer...
C'est vrai aussi, du coup histoire de ne pas réfléchir tout seul j'ai lancé un sondage sur ma page FB, ça penche nettement en faveur du "volume clean et pas de master" pour l'instant... Je ferai de même pour le "depth"/"bass boost"Pote Gui a écrit : 14 févr. 2019, 8:52 Moi, j'aime pas les boutons; moins y'en a, mieux je me porte. (...) Après, en phase de proto on est souvent un peu euphorique devant un nouveau projet très ouvert, et donc on a tendance à vouloir en mettre un peu de partout. Faut laisser décanter...
Ça je l'avais déjà testé sur une pédale d'OD à transistors pour basse, et ça amenait un vrai plus, donc là ça me parait tout autant intéressant... On verra selon les réponses au sondage à ce sujet que je lancerai surement ce week-endPote Gui a écrit : 14 févr. 2019, 8:52Pour ce qui est du mix des basses, ben essaye et tu verras si ça apporte qqchose ou pas.


Une manière polie de nous dire qu'on est des quiches ou des grosses feignasses... Je retiens, je retiensmais au fond c'est pas sorcier hein
