Reverb: implantation dans le G5 d'une reverb de type Fender

Variante du G5 avec une réverbe.
Avatar du membre
McColson
Admin du site
Admin du site
Messages : 8030
Enregistré le : 07 nov. 2004, 1:00
Localisation : La Celle sur Morin
Contact :

Re : Reverb: implantation dans le G5 d'une reverb de type Fe

Message non lu par McColson »

Réverbe de type Reverb Unit ?
J'ai jamais fait le teste mais ça doit pouvoir oui.
Balance un schéma.
Avatar du membre
matchoucampos
G5 bidouilleur
G5 bidouilleur
Messages : 15
Enregistré le : 10 mai 2008, 2:00

Re : Reverb: implantation dans le G5 d'une reverb de type Fe

Message non lu par matchoucampos »

Heu c'étais plus une question en fait... es ce que c'est possible de faire un montage reverb du même type que celui présent sur ce poste mais en mettant celà dans la boucle d'effet? C'est juste pour ne pas avoir à retoucher le kit de base du G5. Je ne sais pas si c'est possible mais ça pourrait peut être interressé pas mal de monde. Une sorte de pédale de reverb à lampe :D .
Je ne connais pas du tout le fonctionnement des reverb et les montages qu'il y a autour donc c'est difficile pour moi de faire un schéma ou même de savoir si c'est possible de le faire à partir du schéma existant.
Avatar du membre
McColson
Admin du site
Admin du site
Messages : 8030
Enregistré le : 07 nov. 2004, 1:00
Localisation : La Celle sur Morin
Contact :

Re : Reverb: implantation dans le G5 d'une reverb de type Fe

Message non lu par McColson »

Ah bah ici tu es sur un site de DIY, alors n'hésite pas à lire toutes les infos, à apprendre tout ce que tu peux, et ensuite tu pourra répondre et surtout mettre en pratique tes réflexions. C'est le but du site, on t'aidera, mais personne ne fera le boulot à ta place. Donc à toi de te mettre à niveau en dévorant le forum et les liens etc...
Et puis fait une petite recherche, y'a un projet dans le genre qq part en cours en plus !!
Avatar du membre
matchoucampos
G5 bidouilleur
G5 bidouilleur
Messages : 15
Enregistré le : 10 mai 2008, 2:00

Re : Reverb: implantation dans le G5 d'une reverb de type Fe

Message non lu par matchoucampos »

Je voudrais quelques renseignements suplémentaires avant de me lancer dans la modification de mon G5 pour intégrer une reverb.
J'ai une question bête mais comment choisir le type de condensateur (mika, orange drop...) en fonction d'un schéma?
Es ce que c'est juste une question de prix?

Es ce que le tank de la reverb doit être éloigné le plus possible des transfos? J'aimerai monter tous celà dans une tête et avant de commencer je regarde où loger tous ça!

Pour des questions sur les améliorations du G5 il faut poster où?

Merci
Avatar du membre
peterpouch
G5 optimiseur
G5 optimiseur
Messages : 105
Enregistré le : 14 août 2008, 2:00
Localisation : Allauch

Re : Reverb: implantation dans le G5 d'une reverb de type Fe

Message non lu par peterpouch »

L'ajout d'une réverb au G5 reverb ne pose pas de problème particulier. Les condensateurs que j'ai utilisé sont en général des Orange Drop sauf pour les condos de liaison qui sont des Mallory.
Le tank de réverb se positionne généralement horizontalement sauf quelques rares références qui peuvent se loger à la verticale.
Il faut bien isoler le tank des des vibrations éventuelles par des silent blocks ou des pieds en caoutchouc.
Avatar du membre
Jaco
G5 optimiseur
G5 optimiseur
Messages : 212
Enregistré le : 07 janv. 2008, 1:00
Localisation : Pacy sur Eure/Chateauroux

Re : Reverb: implantation dans le G5 d'une reverb de type Fe

Message non lu par Jaco »

Salut matchoucampos
Tu peux aller zieuter mon projet qui n'est pas tout a fait encore au point pour la partie boost mais pour la réverbe ça fonctionne pas trop mal. J'ai cependant un ptit correctif a apporter au schéma j'essaierais de le faire ce w end. Mais je suis super débordé entre les exam qui arrivent et les élèves pas prêt.
viewtopic.php?t=1755&start=135

Par contre on ne touche effectivement pas au G5 original (sauf pour l'alim) mais les points de raccordement ne sont pas ceux de la boucle prévu au G5.
Si ça t'interresse :arrow:
Avatar du membre
dymo
G5 optimiseur
G5 optimiseur
Messages : 315
Enregistré le : 07 mars 2007, 1:00
Localisation : Joué les Tours 37
Contact :

Re : Reverb: implantation dans le G5 d'une reverb de type Fe

Message non lu par dymo »

Salut,
Tu peux aussi aller voir mon shéma

Schéma Reverb G5 Dymo

Cà fonctionne parfaitement !

Bon courage
Site de mon groupe : http://www.racocosband.fr
Avatar du membre
FloRal77
G5 optimiseur
G5 optimiseur
Messages : 149
Enregistré le : 02 avr. 2007, 2:00

Re : Reverb: implantation dans le G5 d'une reverb de type Fe

Message non lu par FloRal77 »

Bonjour,
Belle réalisation.

Une chose me chagrine, utiliser un transfo adaptateur d'impédance ( 15a20b ou 1750A) ayant du 8 Ohm au secondaire pour attaquer une unité de reverb ayant un primaire à 800 Ohm (8eb2c1b) c'est un peu risqué pour l'ECC81 qui voit non pas 22k mais bcp bcp plus .
J'ai également fait un montage avec le même tank et le même transfo.
Ayant rencontré pas mal de problème j'ai laissé tombé pour le moment.
:cry:
Mais voir vos posts me remotive , je vais sans doute m'y remettre demain :wink:

http://floral77jem.free.fr/Ampli/Schema ... b%20v3.bmp
Avatar du membre
peterpouch
G5 optimiseur
G5 optimiseur
Messages : 105
Enregistré le : 14 août 2008, 2:00
Localisation : Allauch

Re : Reverb: implantation dans le G5 d'une reverb de type Fe

Message non lu par peterpouch »

Bonsoir,
Je n'ai rencontré aucun problème avec ce schéma qui est la copie conforme de ce que reéalise fender sur ses amplis.
Avatar du membre
PM_G5
G5 optimiseur
G5 optimiseur
Messages : 129
Enregistré le : 15 mai 2013, 16:47

Re: Reverb: implantation dans le G5 d'une reverb de type Fen

Message non lu par PM_G5 »

Bonjour.

Tout neuf sur le forum.

J'aimerai implanter la réverb sur autre ampli guitare et pour cela j'aimerai savoir quelles sont les tension au niveau de l'alim en A+ et C+?

Merci d'avance

Cordialement

Pascal
Pascal
Avatar du membre
bilbo_moria
Don Bilbo de la Vega
Messages : 7460
Enregistré le : 15 déc. 2004, 1:00
Localisation : Tinteniac (35)

Re: Reverb: implantation dans le G5 d'une reverb de type Fen

Message non lu par bilbo_moria »

Si tu parles des tensions au sein du G5, je te conseille de télécharger le manuel de construction du G5, là http://www.projetg5.com/projets/g5

Bon courage pour ton projet !
Avatar du membre
PM_G5
G5 optimiseur
G5 optimiseur
Messages : 129
Enregistré le : 15 mai 2013, 16:47

Re: Reverb: implantation dans le G5 d'une reverb de type Fen

Message non lu par PM_G5 »

Bonjour

Merci.

En fait, je l'ai depuis longtemps mais parcouru en diagonale car je ne savais pas su je faisais un G5 ou un autre ampli.
Je n'avais donc pas fait attention au tableau des valeurs de tension.

Encore merci.

Pascal
Pascal
alamature
G5 constructeur
G5 constructeur
Messages : 54
Enregistré le : 29 mai 2019, 9:23

Re: Reverb: implantation dans le G5 d'une reverb

Message non lu par alamature »

Bonjour à toutes et à tous !
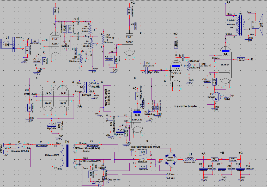
Après avoir fabriqué un G5 qui fonctionne bien ,je me lance dans la fabrication d'un G5 pro réverb.
Je me suis basé sur les infos de Peterpouch pour établir un schéma et une liste des composants .(incomplète bien sur!)
Si quelqu'un pouvait jeter un oeil sur mon travail et me dire si cela tient la route ?
En pièces jointes :un schéma et la liste des composants.
Merci pour votre aide !
alamature
Schéma G5 proréverb.png
Liste composants G5 proreverb.png
Je me pose des questions sur le sens de montage du driver Tr3.
Peterpouch a mis le vert en haut alors que la doc indique le noir .
1750A.png
Pour l'entrée c'est ok.
Avatar du membre
Mikka
G5 Team
G5 Team
Messages : 2590
Enregistré le : 03 avr. 2006, 2:00
Localisation : Valhöll
Contact :

Re: Reverb: implantation dans le G5 d'une reverb de type Fender

Message non lu par Mikka »

Le schéma me semble ok.

Pour le sens du transfo driver de reverb normalement le vert est à la masse sauf si tu rencontres un problème de phase qui pourrait créer de l'auto-oscillation. A voir au premier test.
alamature
G5 constructeur
G5 constructeur
Messages : 54
Enregistré le : 29 mai 2019, 9:23

Re: Reverb: implantation dans le G5 d'une reverb de type Fender

Message non lu par alamature »

OK ! Merci pour la réponse .
Une autre question ! Est-il possible de couper instantanément la réverb ,pour se retrouver avec un G5 classique ?
Un inter entre R3-C7 et R29-R30 .
cordialement
Répondre