Sound thunder 90

Pour la conception et la réalisation de vos amplis.
martin_rotsey
G5 optimiseur
G5 optimiseur
Messages : 163
Enregistré le : 05 juin 2015, 10:56

Re: Sound thunder 90

Message non lu par martin_rotsey »

Pour le bandeau, je confirme : il est bien au dessous d'origine.
IMG_7732.JPG
Mon exemplaire a bien morflé. Je lui referai une caisse en pin 15mm quand j'aurai le temps. L'agglo ça sert à rien et c'est lourd. :roll:
Pour l'anecdote, je l'ai acheté à Amiens.

Le préampli est séparé sur cet appareil. Tu peux très bien avec un transfo d'alimentation adéquat ne garder que le préamp. Ou remplacer l'étage de puissance + déphaseur par n'importe quel autre.

Pour les montages en EL504, il y a aussi le fait que ces tubes demandent beaucoup de courant et donc des transfos énormes. Le genre de transfo qui ne se trouve pas à tous les coins de rue. Bref, moins pratique que 6L6 ou EL34.
heyveno
G5 bidouilleur
G5 bidouilleur
Messages : 45
Enregistré le : 16 nov. 2021, 10:07

Re: Sound thunder 90

Message non lu par heyveno »

Lol la Picardie serait la plaque tournante des Sound mourants. :ange:

Dingue j'en ai jamais trouvé, j'ai du aller le chercher en RP.

En même temps avec tous les orchestres de balloche qu'il y avait "dans le temps" il y a du en avoir un paquet en circulation, je suis même étonné qu'on en voit si peu en annonce.

En effet le préamp est physiquement séparé. Pour le moment je vais "finir" ma section de puissance d'origine, mais je garde dans un coin de ma tête la possibilité de l’alléger dans tous les sens du terme. Une puissance de 20 watts me suffirait largement.
martin_rotsey
G5 optimiseur
G5 optimiseur
Messages : 163
Enregistré le : 05 juin 2015, 10:56

Re: Sound thunder 90

Message non lu par martin_rotsey »

heyveno a écrit : 22 nov. 2021, 9:46 Pour le moment je vais "finir" ma section de puissance d'origine,
Est-ce que ça t'intéresse ?
IMG_8068.JPG
IMG_8069.JPG
IMG_8070.JPG

Je l'avais remis en ordre de marche avant de me rendre compte que le transfo de sortie avait un défaut d'isolation entre les enroulements. :crazy

Juste la plaque, hein !?!
Le châssis, je le garde pour le futur étage de puissance.

Et le transfo d'alimentation, je vais le revendre sur le bon angle. Histoire de tourner la page.
heyveno
G5 bidouilleur
G5 bidouilleur
Messages : 45
Enregistré le : 16 nov. 2021, 10:07

Re: Sound thunder 90

Message non lu par heyveno »

non je te remercie, assez bizarre d'ailleurs ma section de puissance à moi n'est pas sur pcb
puissance sound.jpg
Avatar du membre
ChopSauce
G5 guru
G5 guru
Messages : 592
Enregistré le : 17 juin 2013, 22:05
Localisation : So Paris

Re: Sound thunder 90

Message non lu par ChopSauce »

C'est vrai qu'il est bien sympa/old'school le tien ... :good:
(sans parler de la façade en "état concours")

Tu en es où de tes réflexions, au sujet de cet ampli, alors ?

Je crois que je serais tenté de garder la section de puissance inchangée à ta place. Il y a juste cette histoire de transformateur avec sortie en 12 Ohms. C'est bizarre ... tu l'as mesuré ?
martin_rotsey
G5 optimiseur
G5 optimiseur
Messages : 163
Enregistré le : 05 juin 2015, 10:56

Re: Sound thunder 90

Message non lu par martin_rotsey »

Ha oui, sympa le câblage du tiens.
Pour la plaque du mien, je n'en sais que faire. Si tu changes d'avis, elle te couteras le prix de l'envoi ou une mousse si je passe par rue de Cagny d'ici là.
Pour le transfo de sortie, effectivement le mieux est de mesurer.
12 ohms, c'est pas catastrophique, dans le pire des cas. Il y a plein de solutions.
heyveno
G5 bidouilleur
G5 bidouilleur
Messages : 45
Enregistré le : 16 nov. 2021, 10:07

Re: Sound thunder 90

Message non lu par heyveno »

Merci pour le PCB, mais je pense que tu devrais le garder pour un prochain forumer dans la panade ( ceci dit on peut boire une mousse quand même :dance: )

Sinon pour répondre en "j'en suis où" de chopsauce ( merci d'ailleurs de m'aider sur les différents forums, en français c'est plus pratique quand même) :
-esthétiquement ( osef mais bon) : je vais encore refaire ou retoucher le tolex car il y a eu un problème avec la colle ou le simili qui s'est rétracté trop fort par endroits, et il faut que je me fasse le cab assorti( bien envie d'essayer le valchromat), et puis peut être changer l'ampoule...

-électroniquement, je suis un perdu, je vais commencer par le réviser car il crachouille et mettre un master volume,une boucle et un switch pour mettre les canaux en cascade, Mais à part ça...ça m’embête le canal basse ne me sert vraiment pas. A moins que je l'utilise comme une "boucle" ou un second ampli en y insérant que les effets de modulations ( tiens jamais essayé).

Si des idées de modes qui vous viennent ? ( de toute façon j'ai des trous dans la façade à combler), je suis preneur aussi de "que faire de ma sortie Ground" à l’arrière format jack.


Je vais mesurer, le transfo de sortie pour le moment je me fie aux relevés de l'ancien proprio.

Je suis trop light pour savoir encore quoi en faire ni même apprécier sa compatibilité, mais je suis là pour ça.

J'ai ça de coté tout neuf :https://www.tubeampdoctor.com/en/output ... m205c-215c.
Avatar du membre
ChopSauce
G5 guru
G5 guru
Messages : 592
Enregistré le : 17 juin 2013, 22:05
Localisation : So Paris

Re: Sound thunder 90

Message non lu par ChopSauce »

A priori, comme ça, dans l'absolu, je pense je serais tenté de me servir du canal basse en //, pour enrichir le son, dans le principe du treble & bass (ou du moins l'idée que je m'en fais) mais je ne suis pas toi.

Si tu es prêt à virer le PCB et tout remonter (quelle que soit la technique choisie) tu peux envisager de copier à peu près n'importe quel préampli qui ait le même nombre de lampes, je dirais.

Sinon c'est ajuster les canaux existants pour avoir quelque chose de plus à ton goût.

Excuses-moi au fait mais je croyais que tu avais déjà plus de bagage que moi - qui voyage léger au "rayon" théorie des lampes - et comme je te sens là, je ne peux que te conseiller de lire http://www.valvewizard.co.uk/Book1.html
heyveno a écrit : 26 nov. 2021, 9:45 Je vais mesurer, le transfo de sortie pour le moment je me fie aux relevés de l'ancien proprio.
Tout dépend de ce qu'il a mesuré. Si c'était la résistance du HP, aussi bien c'était un 16 Ohms. J'avais trouvé un lien pour mesurer le rapport d'impédance d'un transfo mais je ne retrouve pas le lien dans mes bookmarks, là. Tu devrais y arriver. Il n'y avait pas de difficulté particulière, juste être prudent - comme d'hab.
martin_rotsey
G5 optimiseur
G5 optimiseur
Messages : 163
Enregistré le : 05 juin 2015, 10:56

Re: Sound thunder 90

Message non lu par martin_rotsey »

Mettre les 2 canaux en // est l'opération la plus simple qui ne nécessite qu'un switch.
Si ça te plaît pas, tu peux toujours faire marche arrière et explorer d'autres possibilités.
C'est une option présente sur les amplis Shade, notamment.

Pour ton OT, le top serait d'avoir un générateur BF et un oscillo.
Sinon, tu peux appliquer une tension alternative en 50Hz entre les anodes (10 à 100v) et mesurer à l'aide d'un multimètre la tension au secondaire.
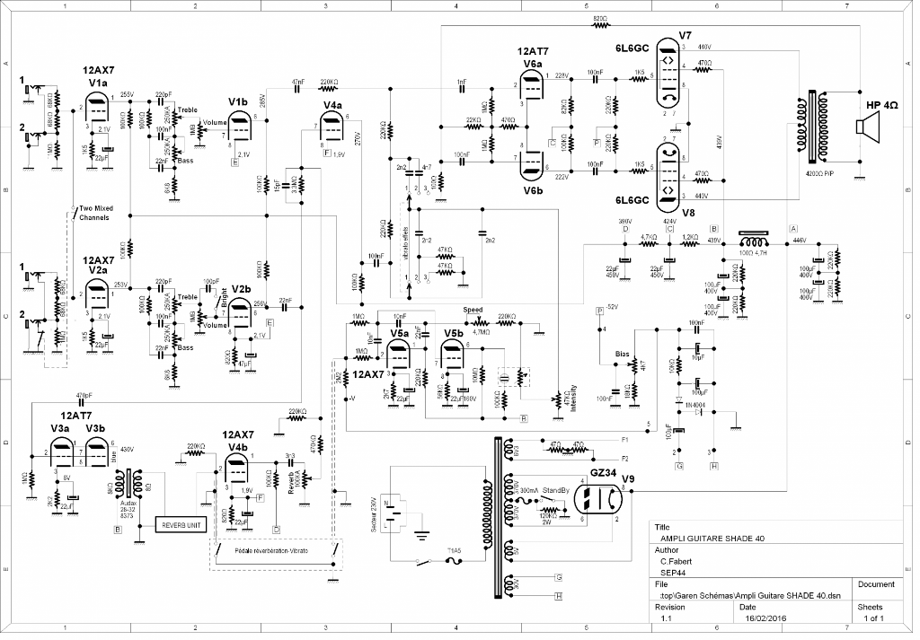
Fichiers joints
12at7PI-ampli-guitare-shade-40.png
heyveno
G5 bidouilleur
G5 bidouilleur
Messages : 45
Enregistré le : 16 nov. 2021, 10:07

Re: Sound thunder 90

Message non lu par heyveno »

Merci beaucoup, en effet j'ai commencé à m’intéresser au livre que tu me conseilles.

Sinon une question reste en suspens, pourquoi avoir mis des Grid stopper à 47k ? ( sur le canal orgue notamment)
martin_rotsey
G5 optimiseur
G5 optimiseur
Messages : 163
Enregistré le : 05 juin 2015, 10:56

Re: Sound thunder 90

Message non lu par martin_rotsey »

Ha oui, j'ai cherché longtemps sur le circuit. En fait c'est sur l'entrée :boulet:

Pourquoi pas 47k ?
Fender met du 34k (68k // 68k), d'autres vont jusqu'à 100k.
Merlin Blencowe préconise un minimum de 10k pour rendre cette résistance efficace.
Perso, je mets du 27k ou du 33k parce que j'ai des stocks dans ces valeurs de jolies résistances vintages en forme de goutte d'eau. :ange:
Avatar du membre
Dr. Nonosse
G5 optimiseur
G5 optimiseur
Messages : 269
Enregistré le : 28 juin 2021, 21:16

Re: Sound thunder 90

Message non lu par Dr. Nonosse »

ha tiens je connais pas, ça a quelle tronche?
Quand le sage montre la lune, l'idiot regarde le doigt
martin_rotsey
G5 optimiseur
G5 optimiseur
Messages : 163
Enregistré le : 05 juin 2015, 10:56

Re: Sound thunder 90

Message non lu par martin_rotsey »

Je crois avoir trouvé la réponse au bandeau placé sue le bas de la façade. En fait, c'est lié au tank de réverbe - pour les modèles qui en sont pourvus, of course. Mais je pense qu'ils avaient un modèle unique de caisse.
IMG_8507.JPG
Dr. Nonosse a écrit : 27 nov. 2021, 23:19 ça a quelle tronche?
Désolé, j'avais pas vu ta question. Elles ressemblent à ça :
IMG_8509.JPG
Je les aime beaucoup. Je pense que c'est en grande partie lié au look, au fait que les pattes soit pratiques pour le câblage point-to-point et aussi une part de mojo qu'elle procurent à ma oreille subjective.
Avatar du membre
Dr. Nonosse
G5 optimiseur
G5 optimiseur
Messages : 269
Enregistré le : 28 juin 2021, 21:16

Re: Sound thunder 90

Message non lu par Dr. Nonosse »

ha oui je vois, par contre le revètement n'est-il pas félé sur certaines? Ou bien est-ce un logo de marque (on dirait un losange, je vois pas bien.) ?
Quand le sage montre la lune, l'idiot regarde le doigt
heyveno
G5 bidouilleur
G5 bidouilleur
Messages : 45
Enregistré le : 16 nov. 2021, 10:07

Re: Sound thunder 90

Message non lu par heyveno »

C'est marrant que certains de tes capa soient cablés " en l'air", c'est une modif ?
Répondre