Sound City SMF Tour Series

Pour la conception et la réalisation de vos amplis.
Avatar du membre
Pote Gui
G5 Team
G5 Team
Messages : 4472
Enregistré le : 15 mai 2012, 11:07
Localisation : Lyon (69)

Sound City SMF Tour Series

Message non lu par Pote Gui »

Yo !

Alors voilà quelques temps que je mûris ce projet et que je collecte petit à petit les pièces nécessaires à son accomplissement, et... voilà ! Je dois dire que j'en suis assez content car c'est mon premier travail à tube sur PCB qui fonctionne (une fois débeuguées les boulettes de débutant que je ne devrais plus faire, comme le référencement du chauffage à la masse... :siffle:).

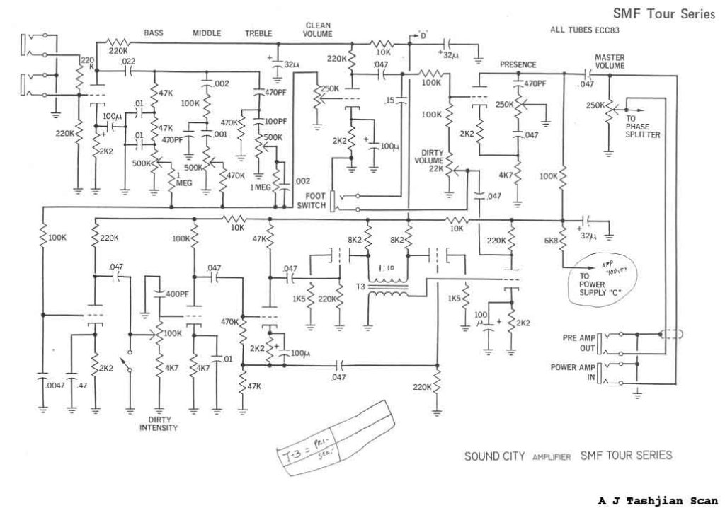
Je résume vite fait l'affaire. Il s'agit du preamp d'un ampli de chez Sound City (j'aime bcp ce qu'ils font) dont voici le schéma :
SMF_Schem_1.jpg
Je me suis borné à lui ajouter un cathode follower en sortie pour utiliser la triode laissée seule et avoir une impédance permettant d'attaquer à peu près n'importe quoi (preamp, ampli de puissance, console de mix, etc), et bufferiser le sélecteur de niveau en sortie (0/-6dB/-12dB) que j'ai aussi ajouté.

Vous noterez l'intéressant canal "Dirty" qui reprend l'idée d'un étage de puissance à triode drivé par un cathodyne. Tout cela est envoyé sur une triode polarisée froid (Vgk = -2,4V) qui clip vilain au cut-off.

Je n'ai malheureusement pas réussi à retrouver les specs du transfo utilisé et j'ai donc dû faire confiance aux gars de Sowter pour son choix (je les recommande, au passage). Au final, malgré le transfo de rapport 10:1 qui m'a été fort judicieusement conseillé, j'ai vraiment beaucoup de patate sur ce canal 'on est sur du x10 par rapport au canal clean) ! Ce qui fait que les deux canaux sont très inégaux niveau dB, et qu'il n'est pas possible pour l'heure de switcher de l'un à l'autre tel que c'était initialement prévu. Je vais faire des tests pour trouver le bon rapport de transformation...

Mais sinon, le son de ce canal est vraiment énorme :shock: On a vraiment l'impression de pousser un étage de puissance dans ses retranchements (miam). L'égalisation est très efficace bien que les aigus soient vite très (trop) présents à mon goût malgré la course log du potar.

J'ai choisi de faire une alim avec une cellule LC en tête afin de faire chuter la tension initiale (transfo TT-T50 de chez Tube Town), et éviter que les 12AX7 voient plus de 300V sur leur anode :non: .

Le châssis est un Hammond en alu de la série 1444.

Si certains sont intéressés, je peux leur filer le dossier Kicad. J'ai aussi des pcb en rab pour les DIYers pressés !

Et maintenant, place aux photos :

https://zupimages.net/viewer.php?id=20/14/28de.jpg
https://zupimages.net/viewer.php?id=20/14/uufq.jpg
https://zupimages.net/viewer.php?id=20/14/1lc4.jpg
https://zupimages.net/viewer.php?id=20/14/qcn4.jpg
https://zupimages.net/viewer.php?id=20/14/5aoa.jpg

Les samples :
Canal CLEAN, Gain 5, Bass 5, Mids 5, Treble 2, Presence 0, Master 5
CLEAN 1
CLEAN 2

Canal DIRTY
DIRTY GAIN1
DIRTY GAIN5
DIRTY GAIN10
Les deux séries précédentes avaient les mêmes réglages d'EQ et de présence.

J'ai tenté ensutie de faire différentes prises (un peu redondantes, il est vrai) en modifiant l'EQ délicatement pour ajouter un peu d'aigu et de présence et en enlevant un peu de basse. J'ai aussi poussé le volume du canal en question afin d'obtenir la saturation supplémentaire de la triode qui mixe les deux canaux. Ne me demandez pas lequel des samples est lequel, je n'en sais plus rien :mrgreen: ! Le pad de sortie -9 et -12dB a utilisé pour calmer les niveaux de sortie.
DIRTY EQ1
DIRTY EQ2
DIRTY EQ3
DIRTY EQ4
DIRTY EQ5

Au cas où les samples vous sembleraient décevants (pas au niveau de l'interprétation, bien sûr), gardez bien en tête que l'EQ et la présence sont très efficaces sur toute la plage de rotation du potar. On est loin d'un TS à-la-Fender ! Donc, il est possible d'égaliser véritablement selon ses goûts et l'instrument utilisé. Étant donné donc la polyvalence des sons, je n'ai pas pu vous faire des samples exhaustifs ! Dernière précision, la sortie du préamp est envoyée dans l'entrée LO d'un Champ 5F1 à volume 3. Aucune distorsion présente dans les enregistrements n'est due à cet ampli.

Enjoy !
Avatar du membre
McColson
Admin du site
Admin du site
Messages : 8070
Enregistré le : 07 nov. 2004, 1:00
Localisation : La Celle sur Morin
Contact :

Re: Sound City SMF Tour Series

Message non lu par McColson »

Superbe l'intérieur bravo Guillaume !
Sympa le schéma notamment le transfo, le tonestack, la présence... Oui c'est intéressant tout ça !
Tu as moyen de faire un ou deux samples ?

D'ailleurs y'a pas une idée à creuser pour le pistorsion avec ce montage de transfo :think:
Avatar du membre
bilbo_moria
Don Bilbo de la Vega
Messages : 7492
Enregistré le : 15 déc. 2004, 1:00
Localisation : Tinteniac (35)

Re: Sound City SMF Tour Series

Message non lu par bilbo_moria »

Wow ! Superbe réalisation !!! Le chauffage passe par le PCB ou bien par des fils "à part" ? (et si tu as d'autres conseils à donner ...)

A ma grande honte, j'avoue que je ne comprends pas bien le schéma et le cheminement du signal :oops: ...
Avatar du membre
Pote Gui
G5 Team
G5 Team
Messages : 4472
Enregistré le : 15 mai 2012, 11:07
Localisation : Lyon (69)

Re: Sound City SMF Tour Series

Message non lu par Pote Gui »

Merci les gars !
Sympa le schéma notamment le transfo, le tonestack, la présence...
Oui, c'est ce qui m'a tenté. D'autant que le sérieux des réalisations de la marque me laissait à penser que le résultat serait plutôt réussi. C'est aussi à cause de ce montage de la présence que j'ai pensé à l'idée d'un préamp puisqu'elle n'est pas basée sur une contre-réaction globale impliquant un étage de puissance. Le tonestack est une sorte d'égalisation 3 bandes (le LB50+ a déjà une égalisation 3 bandes, mais active qui marche du tonnerre).
Tu as moyen de faire un ou deux samples ?
Pas vraiment... Je veux dire par là que le résultat ne sera pas fidèle, donc autant ne rien faire. :(
une idée à creuser pour le pistorsion avec ce montage de transfo
Ben carrément ! C'est ça aussi qui avait attiré mon attention à l'époque puisqu'on en parlait beaucoup sur le forum.
Le chauffage passe par le PCB ou bien par des fils "à part" ?
Le chauffage passe par le pcb dédié aux tubes avec une piste sur chaque bord au plus loin possible des autres connexions, et d'une bonne largeur (2mm). Malgré tout, il me semble que je récupère un peu de hum surtout audible sur le canal "Dirty" du fait du gain. Donc, je recommande un chauffage DC pour être complètement tranquille. Comme on opte souvent dans ce cas pour alimenter les filaments en 12V6, il faudra donc revoir le pcb en faisant passer les pistes de chauffage de chaque côté du pcb.
j'avoue que je ne comprends pas bien le schéma et le cheminement du signal
J'imagine que tu parles du canal avec le transfo ? L'autre ne présente pas de difficultés de mon point de vue (triode+TS+triode). Pour être complètement honnête, j'avoue ne pas être complètement sûr non plus de la compréhension de cet étage à base de transfo. Car il n'y a pas de point milieu et ce n'est donc pas un PP... Je le vois plutôt comme un ampli différentiel puisque les deux triodes qui attaquent le transfo délivrent un signal en opposition de phase. Il n'y a donc pas reconstitution d'un signal par demi-alternance comme dans un PP, mais plutôt une retranscription de la différence de tension présente à chaque extrémité du primaire. Mais je peux me gourer cela dit !

Je mettrai l'ensemble du projet à disposition en zip sous peu.
Avatar du membre
louphil
G5 guru
G5 guru
Messages : 625
Enregistré le : 25 nov. 2009, 1:00
Localisation : 33
Contact :

Re: Sound City SMF Tour Series

Message non lu par louphil »

J'avoue que moi aussi l'étage à transfo me laisse perplexe ... ! En tous cas bravo belle realisation : c'est nickel là dedans !
Rimlock
G5 guru
G5 guru
Messages : 1205
Enregistré le : 17 juil. 2018, 19:48
Localisation : pas trop loin de l'Océan

Re: Sound City SMF Tour Series

Message non lu par Rimlock »

Pour le transfo de "sortie, je dirais que, sous réserve de dire des bêtises, quand Triode1 envoie la partie positive de la sinusoïde +1/2V à gauche du primaire, Triode2 envoie la partie négative -1/2V à droite. Puis ça s'inverse pour la demi-période suivante. On a donc bien un signal variant de +V à -V sur une période dans le primaire.
sinus.jpg
sinus.jpg (10.45 Kio) Vu 10538 fois

En fait, ça fonctionne comme un push pull classique, sauf que le courant continu ne passe pas dans le transfo ! Dans un push pull classique, le point milieu est à la masse du point de vue alternatif et donc ne joue aucun rôle...
Et de deux ! Merci les Bleus :lol:
Avatar du membre
Lemontheo
G5 Team
G5 Team
Messages : 1814
Enregistré le : 21 janv. 2011, 1:00
Localisation : Rouen
Contact :

Re: Sound City SMF Tour Series

Message non lu par Lemontheo »

:good:
Bien ton préamp! C'est propre et net!!

Et le schéma est vraiment intéressant. La présence ressemble au contrôle semi-actif des aiguës de chez Garnet.

Pour l'étage dirty, 8k aux anodes des 12AX7 :wtf:
Mais tu as quel voltage aux anodes....!!

Pareil, qu'apporte le retour du dirty sur le weeper (wiper?) du potentiomètre?
Avatar du membre
McColson
Admin du site
Admin du site
Messages : 8070
Enregistré le : 07 nov. 2004, 1:00
Localisation : La Celle sur Morin
Contact :

Re: Sound City SMF Tour Series

Message non lu par McColson »

Lemontheo a écrit : 06 avr. 2020, 14:54 :good:
Bien ton préamp! C'est propre et net!!

Et le schéma est vraiment intéressant. La présence ressemble au contrôle semi-actif des aiguës de chez Garnet.

Pour l'étage dirty, 8k aux anodes des 12AX7 :wtf:
Mais tu as quel voltage aux anodes....!!

Pareil, qu'apporte le retour du dirty sur le weeper (wiper?) du potentiomètre?
Exact comme sur le G1, garnet one knob, mais y'a une R de plus en dessous de la R de cathode... À tester sur le G1 !

Oui 8k aux anodes des 12ax7, faut simuler ça sur switchercad pour le pistorsion !

Pour le retour sur le wiper du potar, ça m'intéresse, c'est la partie que je pigé moins (d'ailleurs le foot switch est câblé comment ?)
Avatar du membre
Pote Gui
G5 Team
G5 Team
Messages : 4472
Enregistré le : 15 mai 2012, 11:07
Localisation : Lyon (69)

Re: Sound City SMF Tour Series

Message non lu par Pote Gui »

Bon alors pour ce qui est du wiper, ça se passe comme suit (redessinez cette partie du schéma et ce sera plus clair) : le signal arrive au niveau du wiper que l'on va considérer comme étant à fond pour faire simple. On récupère le signal sur la résistance du potar et on l'envoie sur la grille du tube suivant via la R de 100k. Là où c'est plus subtil, c'est lorsque le potar n'est pas à fond, qu'est-ce qui fait que le volume diminue ou augmente ? Et bien c'est le rapport des résistances combinées de celle du potar, et des deux 100k qui forment un pont diviseur (l'autre 100k suivie de la capa de 47n qui va à la HT donc masse pour tout ce qui est AC). Donc on passe de signal à la masse quand on est au mini, à une fraction du signal déterminée par les 22k+100k et la 100k de l'autre canal. Mais chuis pas sûr que ça apporte grand-chose !

Pour ce qui est du footswitch, il faut imaginer que tu mets à la masse alternativement le wiper ou le condo de 150n (comme chez les Vox aC15 pour passer de vibrato à tremolo) ce qui shunte le signal del 'un ou l'autre des canaux.

Pour ce qui est de la tension sur l'anode des triodes au niveau du transfo, il faut effectivement faire gaffe (pas comme Léo donc). C'est pourquoi j'ai calculé l'alim de façon à ne pas avoir plus de 300V à cet endroit (285 environ).

EDIT : je ne suis pas très sûr de mon explication sur le potar de volume, donc à prendre avec des pincettes...
Avatar du membre
bilbo_moria
Don Bilbo de la Vega
Messages : 7492
Enregistré le : 15 déc. 2004, 1:00
Localisation : Tinteniac (35)

Re: Sound City SMF Tour Series

Message non lu par bilbo_moria »

Le pot de volume Dirty doit aussi servir de mélangeur entre clean et dirty, non ? On arrive à avoir un mélange des 2 canaux ?
(en l'absence de footswitch)
Avatar du membre
Pote Gui
G5 Team
G5 Team
Messages : 4472
Enregistré le : 15 mai 2012, 11:07
Localisation : Lyon (69)

Re: Sound City SMF Tour Series

Message non lu par Pote Gui »

Oui, oui, ça mélange ! Mais je ne suis pas sûr que ce pot y soit pour qqchose ...
Avatar du membre
bilbo_moria
Don Bilbo de la Vega
Messages : 7492
Enregistré le : 15 déc. 2004, 1:00
Localisation : Tinteniac (35)

Re: Sound City SMF Tour Series

Message non lu par bilbo_moria »

Pote Gui a écrit : 06 avr. 2020, 20:56 Oui, oui, ça mélange ! Mais je ne suis pas sûr que ce pot y soit pour qqchose ...
Ah ?
J'ai du mal avec ce schéma, du coup je n'ai peut-être pas tout compris, mais le canal "Dirty" est en bas du schéma, n'est-ce pas ? Le bazar avec le transfo tout ça c'est uniquement pour le canal Dirty si je comprends bien.

Du coup, après le transfo, on a une triode pour remettre du gain, une capa de couplage 47nF et le wiper du volume Dirty. Si ce volume est à zéro, le signal Dirty est entièrement à la masse, non ?


Par ailleurs (vu que j'y pigeais que dalle, je me suis fourvoyé et intéressé au "gain dirty" (intensity) où là également on entre par le wiper. La capa de 400pF m'intriguait et je pensais à un truc genre plus on fout de gain, plus ça coupe les basses (ce qui serait bien, cf notre discussion sur le sample 3 du Tyrion de Théo, ouais faut suivre ;-) ).

Bref, j'ai simulé sous SPICE. Alors ça ne coupe pas les basses, mais ça ajoute des aigus avec le gain :

Gain à zéro : freq coupure à -3dB = 3kHz
A zéro.JPG
Gain à donf : freq coupure à -3dB = 10kHz
A fond.JPG
(il me semble que le coup de couper les basses avait été évoqué par Celmo sur le pot de gain du Blues Jr, faudrait que je me repenche sur le schéma ...)

En tout cas l'astuce est sympa : sens-tu plus d'aigus quand tu montes le gain, Guillaume, ou bien suis-je à côté de la plaque ?
Avatar du membre
Pote Gui
G5 Team
G5 Team
Messages : 4472
Enregistré le : 15 mai 2012, 11:07
Localisation : Lyon (69)

Re: Sound City SMF Tour Series

Message non lu par Pote Gui »

J'avoue que je n'ai pas fait suffisamment d'essais pour dire... Cela dit, je ne vois pas pourquoi ça devrait couper les basses avec le 400pF qui va à la masse. Je vois en calculant une fréquence de coupure à 720Hz pour le bas quand le potar est au mini, et à 4kHz pour le haut.
Avec le potar au max, on descend la fréquence de coupure à 32Hz avec la 400p en parallèle qui vient shunter les aigus à la masse. Donc, je pige pas le résultat de la simulation... (je n'ai pas pris en compte l'impédance de sortie du tube cela dit)
Avatar du membre
bilbo_moria
Don Bilbo de la Vega
Messages : 7492
Enregistré le : 15 déc. 2004, 1:00
Localisation : Tinteniac (35)

Re: Sound City SMF Tour Series

Message non lu par bilbo_moria »

Dans la simul, j'ai mis 40kΩ en Zout de la 12AX7 (et 150pF, au pif, de capa Miller de la triode qui suit) ...

Si le potard est à zéro : Zout + le potard de 100k puis la capa de 400pF (je laisse de côté la 4k7 et la capa miller de 150pF pour simplifier le calcul sinon je n'y arrive pas) forment un coupe haut de freq de coupure (1/2xPixRC) avec R = 140k et C = 400pF => 2843Hz ce qui correspond au 3kHz lus sur la courbe de simulation

Si le potard est au max : Zout + la capa 550pF (en tenant compte de l'effet Miller, cette fois c'est plus facile à calculer en pyjama, endormi et dans son fauteuil préféré :mrgreen: ) : 7238Hz (j'ai lu environ 10kHz sur la courbe de simul

Donc pas trop déconnant ...

Après, faudrait savoir à quoi sert la résistance de 4k7 ... peut-être que ça merdait, ils ont ajouté cette R et ça marchait mieux ... (quoi ? moi j'fais parfois comme ça sans comprendre mais les "bons" maîtrisent et comprennent tout ce qu'ils font ? Ah bon :-) )
Avatar du membre
Pote Gui
G5 Team
G5 Team
Messages : 4472
Enregistré le : 15 mai 2012, 11:07
Localisation : Lyon (69)

Re: Sound City SMF Tour Series

Message non lu par Pote Gui »

Ok, avec la Zout on est raccord.

La R de 4k7 est peut-être juste là pour qu'il y ait toujours un minimum de son... ?
Répondre