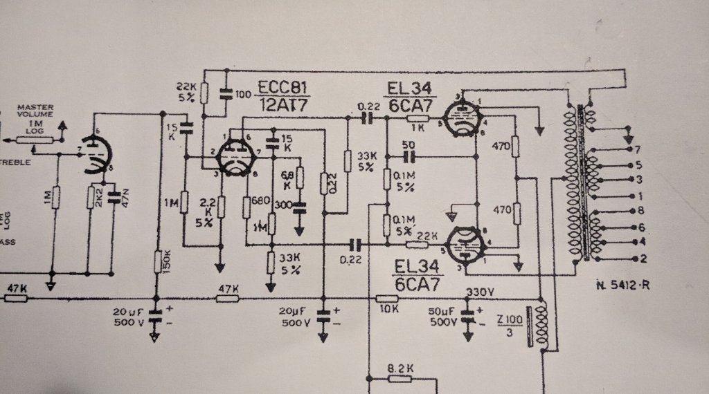
J'ai récupéré un très beau geloso 1040, qui va servir de base pour la fabrication d'un JMP (1987 ou 2204, pas encore décidé) soit un PP d'el34 de 50W
C'est italien donc c'est compliqué
il y a bien un mode d'emploi : j'en comprends un fois l'impédance choisie qu'il faut relier les HP à ce qui est indiqué en 1ere colonne, et relier les borniers entre eux des 2eme et 3eme colonne
Le schéma du transfo qui a trois enroulements secondaires :
- pour 5 ohms, sortie en 2-3 et relier entre eux 1 et 4
on utilise donc le "bas" des 2 enroulements mais en sens opposé (1 n'est pas relié à 2). Est ce que c'est pareil que sortir en 3-4 et relier 1 et 2 ensemble ? (enroulements utilisés dans le meme sens)
-pour 7,5 ohms sortir entre 1-5 et relier 1-2 et 5-6
on utilise les 2/3 de l'enroulement et ici les 2 enroulement sont en // "dans le même sens"
-pour 14 ohms sortir entre 2 et 5 et relier 1 et 4
là c'est un truc batard ...
C'est bien beau tout ça mais je voudrais câbler une sortie 4,8,16 ohms (au mieux avec un switch, au pire 3 sorties...)
Je ne sais pas si c'est possible avec ce transfo ?
D'autre part, le 3eme enroulement c'est bien une contre réaction ?
merci


