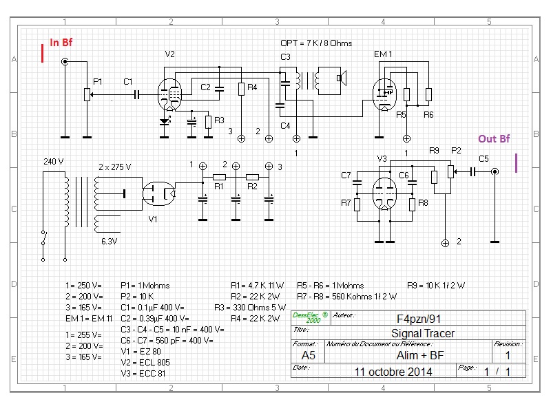
voila un projet que je voulais monter pour dépanner des postes TSF mais aussi tout autre partie BF genre ampli Hifi ou Guitare ...
alors le voici , pas encore tout a fait finis mais je vais essayer de faire un post propre et court .
les tubes ; EZ80 , ECL 805 , EM 11 & ECC81 .
un transformateur de petit tourne disque & un transfo de sortie 7K / 8 Ohms .
les perfs ; sensibilité de 100 mV & la partie audible fait 1.5 W sous 1 Khz a 8 Ohms
hop la , le rikiki résidu ...
le plan


