** RESOLU** Selmer PA 100 Reverb problème polarisation

Pour réparer ou rénover un ampli qui n'est pas issu du site.
Nabuco
G5 constructeur
G5 constructeur
Messages : 62
Enregistré le : 28 juin 2019, 18:50

** RESOLU** Selmer PA 100 Reverb problème polarisation

Message non lu par Nabuco »

Bonjour tout le monde !

Ampli : SELMER PA 100/6 reverb

Alors je galère depuis avant hier donc je me permet de venir vous voir... :)

Voilà l'histoire : je suis en train de retuber entièrement un ampli Selmer PA100 Reverb, tout va "bien" jusque là, avant de placer mes 4 tubes de puissances EL34, je mesure la tension négative aux cathodes sans les lampes (environ -40v), je précise que c'est un cathode bias donc je me dis que la valeur n'est pas trop déconnante avant de changer éventuellement la résistance de cathode pour affiner le bias.

C'est là ou ça se gâte, je place mes lampes de puissance avec mon bias probe + multimètre, j'envoi la HT et là je vois mes lampes monter à plus de 100mA... j'arrête donc de suite et je remesure ma tension négative mais cette fois avec les lampes de puissance insérées, mesure = 4 volts !...

Je décide de monter un potard variable de bias, je règle cette fois ma tensions à -50 v sans les lampes et rebelote... je remets les lampes dans les sockets et pareil... en gros vous l'aurez compris ma tension négative s'emballe dés que les lampes de puissances sont sur leur sockets.

J'ai vérifié toutes les résistances et condensateurs sur le circuit de bias et tout est ok de ce point de vue là.

Mes tensions d'anode sont visiblement ok : 466 volts au pin 3/8

Je suis qu'un apprenti électronicien mais là je ne comprend pas.
Voilà.. si quelqu'un peut m'éclairer et à déjà eu ce genre de problème : ):) :) :)
Merci !!!

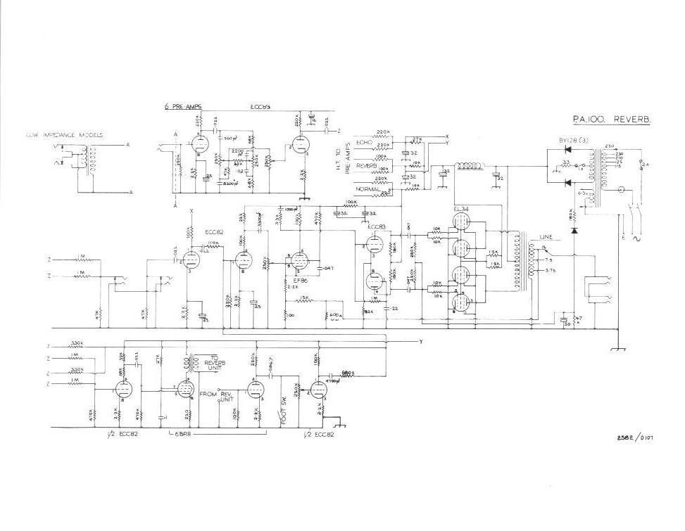
Schéma de l'ampli ci-joint.
Fichiers joints
pa100ra.jpeg
Modifié en dernier par Nabuco le 24 oct. 2019, 12:26, modifié 1 fois.
Avatar du membre
Pote Gui
G5 Team
G5 Team
Messages : 4469
Enregistré le : 15 mai 2012, 11:07
Localisation : Lyon (69)

Re: Selmer PA 100 Reverb problème polarisation

Message non lu par Pote Gui »

C'est un peu louche ton affaire. Tu es bien sûr que tu n'as pas fait une erreur de mesure ou de manipulation? Ton bias probe est-il fiable? Fais toutes les vérifications autour avant de commencer à suspecter un problème sur l'ampli à mon avis...
Nabuco
G5 constructeur
G5 constructeur
Messages : 62
Enregistré le : 28 juin 2019, 18:50

Re: Selmer PA 100 Reverb problème polarisation

Message non lu par Nabuco »

Pote Gui a écrit : 18 oct. 2019, 17:02 C'est un peu louche ton affaire. Tu es bien sûr que tu n'as pas fait une erreur de mesure ou de manipulation? Ton bias probe est-il fiable? Fais toutes les vérifications autour avant de commencer à suspecter un problème sur l'ampli à mon avis...
Effectivement je n'y comprends rien... oui j'ai deux bias probe fiables et les deux me lisent la même aberration... :(
J'ai suspecté aussi le matériel mais j'ai fais le teste de laisser sous tension jusqu'à arriver à plus de 100mA (pas longtemps hein !) et je commence à entendre les lampes ronfler donc concrètement la polarisation monte fort...
Rimlock
G5 guru
G5 guru
Messages : 1172
Enregistré le : 17 juil. 2018, 19:48
Localisation : pas trop loin de l'Océan

Re: Selmer PA 100 Reverb problème polarisation

Message non lu par Rimlock »

je mesure la tension négative aux cathodes sans les lampes (environ -40v), je précise que c'est un cathode bias

Heuuuuu ! Regarde bien ton schéma, les cathodes sont à la masse et le -V bias va aux grilles ! ! ! C'est une polar fixe pas cathode bias... Ou t'as bidouillé le truc n'importe comment ?
Et de deux ! Merci les Bleus :lol:
Nabuco
G5 constructeur
G5 constructeur
Messages : 62
Enregistré le : 28 juin 2019, 18:50

Re: Selmer PA 100 Reverb problème polarisation

Message non lu par Nabuco »

Rimlock a écrit : 18 oct. 2019, 17:51
je mesure la tension négative aux cathodes sans les lampes (environ -40v), je précise que c'est un cathode bias

Heuuuuu ! Regarde bien ton schéma, les cathodes sont à la masse et le -V bias va aux grilles ! ! ! C'est une polar fixe pas cathode bias... Ou t'as bidouillé le truc n'importe comment ?
Oh punaise Rimlock comme c'est bien joué !! Je me sent con mais avec ma petite expérience je ne me suis pas méfié et j'ai pas regardé ce gros détail sur le schéma en plus du coup c'est mon premier fixed bias....
Heu... du coup ma question va te paraître conne mais du coup comment je fais la mesure de la tension négative dans ce cas là ? :oops:

Edit:
Houlala je me suis embrouillé moi.... je prends bien les mesures de la tension négatives du PIN 5 à la masse c'est bien cela ?

Edit:
Alors je récapitule, je viens de reprendre des mesures.
Tension négative fixed bias PIN 5 à la masse : je viens de me rendre compte que cette tension baisse petit à petit de -40v à environ -20v.... et quand je branche les tubes ça rebaisse à 4v. (tout ça avec la HT car pas de standby).
Je précise que même avec un bias avec une résistance variable le même phénomène arrive.
Je me suis trompé dans mon explication (cathode bias) mais visiblement mes mesures ne sont correctes, ma tension négatives ne reste pas stable, d'autant plus avec les tubes branchés... :mur:
Rimlock
G5 guru
G5 guru
Messages : 1172
Enregistré le : 17 juil. 2018, 19:48
Localisation : pas trop loin de l'Océan

Re: Selmer PA 100 Reverb problème polarisation

Message non lu par Rimlock »

Oui. Comment as-tu installé ton potar de réglage de bias ? Mets ça en rouge sur le schéma. Les G2 sont bien alimentées ? En sortie, tu as mis une charge ? genre grosse résistance de 8 ohms 150W...

Et avant de "retuber", il marchait bien cet ampli ?
Et de deux ! Merci les Bleus :lol:
Nabuco
G5 constructeur
G5 constructeur
Messages : 62
Enregistré le : 28 juin 2019, 18:50

Re: Selmer PA 100 Reverb problème polarisation

Message non lu par Nabuco »

J'ai installé le potard de bias comme suit.
Oui les G2 sont alimentées à 446 v.
Pour la charge, il y a les résistances vertes que tu verras sur la photo :)
20191012_145305 bias.jpg
Nabuco
G5 constructeur
G5 constructeur
Messages : 62
Enregistré le : 28 juin 2019, 18:50

Re: Selmer PA 100 Reverb problème polarisation

Message non lu par Nabuco »

Il fonctionnait mais je l'ai récupéré avec les 4 EL34 à rincées (10mA) et les préamp pas mieux donc difficile de dire.....
pa100ra bias.jpg
Donc le potard de bias réglable ici sur le schéma si je déconne pas.
Rimlock
G5 guru
G5 guru
Messages : 1172
Enregistré le : 17 juil. 2018, 19:48
Localisation : pas trop loin de l'Océan

Re: Selmer PA 100 Reverb problème polarisation

Message non lu par Rimlock »

Comme tu l'as mis, à la place de la 47K, ça ne peut que monter le bias... Il faut que tu laisses une résistance entre le pied du potar et la masse, genre 33k avec un potar de 25k et c'est le curseur qui va aux grilles.

Je ne vois pas de résistances de charge ! Les deux vertes de la photo sont celles des G2. Je parle de résistance à mettre à la place des HP pour ne pas les cramer avec les essais ! Et ne me dis pas que tu fonctionnes sans rien de branché sur les prises HP ! ! ! ! ! ! Celles-ci sont en court circuit sans jack ! Pas étonnant que tes lampes partent en couille... :SM: :redc:
Et de deux ! Merci les Bleus :lol:
Nabuco
G5 constructeur
G5 constructeur
Messages : 62
Enregistré le : 28 juin 2019, 18:50

Re: Selmer PA 100 Reverb problème polarisation

Message non lu par Nabuco »

Ok bon, je vais faire la modif ce matin alors et je te dirais :). Par contre je n'ai qu'un trim pot de 50k au minimum mais ça va le faire quand même :)
Petite question, du coup pourquoi ajouter une résistance entre le pot et la masse ?

Ah non quand même là tu y va fort :lol: :lol: je fais bien sûr mes testes branché sur un cab (un vieux truc avec un HP de m..rde donc si il lâche un jour...).

Edit:
Bon alors installation d'un potard trim de bias de 50k à la place de la résistance de 47k avec une résistance 33k qui va au pied du pot jusqu'à la masse (là je l'ai soudé au bus ground).
Résultat : je peux baisser la tension négative jusqu'a 0 mais par contre au maximum du pot je n'arrive qu'à -13v je ne peux pas aller plus loin en valeur, à préciser que j'arrive à -13v en début de course jusqu'à la fin de course, je veux dire par là que le potard de bias ne semble pas agir d'une manière évolutive.... voir presque pas du tout en fait :mur: :mur:
Rimlock
G5 guru
G5 guru
Messages : 1172
Enregistré le : 17 juil. 2018, 19:48
Localisation : pas trop loin de l'Océan

Re: Selmer PA 100 Reverb problème polarisation

Message non lu par Rimlock »

La résistance entre le potar et la masse empêche de monter trop haut en bias et donc protège les tubes... Par exemple si le bias idéal est de - 35V, le potar devrait avoir une course entre -25 et -50V maximum. Si tu déconnectes la liaison vers les grilles, combien as-tu aux bornes de ton potar ? En sortie de diode si tu n'as pas -50 V au moins il te faudra diminuer la valeur de la 100K en amont, 82k par exemple. Et la valeur total R+pot ne doit pas dépasser 50k environ sinon le courant qui passe est trop faible et la stabilité du bias pas bonne. Si t'as que ce pot de 50k il faut lui mettre une 47k en // .
pot bias.jpg
Et de deux ! Merci les Bleus :lol:
Nabuco
G5 constructeur
G5 constructeur
Messages : 62
Enregistré le : 28 juin 2019, 18:50

Re: Selmer PA 100 Reverb problème polarisation

Message non lu par Nabuco »

Ok alors si je déconnecte les grilles j'ai une plage sur le pot entre 0 et -6.6v :(
J'ai placé une 47K en parallèle donc comme tu me dis et en sortie diode je n'ai que 12v en continu , j'ai changé la 180K en amont par une 150K mais cela ne fait quasiment pas de différence..... :?

J'apporte aussi une précision importante, sur le moment de ma mesure, lorsque je change la 180k par la 150k ma valeur de tension négative augmente quand même (environ -26v) mais ne tiens pas en place et redescend au fur et à mesure vers 14/16v. J'ai essayé avec d'autres valeurs de R et le même phénomène arrive....
Rimlock
G5 guru
G5 guru
Messages : 1172
Enregistré le : 17 juil. 2018, 19:48
Localisation : pas trop loin de l'Océan

Re: Selmer PA 100 Reverb problème polarisation

Message non lu par Rimlock »

Tu as testé le condo chimique ? Il serait en court-circuit ? Tu mesures bien en continu par rapport à la masse ?

Ah... j'avais lu 100k sur le schema pas très lisible... donc oui passe de 180 à 150 pas moins.
Et de deux ! Merci les Bleus :lol:
Nabuco
G5 constructeur
G5 constructeur
Messages : 62
Enregistré le : 28 juin 2019, 18:50

Re: Selmer PA 100 Reverb problème polarisation

Message non lu par Nabuco »

Oui j'ai mesuré le condo chimique mais j'ai un capacimètre simple, la valeur du condo est bonne en tous cas (47uF), la valeur serait différente si il était en court-circuit ?
Oui je mesure en continu par rapport à la masse.
Rimlock
G5 guru
G5 guru
Messages : 1172
Enregistré le : 17 juil. 2018, 19:48
Localisation : pas trop loin de l'Océan

Re: Selmer PA 100 Reverb problème polarisation

Message non lu par Rimlock »

essaie de le changer pour voir... Il faut un 100V. inutile de mettre un gros 450V ! ! !

Il faudrait aussi vérifier ce qui se passe au niveau du PI et de l'EF86 qui est en couplage direct...
Et de deux ! Merci les Bleus :lol:
Répondre