Je commence par le commencement.. un grand merci à vous tous! Vous m'avez apporté tellement de réponses et de conseils.. vraiment, merci!
Une dernière précision avant de rentrer dans le vif du sujet, si je ne réponds pas trop au tac-au-tac ces temps ci c'est juste que en même temps que ce projet j'ai des terrains à réaliser ainsi que tout un tas d'articles/livres à analyser pour mon master.. Ceci étant dis je vous lis tous au fil du post, je préfère juste vous répondre quand j'ai un temps à vous consacrer au moins aussi important que celui que vous m'avez consacré!
Je repars avec les réponses dans l'ordre:
Tony, merci du conseil. Je vais essayer de le joindre, ça me feras bosser mon english
bilbo_moria, merci du partage d’expérience! J'aimerais juste te demander par curiosité pourquoi le couple 6V6-6L6? Je veux dire en terme de sonorités elle ne sont pas sensés être relativement proches (la V étant une L mini grossièrement)? C'était pour une question de puissance ou de sonorité? En tout cas merci pour tous ces détails, tout est à prendre
ChopSauce et Myn Donos, merci à vous! ça sera une réponse commune cette fois ci
Pour ce qui est de l'achat, ça va se passer nécessairement en plusieurs commandes. Je pense déjà commencer par le kit du G5, quelques résistances, quelques condos ainsi que des culots en rab pour toutes les potentielles combinaisons (6V6-EL84, 6L6-EL34 ou 6L6-EL84, j'en ai pour 8€ de culots et au moins j'en aurais en stock). En tout cas avoir tous les composant devant c'est clairement un plus pour moi, je suis assez manuel du coup c'est toujours plus facile avec la "bête" devant!
Je vais aussi me lancer sur JSchem, c'est clairement 10 fois plus intuitif.. N'ayant pas la nécessité de faire des pcb ça devrait faire plus que l'affaire
a-wai, un grand merci à toi aussi! Déjà que je m'inspire de ta version du G5 pour le boost, avec toutes les infos que tu me donnes en plus je ne sais pas quoi dire de plus mais merci!
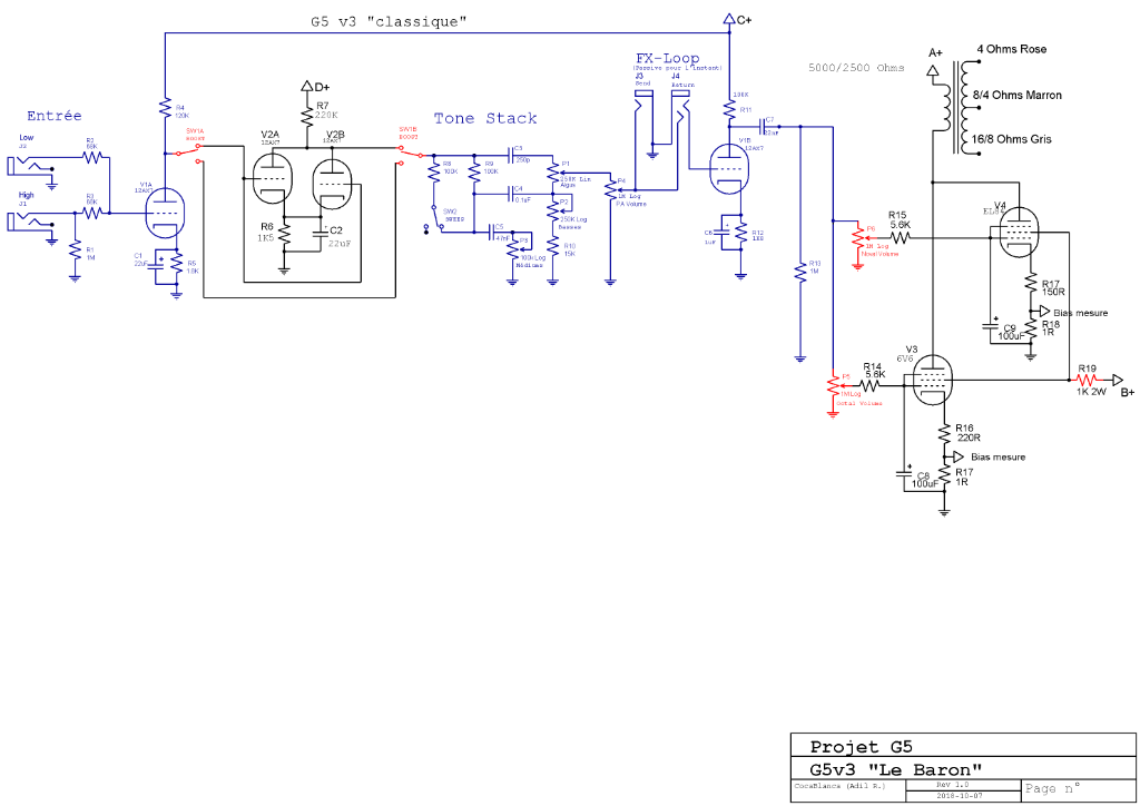
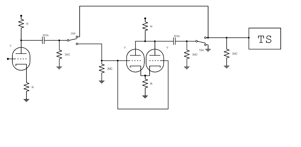
Donc pour la question de la boucle et du TS, j'ai bien compris un grand merci! C'est super clair et ça me confirme que je suis plutôt tenté par le TS du G5 classique, je suis en quête de headroom et 80% de mon jeu est en clean donc que demander de plus?
C'est vraiment si "spécial" le double potard?
Pour la question de la combinaison de lampes vous avez tous les deux raison ChopSauce et a-wai: selon les constructeurs du fameux V10 qui me plaît tant c'est possible de mettre une 6V6 à la place de la 6L6 mais avec une perte de headroom et de brillance en gros.. que ça soit la 6V6 ou la 6L6 il y a un gain de headroom par rapport aux EL mais ce qui est déterminant dans le caractère sonore de l'engin ça serait bien la 6L6 sous alimentée.. Quoi qu'il en soit je pense tenter les 2 paires quand j'en saurais plus et je serais sûr de ne pas risquer de griller quelque choe!
Pour résumer je me lance à present dans JSchem, je vais essayer de faire un premier jet de l'ampli ça seras plus simple en parlant autour de quelque chose de concret!
Je me lance aussi sur les lectures (d'ailleurs si quelqu'un a une copie du dropbox "E-livres et E-documentation téléchargeable" je le veux bien, il n'est plus accessible depuis le forum
Pour ce qui est des achats, comme dit plus haut juste après le bilan je vais acheter le G5 en kit, de quoi faire une boucle active, les culots nécessaires pour toutes les combinaisons (trois socket de plus en gros) et tout ce qui est résistances/condos pour un boost, une 6V6 et une 6L6. Juste pour l'idée culots, condos et résistances ça fait même pas 15€ de plus, "ça va".
En tout cas je me répète mais merci à tous, vous êtes géniaux!
Je vous dis à bientôt pour la suite!



