M.esa 2 x EL84 = 30W !

Pour causer de choses et d'autres, c'est ici !
Avatar du membre
bilbo_moria
Don Bilbo de la Vega
Messages : 7460
Enregistré le : 15 déc. 2004, 1:00
Localisation : Tinteniac (35)

M.esa 2 x EL84 = 30W !

Message non lu par bilbo_moria »

On m'a apporté un F-30 pour révision (il souffle).
Je passe les détails : tout est bon, les lampes OK, le bias correct etc. mais ça souffle ; j'ai (évidemment) fureté sur le net, je ne suis pas spécialiste de ces amplis, mais bon, il semble que le problème remonte très fréquemment et "c'est comme ça".

Par curiosité, je me demandais comment ce constructeur faisait pour tirer 30W de 2 EL84 ... alors, comme les copains, il leur fout 400V dans la tronche (c'est devenu classique).

J'ai mesuré la sortie en injectant un sinus en entrée, sur résistance de charge, et j'ai trouvé (assez logiquement) ... 15W (après ça sature, l'imagination s'égare).

Au delà du "j'aime pas les M.esa" (je parle pour moi, à réviser), j'ai bien aimé le son de celui-ci (sauf le souffle)
Avatar du membre
Pote Gui
G5 Team
G5 Team
Messages : 4469
Enregistré le : 15 mai 2012, 11:07
Localisation : Lyon (69)

Re: M.esa 2 x EL84 = 30W !

Message non lu par Pote Gui »

S'il a du souffle, il faut le mettre à la course à pied! Sinon, c'est pratique l'été à la plage, quand il faut gonfler les bouées!
:tsor:
Vous dites? Bon, d'accord...
Avatar du membre
bilbo_moria
Don Bilbo de la Vega
Messages : 7460
Enregistré le : 15 déc. 2004, 1:00
Localisation : Tinteniac (35)

Re: M.esa 2 x EL84 = 30W !

Message non lu par bilbo_moria »

Merci pour cet éclairage, Mr Pote Gui
:-D
Avatar du membre
jptrol
G5 Team
G5 Team
Messages : 1435
Enregistré le : 13 mars 2006, 1:00
Localisation : Nord
Contact :

Re: M.esa 2 x EL84 = 30W !

Message non lu par jptrol »

Moi, ce que je me demande, c'est comment un bon petit ampli de 15W avec un gain typique d'environ 80000 se démerde pour ne pas avoir de souffle!
Quand tu vois que le moindre mV rms de bruit blanc en entrée envoie 80 V RMS au primaire de l'OT ???!
jptrol
______________________________________________
Avatar du membre
bilbo_moria
Don Bilbo de la Vega
Messages : 7460
Enregistré le : 15 déc. 2004, 1:00
Localisation : Tinteniac (35)

Re: M.esa 2 x EL84 = 30W !

Message non lu par bilbo_moria »

Non mais là, ça souffle vraiment pas mal, hein ?

Ce qui m'amuse, c'est qu'il est vendu comme étant un 30W ; avec 2 EL84, c'est surprenant. Et quand on le mesure, on tombe sur 15W en clean, ce qui semble plus réaliste ...
Avatar du membre
Lemontheo
G5 Team
G5 Team
Messages : 1810
Enregistré le : 21 janv. 2011, 1:00
Localisation : Rouen
Contact :

Re: M.esa 2 x EL84 = 30W !

Message non lu par Lemontheo »

C'est peut-être 30W quand tu en achètes 2 ???
Avatar du membre
bilbo_moria
Don Bilbo de la Vega
Messages : 7460
Enregistré le : 15 déc. 2004, 1:00
Localisation : Tinteniac (35)

Re: M.esa 2 x EL84 = 30W !

Message non lu par bilbo_moria »

Ca doit être ça, j'vois pas, sinon ;-)
Myn Donos
G5 guru
G5 guru
Messages : 674
Enregistré le : 16 mai 2012, 18:50
Localisation : Toulouse

Re: M.esa 2 x EL84 = 30W !

Message non lu par Myn Donos »

Ou alors c'est de l’esbroufe commerciale habituelle... comme un ampli que des gars avait acheté au taf, en me disant "Waaaaa! 5kW!!!!!".
Bon ben j'ai regardé la prise qui tient que 16A, et j'ai lu qu'il consommait 13 et quelques ampères max.

En fait après mesures, c'est un 600W stéréo, RMS... en bridgé, il fait 5kW bien sur, mais pic à pic.......
François
Avatar du membre
bilbo_moria
Don Bilbo de la Vega
Messages : 7460
Enregistré le : 15 déc. 2004, 1:00
Localisation : Tinteniac (35)

Re: M.esa 2 x EL84 = 30W !

Message non lu par bilbo_moria »

;-)

Non, mais en fait, ce sont des Dyna-Watts, pas des watts : "Dyna-Watt Power™ delivers dynamic bursts far in excess of its modest rating", ça doit être pour ça :mrgreen:

Le modèle F-50 avec 2x6L6 est annoncé pour 50W : sans avoir testé, ça me choque beaucoup moins, sur le papier.

Sinon, mis à part le pb de souffle / foutage de g*, le F-30 sonne assez gros et bien en clean, et le crunch est très chouette également.

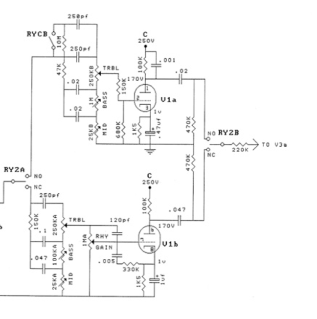
Par ailleurs, j'ai noté que le TS du canal crunch ne sert pas à grand chose (un peu comme sur les Marshall MV genre 2203), alors que le TS du clean est beaucoup plus efficace, ce que l'on retrouve souvent en fait sur les amplis 2 canaux avec TS séparés (et la difficulté pour un mono canal de superbement sonner en clean et en crunch poussé avec un seul TS et un seul filtrage des fréquences par capas de cathode et/ou de couplage, merci cap'tain Obvious ;-) )
TS Mesa.png
(Partie haute : TS crunch, partie basse : TS clean)
Répondre