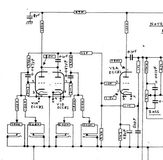
J'avoue que je n'entrave que pouïc au premier étage (les entrées, la première 12AX7) ... very strange ou alors il y a un truc que je n'ai pas vu. Une idée de comment ça marche, ce fourbi ?
(le schéma complet : )
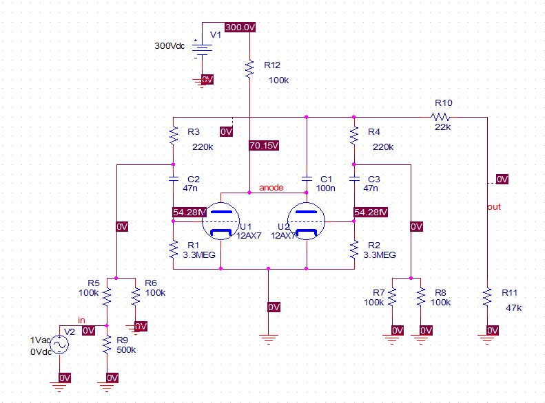
Je n'ai pas creusé le sujet mais je suis à peu près sûr. Les calculs avec un aop se simplifient du fait du gain considéré infini mais ici la forte impédance de grille ( pourvu qu'elle soit bien polarisée cad plus négative que -1 V) fait que le courant alternatif entrant dedans est nul et que la grille est donc au 0 volts pour l'alternatif en première approche . Ceci fait que la totalité de la tension de sortie est sur la résistance de 220 k et la totalité de celle d'entrée sur la 100 k exactement comme un aop en montage inverseur. Ce qui complique les calculs réels est la présence de la résistance de grid-leak très importante ici qui génère une tension alternative sur la grille qui n'est pas vraiment nulle, d'où à mon avis un gain réel résultant peut-être inférieur à 2.Pote Gui a écrit : 22 oct. 2017, 21:23 Pas mieux. Cela dit je m'interroge sur le fait qu'on puisse faire l'analogie avec le fonctionnement d'un aop (nettement plus complexe au demeurant) sur la simple ressemblance de contre-réaction entrée/sortie. Quant au calcul du gain, même chose : tu es bien sûr de ton coup jp?
