Bref, je suis sur un Tweed Deluxe. Oui, mais : 1/ c'est un vrai et 2/ c'est un super vieux : 5A3
Peu accessible dedans, tout vieux, un techos est passé avant et a changé quelques composants (des capas d'alim vieilles de 70 ans ? ce truc date de la fin des années 40, gloups). Au final, pas encore testé le HP mais ça fonctionne plutôt sympathiquement.
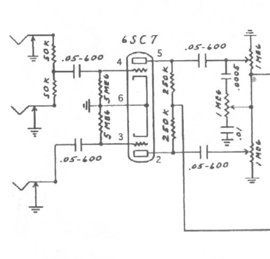
Curiosité au niveau de l'étage d'entrée (matez la polarisation). Je crois que j'ai déjà croisé ça sur des vieilles pétoires italiennes (mais moins vieilles quand même ...)
(et oui, les R ont vraiment les valeurs 50k, 250k et 5M ... enfin, c'est ce qui est écrit dessus, quand on les mesure on va dire que c'est à peu près ça ...)




..::