je viens ici partager avec vous ma curiosité pour ce tube merveilleux mais tout aussi mystérieux qu’est l’ECLL800
Il y a quelques jours, j’ai démonté un vieil électrophone en mode ‘kinder-surprise’. Je pensais y trouver une ELL80 (tube que j’affectionne), montage en deux voies stéréo, single ended.
Quelle ne fut pas ma surprise en découvrant le duo ECLL800 + 6AV6. Montage mono en push-pull.
Il n’en fallait pas plus pour attiser ma curiosité.
J’ai effectué quelques recherches sur le net et trouvé :
le datasheet
quelques informations intéressantes
une vieille revue parlant d'un électrophone push-pull stéréo ECL800 (PAGE 34).
Une vidéo Youtube avec quelques détails électroniques sur ce tube
J’ai croisé également une discussion (merci le forum G5 ;-) ) où il est question d’amplis guitare utilisant ce tube : les amplis Hagström modèles 210 et 310.
Il n’en fallait pas plus pour que fleurisse dans mon esrit l’idée d’un ampli guitare !!!!
1) Qu’est-ce que je peux récupérer de cet électrophone ?
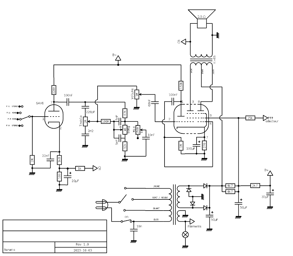
Pour le savoir, je commence par relever le schéma : Après quelques tests et remplacement standard de certains composants usagés, je branche l’ampli et relève les tensions d’alimentation. C’est pas mal !
 
   
 Le chauffage filaments est à un potentiel clairement trop élevé et dangereux pour les tubes.
L’ECLL800 semble en forme. La 6AV6 est un peu fatiguée.
Je peux quasiment garder l’ampli complet. Il n’y a que le design du préampli que je vais virer.
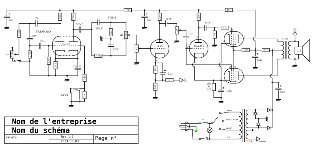
2) Quel schéma pour le transformer en ampli guitare ?
Je peux facilement ajouter une ECC83, sans trop forcer sur le transfo d’alimentation. Ce qui me donne 2 triodes supplémentaires. L’une d’elle servira à amplifier le signal de la guitare avant d’attaquer la 6AV6.
J’aime bien le tremolo du Hagström 310 utilisant une triode d’ECC83…
Je crois que je tiens le design de mon futur préamp.
Le seul truc qui me chagrine, c'est qu'il n'y a pas de réglage d'intensité du trémolo.
 
 La suite au prochain numéro...





 
     
  
  )
 ) 
  
  
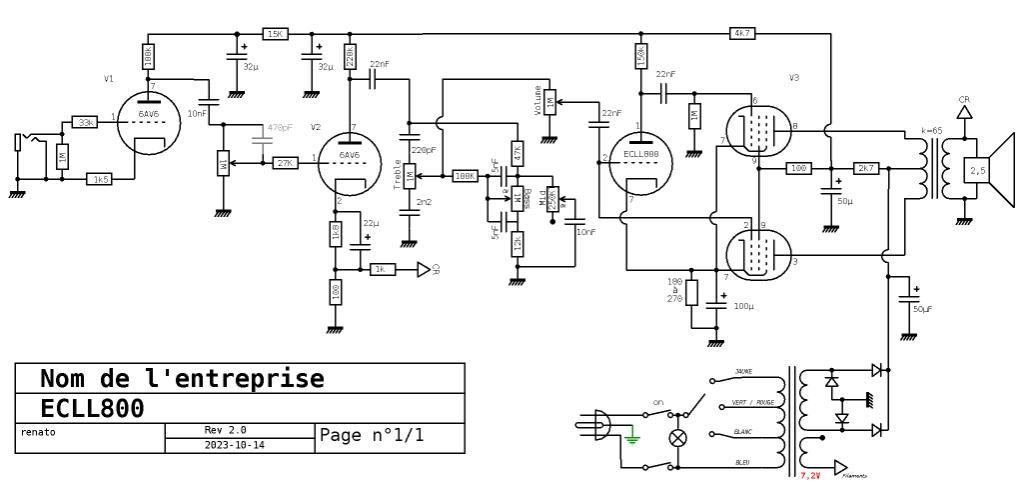
  L'absence du bright-cap se fait cruellement sentir.
  L'absence du bright-cap se fait cruellement sentir.  ...
  ...  
  
  
  
 

 ..::
 ..:: 