Comme je disais dans le post dédié à ce G5 gonflé aux hormonesviewtopic.php?t=6351: j'ai comme qui dirait un souci.
 
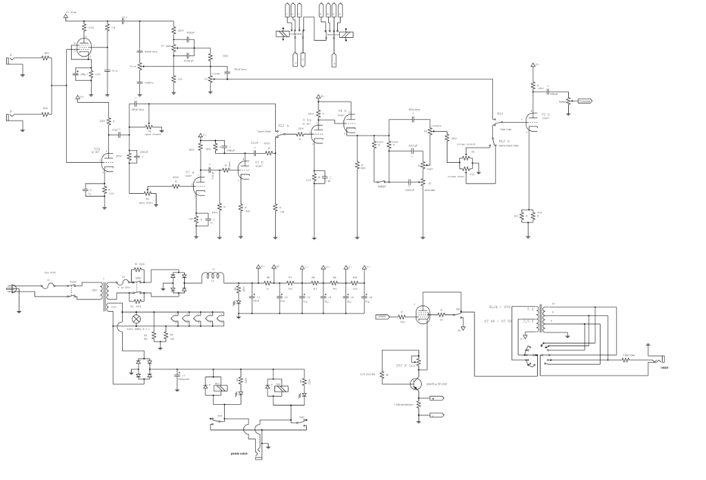
 Voici le setup:
* V1: EF86 : préamp canal clean
* V2: ECC83/12Ax7: 1/2 crunch, 1/2 déphaseur
* V3: idem : canal Distorsion
* V4: idem : Tonalité canal disto / crunch
* V5: 6v6 GT HE : Pour cet essais, R bias 330 ohm avec en parallèle un condensateur chimique 60V de 100µ
Hp: The governor 8 Ohm
TS: Primaire à 5K, Secondaire à 8 Ohm mode Pentode .
Voici les symptômes:
en canal clean : ça sonne ç'est pas très péchu même à fond.
en canal crunch : c'est la cata, on dirait jane Birkin avec de l'anémie, quasi pas de son avec tout à toc.
en canal disto : c'est pareil, j'ai en plus un léger motor boating.
Voici les relevés de tension d'alim:
J'ai essayé d'échanges les lampes v2 à v4 façon bonneteau ça change pas grand chose....
Je suis un peu perdu





 Mais déjà, ton B+ qui passe de 404V à vide à moins de 300V avec tube me laisse perplexe ... Mais ça peut très bien être normal ...
 Mais déjà, ton B+ qui passe de 404V à vide à moins de 300V avec tube me laisse perplexe ... Mais ça peut très bien être normal ...
 )
 )
 
   
  
 et mis un coup de KF contact sur tout les potards/inter du bousin: bin j'ai une trace quand je branle les cartes.
 et mis un coup de KF contact sur tout les potards/inter du bousin: bin j'ai une trace quand je branle les cartes.   fin de chantier, c'est trop dangereux pour moi 1,2KVcc donc si vous connaissez un dépanneur sympa dans la région de Nantes, je prends  HS off/
  fin de chantier, c'est trop dangereux pour moi 1,2KVcc donc si vous connaissez un dépanneur sympa dans la région de Nantes, je prends  HS off/

 ..::
 ..::