Comme dit dans le titre, j'ai craqué sur un ampli exotique hier :
Marque : Ace
Modèle : Tone 301
Origine : Japon
Il n'est nippon, ni mauvais. Il est original. Et il est en panne.
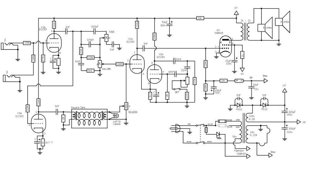
Malheureusement, aucun schéma disponible sur la toile. Alors j'ai pris mes bras pour retrousser mes manches à mon cou :
À partir de désormais. les gens qui chercheront le schéma de cet appareil n feront plus chou blanc.
État des lieux de la partie électronique :
Alors, côté originalité, il m'a donné un peu de fil à retordre. Notamment ce composant :
Ensuite, l'utilisation du transformateur avec 2 secondaires, mais le chauffage filament du tube final ponctionné sur une fraction du primaire. Le tube final, parlons-en :
50BH26 !!!!
Ça c'est du tube rock n'roll !
Même Frank Pocnet n'en parle pas.
Au secondaire, 2 enroulements, donc :
- le 1er pour le chauffage des ECC83 et la tension négative de bias (j'avais dit exotique !)
-le 2nd enroulement apporte une tension d'alimentation du circuit assez basse. Suffisante visiblement pour l'écran de la 50BH26. Pour le reste du circuit, un doubleur de Latour permet d'alimenter le reste du circuit.
Le circuit de réverbération est original également. Point de transformateur pour adapter l'impédance comme on en a l'habitude quand le tank est attaqué par un tube.
Et plus important, un lotto en // sur la sortie du tank mais qui est cassé
La partie tone-stack + volume est elle aussi assez originale.
Il n'y a que le trémolo qui est traditionnel.



..:: 