le pourquoi de mon passage parmi vous:
Après un premier dépannage de cet ampli car la reverb se coupait de manière aléatoire (une saleté de faux contact qu'il a fallu débusquer)
au bout d'une dizaine d'heures d'un son jazzi magnifique cette fois c'est la panne totale
l'utilisation de l'entrée Hi ou low gain de l'overdrive produit un son très très très faible in-réglable par les potars (d'ailleurs sa led ne s'allume même pas)
par le main in le son est très faiblard aussi mais cette fois le potar volume Normal fonctionne et l'augmente à peu près normalement.
Coté historique de dépannage je ne connais que le mien...
mais il y a des anciennes réparations de piste et composants qui ne me plaisent pas du tout !
(désolé pour la "précision" des photos mais pour les détails le 800X600 c'est pas le top...dites moi comment svp si vous avez besoin de plus grand) Pour la reverb hs j'avais déjà récupéré le maximum d'info (surtout ici)
et fais tout de suite la correction du câblage standby d'origine pour essayer de sauver les lampes... La pré-amp est une 12AT7 RCA et l'ampli utilise 2X 5881/6L6WGC Sovtek (ça devrait être des 6L6GC d'après le site plus haut
...mais il est probable qu'elles aient déjà bien souffert et malheureusement je ne sais pas comment les tester.
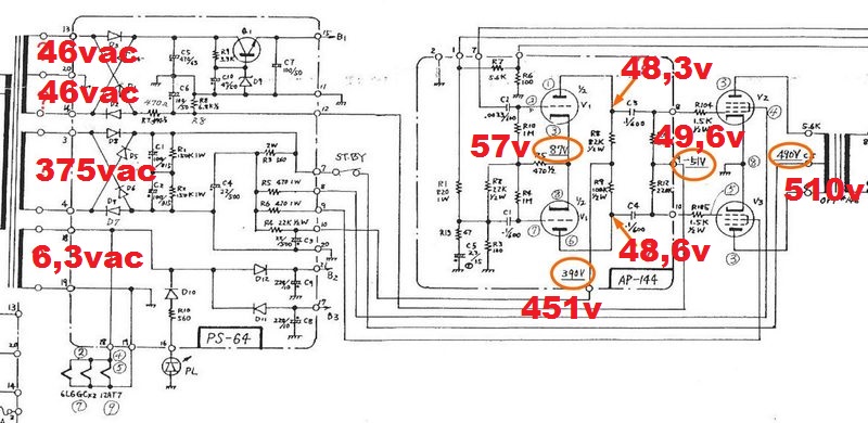
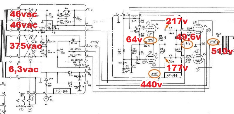
voilà une tentative de photo sans flash en mode nuit: j'ai commencé à faire des relevés de tension et certains écarts me sembles importants 8O
http://bolt60.no.sapo.pt/documents/bolt ... ematic.jpg
510V au lieu de 490V au CT Transfo
B1 à 50V au lieu de 47V
le commun des cathodes de la 12AT7 à 57V au lieu de.... 87V
le point 6 de la carte AP144 à 460V au lieu de ... 390V
qu'en pensez vous svp ?
si vous avez des pistes, conseils sur la remise en état de cet ampli (j'ai déjà lu ici qu'un CI 4066 serait un plus par rapport au 4016
sachant que je suis un novice complet en champ
merci d'avance et bon dimanche,

