AC15 replica : Buzz selon le placement de la guitare

Pour réparer ou rénover un ampli qui n'est pas issu du site.
cox77
G5 bidouilleur
G5 bidouilleur
Messages : 8
Enregistré le : 12 avr. 2012, 13:46

AC15 replica : Buzz selon le placement de la guitare

Message non lu par cox77 »

Bonjour,

Je viens de terminer la réplique d'un AC15 sur la base du trinity AC15

En fonction de la position de la guitare, j'ai un gros Buzz

A 3 mètres je n'ai presque pas de bruit, si je m'approche de l'ampli le ronflement / buzz devient énorme. En plus, cela varie selon l'orientation de la guitare.

A savoir. j'utilise un chassis hammond en alu, un torique réalisé sur mesure par audiop... monté en vertical ( // sur la profondeur du chassis) , un OT hammond 125E (en // sur la longueur.).
Le chassis n'est pas encore monté dans un coffrage bois.

Autre point comment cabler un Hammond 125 E :

- On choisit l'impédence en K et le HP en sélectionnant une combinaison des sorties repérées de 1 à 6, mais quel est le chiffre qui corrspond à la masse du jack. Idem pour le raccorder aux EL 34, un fil bleu et un marron qui vont chacun sur la pin 7 des 2 EL34. Comment je sais quel fil va à quel EL34.

Merci d'avance
Avatar du membre
bilbo_moria
Don Bilbo de la Vega
Messages : 7460
Enregistré le : 15 déc. 2004, 1:00
Localisation : Tinteniac (35)

Re: AC15 replica : Buzz selon le placement de la guitare

Message non lu par bilbo_moria »

C’est le transfo d’alim qui rayonne. L’effet est particulièrement sensible sur les micros simples bobinages, mais beaucoup moins sur les HB, par exemple. C’est normal.
Mais ! cela peut-être anormal si c’est un ronflement particulièrement énorme. Dans ce cas, soit tu tires trop d’intensité sur ton transfo et il n’en peut plus (Jo / Vitriol expliquerait ça bien mieux que moi ;-) ), soit c’est un transfo qui rayonne beaucoup : j’ai eu ce dernier cas : même en débranchant tout au secondaire du transfo (donc pas de consommation), je trouvais qu’il rayonnait beaucoup. Pas grand chose à faire si ce n’est opter pour un autre transfo, dans ce cas. Demander aussi l’avis à des potes qui viendront écouter, on vire parfois parano face aux défauts de nos propres réalisations ;-)

Pour l’OT, on va voir ça ...

EDIT : tu parles de EL34, mais je suppose que ton ampli est équipé de EL84. Quelle impédance veux-tu présenter au primaire ? Classiquement, pour un PP de EL84, on va dire qu’il faut environ 8k.
Au primaire, le rouge va au B+ (alim), chaque fil restant va sur une anode d’un EL84. On se fout un peu du sens, du fait qu’il n’y a pas de contre réaction sur l’AC15.
Au secondaire, pour un HP 8Ω, tu peux utiliser les fils 2 et 5 (pour une impédance reflétée au primaire de 8.2k) ou 3 et 6 (pour une impédance au primaire de 6,8k). Auquel cas tu branches le fil 2 à la masse ou le fil 3 à la masse selon le choix d’impédance ...
Avatar du membre
vitriol82
G5 Team
G5 Team
Messages : 7086
Enregistré le : 25 août 2005, 2:00
Contact :

Re: AC15 replica : Buzz selon le placement de la guitare

Message non lu par vitriol82 »

Il faudrait déjà commencer par mettre un plan, un layout ou photos de la réalisation et les specs du transfo.

Pour un PP d'EL84, il faut au moins 50VA de HT (240V/200mA) et ce sans point milieu ou sinon faut doubler la puissance

Pour savoir dans quel sens il faut brancher le transfo de sortie, il n'y a pas de règle: on câble au pif, s'il y a un NFB (negative feedback), si l'on pousse le master et que ça part en vrille, on inverse, tout simplement.
Si tu veux voir des bleus gagner, regardes Avatar :-)
Avatar du membre
Pote Gui
G5 Team
G5 Team
Messages : 4469
Enregistré le : 15 mai 2012, 11:07
Localisation : Lyon (69)

Re: AC15 replica : Buzz selon le placement de la guitare

Message non lu par Pote Gui »

comment cabler un Hammond 125 E
http://www.hammondmfg.com/pdf/5c0054.pdf
Comment je sais quel fil va à quel EL34
Sauf cas de contre-réaction, je ne crois pas que cela ait une importance majeure (à confirmer toutefois). Dans tous les cas, tu pars du bas dans le schéma du transfo, et tu as ton marron au primaire pour l'EL34 du bas, et ton 2 (si tu choisis par exemple de prendre 8 ohm d'impédance pour le hp pour 4,2k reflétés en guise de charge de ton PP d'EL34) au secondaire pour le commun du hp, le 6 allant au point chaud.

J'espère que j'ai été clair :?

eddyt mitchell :
p'tain, rafale de posts, couchez-vous :P !
Avatar du membre
vitriol82
G5 Team
G5 Team
Messages : 7086
Enregistré le : 25 août 2005, 2:00
Contact :

Re: AC15 replica : Buzz selon le placement de la guitare

Message non lu par vitriol82 »

- On choisit l'impédence en K et le HP en sélectionnant une combinaison des sorties repérées de 1 à 6, mais quel est le chiffre qui corrspond à la masse du jack. Idem pour le raccorder aux EL 34, un fil bleu et un marron qui vont chacun sur la pin 7 des 2 EL34. Comment je sais quel fil va à quel EL34.
Un clone d'AC15 en EL34?? :roll: :roll:
Si tu veux voir des bleus gagner, regardes Avatar :-)
Avatar du membre
Pote Gui
G5 Team
G5 Team
Messages : 4469
Enregistré le : 15 mai 2012, 11:07
Localisation : Lyon (69)

Re: AC15 replica : Buzz selon le placement de la guitare

Message non lu par Pote Gui »

Un clone d'AC15 en EL34?? :roll: :roll:
Un Hiwatt quoi :lol:
cox77
G5 bidouilleur
G5 bidouilleur
Messages : 8
Enregistré le : 12 avr. 2012, 13:46

Re: AC15 replica : Buzz selon le placement de la guitare

Message non lu par cox77 »

Merci pour les explications, en fait la sortie qui va à la masse du jack est toujours celle qui figure en premier sur le tableau Hammond

Désolé, faute de frappe : lire el 84 et non EL34

J'ai choisi 6.8K avec un HP de 8ohm, le 3 a la masse, le 6 sur le + du HP

Voici les caractéristiques du transfo commandé ( il y a en plus l'option "screen" que j'ai relié à la masse)

Primaire : 230V
Secondaires

290 0 290v : 0,140 A
0 - 5V : 2A
0 - 6,3V : 3,5A

(113.25 VA 5 enroulements (1 primaire + 4 secondaire) soit 48 € (+ 2 x10 % écran et secondaires supérieurs à 110 V) soit 57.6 €ttc.)

ici ce sont les specs du transfo qui est vendu dans le Kit proposé par trinity

Trinity Amps Power Transformer Specifications
-----------------------------------------------------
> Primary: 117/234 V 60/50 Hz.
> Secondaries:
> > 290-0-290 120 mA
> > 5V 2A Rectifier tap
> > 6.3 V 1A Rectifier tap;
> > 6.3 VCT 3.25A Filament tap;
> Bell Cover Finish: Black
> Flying leads

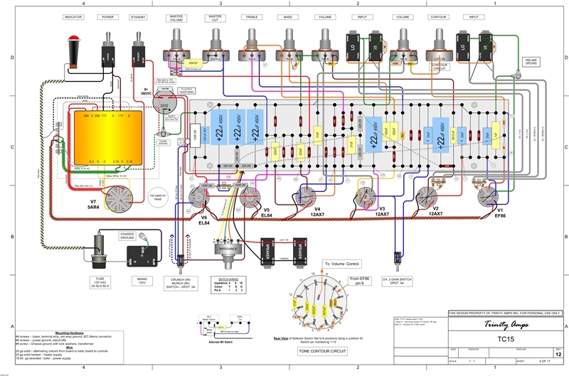
Je fais une photo ce soir.
Fichiers joints
Layout TC15
Layout TC15
Répondre