Ampli pour casque

Pour la conception et la réalisation de vos amplis.
Avatar du membre
jmd_91
G5 optimiseur
G5 optimiseur
Messages : 365
Enregistré le : 04 juil. 2013, 19:56
Localisation : 91 Nord Essonne

Ampli pour casque

Message non lu par jmd_91 »

hello ,

bon , j ai entamé la construction d un ampli pour casque .
PICT6085.JPG
&
Ampli Casque 800 Ohms.jpg
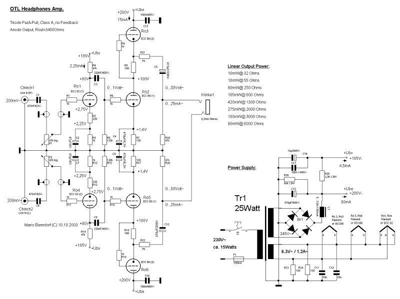
c est une reprise d un plan vu ici :arrow:

http://www.jogis-roehrenbude.de/Leserbr ... eibung.htm

avec une différence sur l alim HT puisque j avais un transfo torique en rabe et les tensions sont différentes sur la HT
PICT6090.JPG
hop la :wink:
PICT6091.JPG
et paf :mrgreen:
PICT6093.JPG
Modifié en dernier par jmd_91 le 02 mars 2014, 9:02, modifié 3 fois.
Avatar du membre
Lemontheo
G5 Team
G5 Team
Messages : 1810
Enregistré le : 21 janv. 2011, 1:00
Localisation : Rouen
Contact :

Re: Ampli pour casque

Message non lu par Lemontheo »

Si la HT augmente, fait attention de ne pas dépasser le maximum cathode/filaments des ECC82. Sinon, augmente la tension de référencement du chauffage grˆace à un pont diviseur sur la HT.

Sinon, chouette projet :wink:

Théophile
Avatar du membre
Pote Gui
G5 Team
G5 Team
Messages : 4469
Enregistré le : 15 mai 2012, 11:07
Localisation : Lyon (69)

Re: Ampli pour casque

Message non lu par Pote Gui »

Si la HT augmente, fait attention de ne pas dépasser le maximum cathode/filaments des ECC82.
Tu ne voulais pas plutôt parler des ECC88? Parce que je ne vois pas très bien ce que risquent les ECC82 avec 2,75V à la cathode...
Avatar du membre
jmd_91
G5 optimiseur
G5 optimiseur
Messages : 365
Enregistré le : 04 juil. 2013, 19:56
Localisation : 91 Nord Essonne

Re: Ampli pour casque

Message non lu par jmd_91 »

hello ,

les ECC88 , c est maxi 130 V= dans chaque triode , du coup , faut même pas compter d aller a 260 V= .

mais je vais faire en sorte d avoir max : 200 V= comme sur le plan de base :wink:
Avatar du membre
Lemontheo
G5 Team
G5 Team
Messages : 1810
Enregistré le : 21 janv. 2011, 1:00
Localisation : Rouen
Contact :

Re: Ampli pour casque

Message non lu par Lemontheo »

:oops: oui, bien sˆur, je parlais de l'étage de sortie (la bourde...)
Avatar du membre
jmd_91
G5 optimiseur
G5 optimiseur
Messages : 365
Enregistré le : 04 juil. 2013, 19:56
Localisation : 91 Nord Essonne

Re: Ampli pour casque

Message non lu par jmd_91 »

hello ,

la MAJ se poursuit , arf , la ca devient hard pour mes yeux en morceaux 8O

si tout se passe bien , ca devrait etre audible pour ce week end :good:


hello ,

le voila presque finis :arrow:
Ampli Casque ECC82 - ECC88 ..JPG
pour les perfs :!:

je donne juste la tension d alim : soit 185 V= après modif ultime , pour la puissance , oups , ca envois très fort , même trop fort et du coup , je referais des mesures quand il sera fini , je voudrais quand même limiter le gain car avec mon casque de 300 Ohms , je dépasse les 300mW 8O
PICT6109.JPG
erreur sur les cotes du coffret , c est donc en mode proto dans l immédiat :good:
Avatar du membre
jmd_91
G5 optimiseur
G5 optimiseur
Messages : 365
Enregistré le : 04 juil. 2013, 19:56
Localisation : 91 Nord Essonne

Re: Ampli pour casque

Message non lu par jmd_91 »

MAJ ,

l ampli est full opérationnel :good:
Ampli OTL HeadPhone - 32 at 800 Ohms.jpg
& tester avec 2 HP's de 16 Ohms
Test Ampli OTL - 2 HP's 16 Ohms 5 W.JPG
voila , le plan est okey , juste une modif entre l entré BF et le potar , rejout de 2 résistances de 39 K sur chaque voie , a noté , qu' il faut quand même un bon casque :wink:

PS: y avait une erreur sur le calcul de sortie , env. 20 mW sous 1 Khz a 16 Ohms :wink:
Modifié en dernier par jmd_91 le 21 mars 2014, 14:42, modifié 1 fois.
Avatar du membre
Lemontheo
G5 Team
G5 Team
Messages : 1810
Enregistré le : 21 janv. 2011, 1:00
Localisation : Rouen
Contact :

Re: Ampli pour casque

Message non lu par Lemontheo »

ça a l'air bien ton affaire!

:good:

Théophile
Avatar du membre
vitriol82
G5 Team
G5 Team
Messages : 7086
Enregistré le : 25 août 2005, 2:00
Contact :

Re: Ampli pour casque

Message non lu par vitriol82 »

J'ai bien apprécier les perfs, sympa ce petit projet, mais il faut que je le reteste avec mon casque Bose
Si tu veux voir des bleus gagner, regardes Avatar :-)
Avatar du membre
McColson
Admin du site
Admin du site
Messages : 8030
Enregistré le : 07 nov. 2004, 1:00
Localisation : La Celle sur Morin
Contact :

Re: Ampli pour casque

Message non lu par McColson »

Merci de compiler tes poste jmd-91. Il est prohibé de poster plusieurs messages d'affilé. Merci.
Avatar du membre
jmd_91
G5 optimiseur
G5 optimiseur
Messages : 365
Enregistré le : 04 juil. 2013, 19:56
Localisation : 91 Nord Essonne

Re: Ampli pour casque

Message non lu par jmd_91 »

Maj & Fin :good:
Avatar du membre
Lemontheo
G5 Team
G5 Team
Messages : 1810
Enregistré le : 21 janv. 2011, 1:00
Localisation : Rouen
Contact :

Re: Ampli pour casque

Message non lu par Lemontheo »

D'accord, mais il faut compiler les double posts et écrire dedans "à supprimer"

Théophile
Avatar du membre
bilbo_moria
Don Bilbo de la Vega
Messages : 7460
Enregistré le : 15 déc. 2004, 1:00
Localisation : Tinteniac (35)

Re: Ampli pour casque

Message non lu par bilbo_moria »

Mode d’emploi pour compiler les messages : viewtopic.php?f=21&t=1323

Allez, JMD, tu peux le faire, on a confiance !

:D
Avatar du membre
jmd_91
G5 optimiseur
G5 optimiseur
Messages : 365
Enregistré le : 04 juil. 2013, 19:56
Localisation : 91 Nord Essonne

Re: Ampli pour casque

Message non lu par jmd_91 »

hello ,

d ici quelques jours , je pense modifier l alim HT sur cet ampli OTL pour casque , en effet , j avais eu des doutes sur la qualité a pleine puissance , ce que j ai contrôler a l oscillo , je vais donc mettre une self Hammond 154 H de 4 H sous 50 mA ( 300 ohms ) , histoire de faire chuter un parasite flottant sur le continu , que j avais découvert sur mes charge de 600 Ohms mais que je n avais pas sur mon ancien casque , le nouveau le laisse apparaitre :(

bien sur , j édite le post une fois finis :wink:
Répondre