Valve Junior :Refonte totale...
Re : Valve Junior :Refonte totale...
Aie, désolé pour la pollution du post! J'ai cru bon de poser ma question ici car elle était liée a cet ampli.
J'ai crée un post tout neuf rien qu'a moi, ici: viewtopic.php?p=61814#61814
J'ai crée un post tout neuf rien qu'a moi, ici: viewtopic.php?p=61814#61814
- Lemontheo
- G5 Team

- Messages : 1810
- Enregistré le : 21 janv. 2011, 1:00
- Localisation : Rouen
- Contact :
Re : Valve Junior :Refonte totale...
Bonjour,
je viens de trouver sur le net les specs de mon PT :
260V/90ma ; 6,3V/3,5A.
Du coup, je me demande si je ne vais pas lui monter une EL34 pour qu'il cause un peu plus (J'ai un 125DSE en OT, je pense qu'il le supportera).
De plus, j'ai aussi trouvé le schéma du vrai Plexi de 70 (1959 JMP superlead) et je me rends compte que la place pour un potard de plus est jouable et que le circuit ne bouge pas tant que cela. J'aurai donc un Plexi avec 2 gains et un master volume.
A ça, j'ajouterais bien un VVR dont je parle ici pour avoir un contrôle total de l'ampli
J'ai fais une simulation sur Banzai et le VVR me couterai moins de 5€
C'est vraiment dur de s'arrêter lorsque l'on y a gouté...
je viens de trouver sur le net les specs de mon PT :
260V/90ma ; 6,3V/3,5A.
Du coup, je me demande si je ne vais pas lui monter une EL34 pour qu'il cause un peu plus (J'ai un 125DSE en OT, je pense qu'il le supportera).
De plus, j'ai aussi trouvé le schéma du vrai Plexi de 70 (1959 JMP superlead) et je me rends compte que la place pour un potard de plus est jouable et que le circuit ne bouge pas tant que cela. J'aurai donc un Plexi avec 2 gains et un master volume.
A ça, j'ajouterais bien un VVR dont je parle ici pour avoir un contrôle total de l'ampli
J'ai fais une simulation sur Banzai et le VVR me couterai moins de 5€
C'est vraiment dur de s'arrêter lorsque l'on y a gouté...
Re: Re : Valve Junior :Refonte totale...
Salut
Sur les Plexi 1959 Super Lead, il y a généralement un peu moins de filtrage HT, de petites différences de valeurs sur 2 composants du tone stack etc ...
C'est un peu différent en terme de son par rapport aux metal panel, un son moins "tendu", ça tord un peu moins, le voicing est un peu différent (creux dans le medium)
à+
En 70, ce n'est plus un "plexi", c'est un metal panel ...Lemontheo a écrit :De plus, j'ai aussi trouvé le schéma du vrai Plexi de 70 (1959 JMP superlead)
Sur les Plexi 1959 Super Lead, il y a généralement un peu moins de filtrage HT, de petites différences de valeurs sur 2 composants du tone stack etc ...
C'est un peu différent en terme de son par rapport aux metal panel, un son moins "tendu", ça tord un peu moins, le voicing est un peu différent (creux dans le medium)
à+
Re : Valve Junior :Refonte totale...
Salut,260V/90ma ; 6,3V/3,5A
Les 260V, 90mA ce sont des valeurs AC ?
23VA pour une EL34 ça m'a l'air très léger, il te faudrait plutôt dans les 35VA !
- Lemontheo
- G5 Team

- Messages : 1810
- Enregistré le : 21 janv. 2011, 1:00
- Localisation : Rouen
- Contact :
Re : Valve Junior :Refonte totale...
Bonjour,
bon, je me suis trompé dans les valeurs du PT, elles sont encore plus basses
260v 62ma; 6.3V 1,6A
Donc effectivement, je ne risque pas de mettre une EL34.
En revanche, j'ai vraiment envie d'expérimenter et donc après lecture du sujet sur le Stand-by et celui sur le switching, plus les recherches sur le vvr, j'ai vraiment envie de modifier encore mon ampli de cette manière.
donc un préamp plus plexi, un switching pour solo, un nouveau stdby, un bias réglable, et un vvr, mais je ne suis pas sûr de tout mon schéma.
Merci de me guider (à nouveau
)
Théophile
bon, je me suis trompé dans les valeurs du PT, elles sont encore plus basses
260v 62ma; 6.3V 1,6A
Donc effectivement, je ne risque pas de mettre une EL34.
En revanche, j'ai vraiment envie d'expérimenter et donc après lecture du sujet sur le Stand-by et celui sur le switching, plus les recherches sur le vvr, j'ai vraiment envie de modifier encore mon ampli de cette manière.
donc un préamp plus plexi, un switching pour solo, un nouveau stdby, un bias réglable, et un vvr, mais je ne suis pas sûr de tout mon schéma.
Merci de me guider (à nouveau
Théophile
Re : Valve Junior :Refonte totale...
Je crains que ton C+ et D+ ne soient pas assez filtrés.
750k plus ton pot de master de 250k ça fait 1Meg, pour une EL84 en Cathode BIAS ça fait trop, je crois il me semble qu'il ne faut pas dépasser les 500k.
Le condo qui suit le TS n'est pas indispensable à moins que tu veuilles filtrer les basses.
750k plus ton pot de master de 250k ça fait 1Meg, pour une EL84 en Cathode BIAS ça fait trop, je crois il me semble qu'il ne faut pas dépasser les 500k.
Le condo qui suit le TS n'est pas indispensable à moins que tu veuilles filtrer les basses.
- Lemontheo
- G5 Team

- Messages : 1810
- Enregistré le : 21 janv. 2011, 1:00
- Localisation : Rouen
- Contact :
Re : Valve Junior :Refonte totale...
Merci,
En revanche, est-ce que cette méthode pour le solo est viable, efficace? dois-je prendre un pot lin ou log?
Désolé, mais j'avais oublié de mettre le condo de tête...
Quand au condo de sortie de TS, j'avoue avoir un peu pompé sur le schéma du G5, de plus, sur les JCM 800, il y en a un de même valeur avant le PI, mais c'est peut-être justement ce dernier qui le nécessite...
J'essayerais avec puis sans et je garderais la configuration qui me convient le mieux.
Théophile
J'en prends note.750k plus ton pot de master de 250k ça fait 1Meg, pour une EL84 en Cathode BIAS ça fait trop, je crois il me semble qu'il ne faut pas dépasser les 500k.
En revanche, est-ce que cette méthode pour le solo est viable, efficace? dois-je prendre un pot lin ou log?
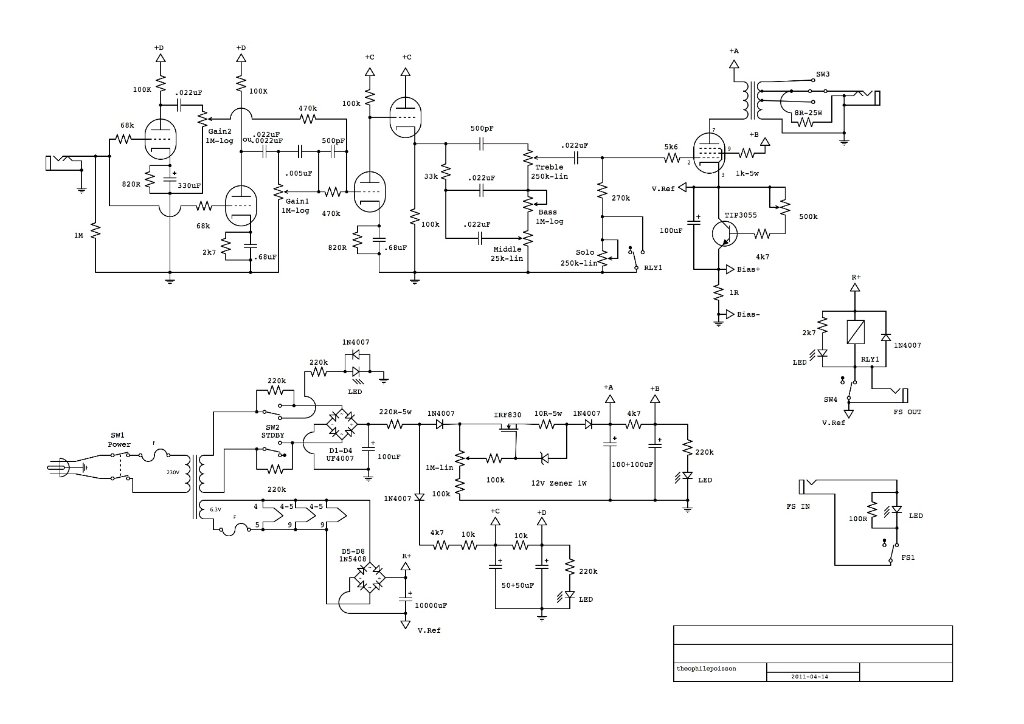
(schéma à jour)Je crains que ton C+ et D+ ne soient pas assez filtrés.
Désolé, mais j'avais oublié de mettre le condo de tête...
Quand au condo de sortie de TS, j'avoue avoir un peu pompé sur le schéma du G5, de plus, sur les JCM 800, il y en a un de même valeur avant le PI, mais c'est peut-être justement ce dernier qui le nécessite...
J'essayerais avec puis sans et je garderais la configuration qui me convient le mieux.
Théophile
Re : Valve Junior :Refonte totale...
Ton système de master en sotie de TS ne va pas donné grand chose je pense car dans ton cas tu ne fais varier que la valeur résistive du référencement à la masse de ta G1, ce qui ne va agire que très faiblement sur le gain.
Il te faut à ce moment là passer par des ponts diviseurs en démarquant bien deux chemins de signal avec un des deux plus atténué que l'autre.
Il te faut à ce moment là passer par des ponts diviseurs en démarquant bien deux chemins de signal avec un des deux plus atténué que l'autre.
- Lemontheo
- G5 Team

- Messages : 1810
- Enregistré le : 21 janv. 2011, 1:00
- Localisation : Rouen
- Contact :
Re: Valve Junior :Refonte totale...
Salut à tous,
des news de ce petit ampli qui me sert de plateforme d'essais, que je martyrise à souhait....
J'ai changé un peu le schéma pour en arriver à un son plus r'n'roll, et moins High-gain. C'est donc plus dans la veine d'un JTM, mais sans trop de basses, avec un voicing légèrement inspiré du SLO (oui, je sais, c'est antinomique
)...
Et bien, c'est sacrément R'N'Roll tout ça
Théophile
EDIT
Et voici la Version 6 que je pense être la finale après jugement positif de Bilbo, McColson, Pote Gui, Celmo. On est tout à fait dans l'esprit SLP - brown sound !
L'ampli est sauvage, avec un beau clean, et de belles disto...
On a une palette sonore vraiment vaste sans que les basses ne dégu...le dans la EL84, mais avec un son qui ne verse pas non plus dans le harsch (merci les R de grille, surtout celle de V2b)...
Le VVR est génial, et je pèse mes mots. Il permet à cet ampli d'être hyper polyvalent (utilisation en appart, studio, bar-concert,...)
Et j'ajoute qu'avec 340V aux anodes, il crache bien
Théophile
des news de ce petit ampli qui me sert de plateforme d'essais, que je martyrise à souhait....
J'ai changé un peu le schéma pour en arriver à un son plus r'n'roll, et moins High-gain. C'est donc plus dans la veine d'un JTM, mais sans trop de basses, avec un voicing légèrement inspiré du SLO (oui, je sais, c'est antinomique
Et bien, c'est sacrément R'N'Roll tout ça
Théophile
EDIT
Et voici la Version 6 que je pense être la finale après jugement positif de Bilbo, McColson, Pote Gui, Celmo. On est tout à fait dans l'esprit SLP - brown sound !
L'ampli est sauvage, avec un beau clean, et de belles disto...
On a une palette sonore vraiment vaste sans que les basses ne dégu...le dans la EL84, mais avec un son qui ne verse pas non plus dans le harsch (merci les R de grille, surtout celle de V2b)...
Le VVR est génial, et je pèse mes mots. Il permet à cet ampli d'être hyper polyvalent (utilisation en appart, studio, bar-concert,...)
Et j'ajoute qu'avec 340V aux anodes, il crache bien
Théophile
- dymo
- G5 optimiseur

- Messages : 315
- Enregistré le : 07 mars 2007, 1:00
- Localisation : Joué les Tours 37
- Contact :
Re: Valve Junior :Refonte totale...
Excellent, ton Plexi Junior, Lemonthéo ! Il se raprocherait très bien de la configuration que j'envisageais de faire. Peux-tu me dire ce que tu as en tube de puissance ?
Je suppose que pour V1 et V2, ce sont des 12AX7. Par contre, si c'est le cas, je n'arrive pas à savoir comment tu as polarisé tes tubes de préamp : des résistances de cathodes 2.7K en V1a et ...10K en V1b, j'avoue que là, je suis largué. Des petites précisions me seraient bien utiles.
Je suppose que pour V1 et V2, ce sont des 12AX7. Par contre, si c'est le cas, je n'arrive pas à savoir comment tu as polarisé tes tubes de préamp : des résistances de cathodes 2.7K en V1a et ...10K en V1b, j'avoue que là, je suis largué. Des petites précisions me seraient bien utiles.
Site de mon groupe : http://www.racocosband.fr
- Lemontheo
- G5 Team

- Messages : 1810
- Enregistré le : 21 janv. 2011, 1:00
- Localisation : Rouen
- Contact :
Re: Valve Junior :Refonte totale...
Comme tu peux t'en apercevoir, il y a eu 6 versions du Plexi Junior....
Deux versions me sembles à privilégier, la 3 et la 6.
La 3 correspond en gros à un préamp de JCM800 couplé à une EL84 ;comme le JCM800 tire une grande partie de son gain du préamp, ça colle. Il y a beaucoup de compression, et si tu modifies R en la passant à 4k7, tu auras un "bogner"
La 6 a ma préférence car plus sauvage et bénéficiant de la saturation de la lampe de puissance (EL84) et de la triode driveuse au contenu harmonique très intéressant (proche d'un PI). Et le VVR te permet d'avoir un son EVH de 0.7w à 7w de puissance...
2k7 pour polariser un peu froid et avoir un beau crunch avec un boost en façade,
10k pour développer les harmoniques avec très peu de signal en entrée, car la lampe arrive rapidement en cut-off.
Théophile
Deux versions me sembles à privilégier, la 3 et la 6.
La 3 correspond en gros à un préamp de JCM800 couplé à une EL84 ;comme le JCM800 tire une grande partie de son gain du préamp, ça colle. Il y a beaucoup de compression, et si tu modifies R en la passant à 4k7, tu auras un "bogner"
La 6 a ma préférence car plus sauvage et bénéficiant de la saturation de la lampe de puissance (EL84) et de la triode driveuse au contenu harmonique très intéressant (proche d'un PI). Et le VVR te permet d'avoir un son EVH de 0.7w à 7w de puissance...
Je me suis basé sur les schémas de Marshall (2204 et 1987) disponibles sur EL34world.dymo a écrit :Par contre, si c'est le cas, je n'arrive pas à savoir comment tu as polarisé tes tubes de préamp : des résistances de cathodes 2.7K en V1a et ...10K en V1b, j'avoue que là, je suis largué.
2k7 pour polariser un peu froid et avoir un beau crunch avec un boost en façade,
10k pour développer les harmoniques avec très peu de signal en entrée, car la lampe arrive rapidement en cut-off.
Théophile
- dymo
- G5 optimiseur

- Messages : 315
- Enregistré le : 07 mars 2007, 1:00
- Localisation : Joué les Tours 37
- Contact :
Re: Valve Junior :Refonte totale...
ok, je commence à comprendre la philosophie du High Gain. Merci pour tes infos. Je retourne à mes datasheets et je ferai sans doute encore appel à toi si j'ai besoin.
Bye
Bye
Site de mon groupe : http://www.racocosband.fr
- Lemontheo
- G5 Team

- Messages : 1810
- Enregistré le : 21 janv. 2011, 1:00
- Localisation : Rouen
- Contact :
Re: Valve Junior :Refonte totale...
Tu vas voir, c'est vraiment cool le high gain 8)
(surtout les oscillations
)
Théophile
(surtout les oscillations
Théophile
- dymo
- G5 optimiseur

- Messages : 315
- Enregistré le : 07 mars 2007, 1:00
- Localisation : Joué les Tours 37
- Contact :
Re: Valve Junior :Refonte totale...
Je voudrais séparé le préamp en 2 (v1 ou V1+V2) pour avoir 2 canaux distincts, avec switch, comme je l'ai fait sur mes précédentes réalisations, mais je me demande si, en faisant ça je ne vais pas me retrouver avec un canal clair asmathique ?
Site de mon groupe : http://www.racocosband.fr
Re: Valve Junior :Refonte totale...
Perso, je pense que la solution pour avoir un bon clean ET un bon crunch/lead est d'avoir 2 préamps totalement séparés jusqu'au PI (Voire même 1 PI par canal
)


