SimulHP V2
- McColson
- Admin du site

- Messages : 8042
- Enregistré le : 07 nov. 2004, 1:00
- Localisation : La Celle sur Morin
- Contact :
Re: SimulHP V2
Question rendement aussi je sais pas si c'est top le mono alternance... Je pense que je vais me faire un PCB pour les deux possibilités d'alim.
- Lemontheo
- G5 Team

- Messages : 1813
- Enregistré le : 21 janv. 2011, 1:00
- Localisation : Rouen
- Contact :
Re: SimulHP V2
Univox utilisait beaucoup le mono alternance pour ses amplis (A+ > 650V, B+ > 325V)
Je pense que Hotamp t'aurait dit :"tu t'en fous !"
Je pense que Hotamp t'aurait dit :"tu t'en fous !"
- McColson
- Admin du site

- Messages : 8042
- Enregistré le : 07 nov. 2004, 1:00
- Localisation : La Celle sur Morin
- Contact :
Re: SimulHP V2
ça avance !
L'objectif étant de mettre 2 voies, l'alimentation, l'USB et la sortie casque et le module réamp dans un seul et même boitier, j'ai donc fait un PCB assez compact.
Il fait 4.5*16cm, d'une mon boitier fera 16cm de profondeur et puis c'est aussi la dimension d'une plaque de PCB (10*16cm). Avec une plaque on peut donc faire les 2 voies
.
On peut facilement monter que la DI sans le simulHP, et si on veut utiliser le boitier de Tubetown, il suffit de couper le circuit d'1cm au niveau de la prise XLR de d'acheter un modèle à câbler.
Input et Thru en façade, et le combo XLR/jack balanced sur la face arrière.
La barrette de 10 cosses permet de cabler la led de clipping, les interrupteurs pour le simulHP, l'atténuation et le ground lift.
Vous en pensez quoi ?
L'objectif étant de mettre 2 voies, l'alimentation, l'USB et la sortie casque et le module réamp dans un seul et même boitier, j'ai donc fait un PCB assez compact.
Il fait 4.5*16cm, d'une mon boitier fera 16cm de profondeur et puis c'est aussi la dimension d'une plaque de PCB (10*16cm). Avec une plaque on peut donc faire les 2 voies
On peut facilement monter que la DI sans le simulHP, et si on veut utiliser le boitier de Tubetown, il suffit de couper le circuit d'1cm au niveau de la prise XLR de d'acheter un modèle à câbler.
Input et Thru en façade, et le combo XLR/jack balanced sur la face arrière.
La barrette de 10 cosses permet de cabler la led de clipping, les interrupteurs pour le simulHP, l'atténuation et le ground lift.
Vous en pensez quoi ?
Re: SimulHP V2
Good 
Gaffe au combo par contre : pour une DI il faut du XLR male, et il me semble que les combos XLR/jack n'existent qu'en XLR femelle !McColson a écrit :Input et Thru en façade, et le combo XLR/jack balanced sur la face arrière.
- McColson
- Admin du site

- Messages : 8042
- Enregistré le : 07 nov. 2004, 1:00
- Localisation : La Celle sur Morin
- Contact :
Re: SimulHP V2
Exact, mais est-ce vraiment embêtant que ce soit une prise femelle ? y'a un standard là dessus ?
Re: SimulHP V2
C'est gênant oui, puisque ça va à l'encontre du "standard". Je ne sais pas si c'est vraiment formalisé, mais en pratique, du moins en audio, on a toujours :
- entrée = XLR femelle (combo XLR/jack possible)
- sortie = XLR male (ajouter un jack TRS en parallèle si besoin)
Et comme les cables XLR ont un connecteur de chaque genre, tu te retrouveras vite bloqué pour brancher ta DI sur une carte son/console quelconque
- entrée = XLR femelle (combo XLR/jack possible)
- sortie = XLR male (ajouter un jack TRS en parallèle si besoin)
Et comme les cables XLR ont un connecteur de chaque genre, tu te retrouveras vite bloqué pour brancher ta DI sur une carte son/console quelconque
- McColson
- Admin du site

- Messages : 8042
- Enregistré le : 07 nov. 2004, 1:00
- Localisation : La Celle sur Morin
- Contact :
Re: SimulHP V2
Ok bon bah on oublie le combo alors... Je vais me retaper une empreinte à faire alors lol
EDIT : C'est fait. N'hésitez pas à me faire des retours, merci.
Je suis en train de bosser sur le PCB pour le PCM2904 et là vue la finesse des pistes, ça met direct hors course le PCB gravé à la maison.
du coup je pensais utiliser ça pour que chacun puisse monter le projet facilement :
http://www.ebay.fr/itm/like/271705039362?lpid=97&chn=ps
EDIT :
J'ai une petite question, si je décide de ne pas câbler la simul HP sur mon PCB, je me retrouve avec l'OPA134 couplé avec le DRV134 directement, faut-il prévoir quand même une petite R ou une capa au cas où ?
EDIT : C'est fait. N'hésitez pas à me faire des retours, merci.
Je suis en train de bosser sur le PCB pour le PCM2904 et là vue la finesse des pistes, ça met direct hors course le PCB gravé à la maison.
du coup je pensais utiliser ça pour que chacun puisse monter le projet facilement :
http://www.ebay.fr/itm/like/271705039362?lpid=97&chn=ps
EDIT :
J'ai une petite question, si je décide de ne pas câbler la simul HP sur mon PCB, je me retrouve avec l'OPA134 couplé avec le DRV134 directement, faut-il prévoir quand même une petite R ou une capa au cas où ?
- Lemontheo
- G5 Team

- Messages : 1813
- Enregistré le : 21 janv. 2011, 1:00
- Localisation : Rouen
- Contact :
Re: SimulHP V2
Sur Sonelec, il y a un montage dans le genre > http://www.sonelec-musique.com/electron ... o_007.html
PS : bien l'idée du support de CI pour le PCM
PS : bien l'idée du support de CI pour le PCM
- McColson
- Admin du site

- Messages : 8042
- Enregistré le : 07 nov. 2004, 1:00
- Localisation : La Celle sur Morin
- Contact :
Re: SimulHP V2
Ouaip c'est bien ce que je me disais, je vais essayer de mettre une petite R qq part...
EDIT : J'ai mis une 100k à l'entrée du DRV134, comme ça une 1k en sortie du simulHP, je voulais pas mettre 10k, ça aurait fait un pont diviseur un peut trop important...
EDIT : J'ai mis une 100k à l'entrée du DRV134, comme ça une 1k en sortie du simulHP, je voulais pas mettre 10k, ça aurait fait un pont diviseur un peut trop important...
- McColson
- Admin du site

- Messages : 8042
- Enregistré le : 07 nov. 2004, 1:00
- Localisation : La Celle sur Morin
- Contact :
Re: SimulHP V2
Le PCM2904 et la sortie casque sur le même PCB de 5cm*8cm. Il faudra acheté à part l'adaptateur SSOP28 / SOIC28 (2€ sur ebay)
Le potar et la prise sont espacés de 2.5cm, ce qui reste confortable.
La sortie Vout L sera utilisée pour le module réamp, alors que la sortie Vout R est mixée avec la simulHP de la DI et rentre dans l'ampli casque.
PS : je me permet un double post sinon le fichier joint disparaît
Le potar et la prise sont espacés de 2.5cm, ce qui reste confortable.
La sortie Vout L sera utilisée pour le module réamp, alors que la sortie Vout R est mixée avec la simulHP de la DI et rentre dans l'ampli casque.
PS : je me permet un double post sinon le fichier joint disparaît
Re: SimulHP V2
C'est tellement beau qu'on se croirait presque sur TG 
Super réalisation

Super réalisation
- McColson
- Admin du site

- Messages : 8042
- Enregistré le : 07 nov. 2004, 1:00
- Localisation : La Celle sur Morin
- Contact :
Re: SimulHP V2
Merci je vous envoie la suite bientôt. Dès que je reçois les pièces du boîtier j'envoye la purée ! Vive PG5 et TG
EDIT : Un retour sur le PCB USB/casque les autres ? ça vous va ?
EDIT : Un retour sur le PCB USB/casque les autres ? ça vous va ?
- McColson
- Admin du site

- Messages : 8042
- Enregistré le : 07 nov. 2004, 1:00
- Localisation : La Celle sur Morin
- Contact :
Re: SimulHP V2
Salut tout le monde,
Je bosse sur la dernière ligne droite le module reamp.
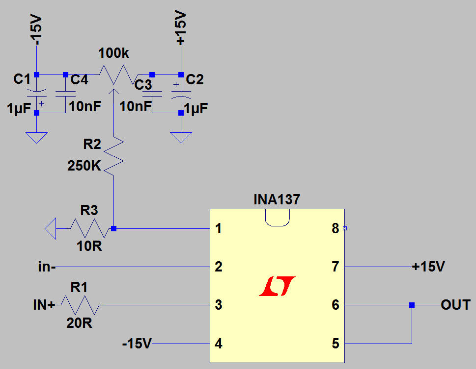
Bon je pioche un peu pour ce module reamp, car j'avais conçu ça comme ça à la base :
download/file.php?id=1037&mode=view
Mais l'entrée passant en XLR, il n’existe pas de prise XLR à switching, du coup je suis embêté... Bref en réfléchissant bien, je me demande si la sortie du PCM2904 (qui est asymétrique) à besoin de passer dans l'INA137 que je compte utiliser pour désymétriser mon signal provenant de l'entrée XLR ?
A priori oui surtout pour bénéficier du gain de +6dB.
Mais alors comment effectuer la bascule le plus classe possible entre l'entrée XLR et le son provenant du PCM2904 ?
- Un switch pour sélectionner la source à côté de la prise XLR
- Un mélangeur passif à l'entrée de l'INA137 (ce qui obligerait à couper le son sur le PC au cas où, solution pas très classe)
- Un système avec détection sur l'entrée XLR et activation d'un switching à fet ou relais pour couper le PCM2904...
- Rajouter un OPA134 avec un gain de +6dB en parralèlle de l'INA137 et mixer en sortie...
Bref je sèche un peu.
Je bosse sur la dernière ligne droite le module reamp.
Bon je pioche un peu pour ce module reamp, car j'avais conçu ça comme ça à la base :
download/file.php?id=1037&mode=view
Mais l'entrée passant en XLR, il n’existe pas de prise XLR à switching, du coup je suis embêté... Bref en réfléchissant bien, je me demande si la sortie du PCM2904 (qui est asymétrique) à besoin de passer dans l'INA137 que je compte utiliser pour désymétriser mon signal provenant de l'entrée XLR ?
A priori oui surtout pour bénéficier du gain de +6dB.
Mais alors comment effectuer la bascule le plus classe possible entre l'entrée XLR et le son provenant du PCM2904 ?
- Un switch pour sélectionner la source à côté de la prise XLR
- Un mélangeur passif à l'entrée de l'INA137 (ce qui obligerait à couper le son sur le PC au cas où, solution pas très classe)
- Un système avec détection sur l'entrée XLR et activation d'un switching à fet ou relais pour couper le PCM2904...
- Rajouter un OPA134 avec un gain de +6dB en parralèlle de l'INA137 et mixer en sortie...
Bref je sèche un peu.
Re: SimulHP V2
Alors, si je t'ai conseillé l'INA137 au lieu du 134, ce n'est pas pour son gain de +6dB, mais pour le cablage qui donne -6dB !
Je m'explique : en sortie de DI, le DRV134 a un gain de +6dB. Donc pour retrouver le niveau initial en sortie, en admettant qu'il n'y a pas de modification du niveau entre la sortie de la DI et l'entrée du réamp, il faut atténuer de 6dB.
Par contre en utilisant l'USB, tu entres dans le PCM sans passer par le DRV, il n'y a donc pas ces +6dB en sortie de DI, et donc pas besoin des -6dB en entrée de réamp.
Donc ce que je ferais, c'est garder le signal issu du PCM et de l'INA en parallèle, et les mixer ensuite, soit via un mixer passif, soit avec un petit switch de sélection de la source
Je m'explique : en sortie de DI, le DRV134 a un gain de +6dB. Donc pour retrouver le niveau initial en sortie, en admettant qu'il n'y a pas de modification du niveau entre la sortie de la DI et l'entrée du réamp, il faut atténuer de 6dB.
Par contre en utilisant l'USB, tu entres dans le PCM sans passer par le DRV, il n'y a donc pas ces +6dB en sortie de DI, et donc pas besoin des -6dB en entrée de réamp.
Donc ce que je ferais, c'est garder le signal issu du PCM et de l'INA en parallèle, et les mixer ensuite, soit via un mixer passif, soit avec un petit switch de sélection de la source

..:: 

