Et pour le reste ouais, c'est logique d'ailleurs : pour une puissance de sortie similaire, on a des datas qui se recoupent. Dans tous les cas, attends-toi à devoir te taper au moins un 500VA en alim, et là ton dos ne va pas te dire merci




ok, par contre je dois être loin du compte avec mes 500mV car je ne commence à ressentir la satu sur les attaques (grosse corde de Si) qu'à partir de 14h/15h sur le volume avec ma g&l L2500 (qui en terme de niveau de sortie est plutôt ingérable...).Il faut donc diviser par 10 (en gros), ce qui revient à mettre le potard de volume à 50% (potard log), et atténue donc le signal de 20dB.
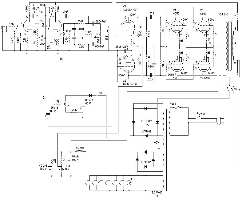
A ce stade, le gain est donc de 13dB, auxquels on ajoute les 33dB de la 2ème 6SL7, et les -17dB du tone stack : entre l'entrée et le déphaseur, le gain est donc de 29dB, soit un facteur 28 => 14V en entrée de déphaseur (c'est plus raisonnable, mais déjà trop)
Oui, mais autant voir ça une fois l'ampli terminé, ça fait partie des ajustements à faire "en vrai" en fonction du résultat souhaité.franfranky a écrit :- abaisser le gain des deux premier étages de preamplification (les 470k et 220k en anode sont peut être un peu fortes en chocolat...)
Un étage de drive, ça n'existe pas : c'est soit un étage de gain, soit un buffer (qui est aussi un étage de gain, d'ailleurs, mais bon), dont le but est de "driver" le circuit qu'il y a derrière, mais il faut choisir...franfranky a écrit :- éventuellement ajouter un étage de drive avant la déphaseuse et ajuster la pola du déphaseur pour obtenir un swing suffisant en minimisant la satu, ce qui me permettrait au passage l'ajout d'un master volume entre les deux (indispensable avec 200w derrière...)
Peut-être : la 6SN7 a une résistance interne bien plus faible (< 10k) que la 6SL7 (> 40k), donc elle sera moins impactée par les R de bias de 100k.franfranky a écrit :Ma 6SN7 en déphaseuse semble t'elle plus adaptée qu'une 6SL7?


 ... bon pas de panique il y aura 550uf pour assurer ça (5x2 condo de 220uf 350v mis en série)
 ... bon pas de panique il y aura 550uf pour assurer ça (5x2 condo de 220uf 350v mis en série)


Toutafé ! Et comme ça limite aussi les baisses de tension sur l'alim des g2, tu limites la compression à fort volume, donc le son reste dynamique même à fond.franfranky a écrit :Le fait d'avoir 2 enroulements permettrait t'il de limiter les chutes de tension sur la partie preamp lors des gros appels de courant de l'étage d'amplification?
Justement la sécurité quand tu bricoles, notamment côté power (ça permet de déconnecter complètement l'ampli du réseau EDF, équivalent à retirer le cable d'alim). C'est pas une règle absolue, mais perso je préfère...franfranky a écrit :côté stand by et allumage quel est l’intérêt d'ouvrir sur les deux enroulements ?
Aucun intérêt si le cablage des filaments est fait proprement.franfranky a écrit :autre points, y a t'il un intérêt à chauffer les filaments en continu côté préamp ou est ce que c'est beaucoup de boulot pour pas grands chose?



Le 1er, comme tu peux le voir, est couplé en DC à l'étage précédent, dont le potentiel d'anode au repos fixe donc le potentiel de grille du déphaseur... C'est un peu plus complexe à calculer de mon point de vue, et surtout tu es tributaire de la tension d'anode du tube précédent : si sa conso est hors des clous, ta tension de grille aussi, donc le courant traversant les tubes, etc...franfranky a écrit :BAutre chose, pour l'inverseur de phase en LTP j'ai pus voir qu'il y avais deux façon de faire:
-LTP classique
- dephaseur de Schmidt
quels sont les avantages et inconvénients entre ces deux montages?
